Lexus ES: Relay
Inspection
INSPECTION
PROCEDURE
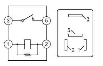
1. INSPECT ST RELAY
| (a) Check the resistance. (1) Measure the resistance according to the value(s) in the table below. Standard Resistance: | Tester Connection | Condition | Specified Condition | | 3 - 5 | Battery voltage not applied to terminals 1 and 2 | 10 kΩ or higher | | Battery voltage applied to terminals 1 and 2 | Below 1 Ω | If the result is not as specified, replace the ST relay. | |
READ NEXT:
COMPONENTS ILLUSTRATION *1 AIR CLEANER ASSEMBLY WITH AIR CLEANER HOSE *2 INLET AIR CLEANER ASSEMBLY *3 BATTERY CLAMP SUB-ASSEMBLY *4 COOL AIR INTAKE DUCT SEAL *5 ECM *6 S
REMOVAL CAUTION / NOTICE / HINT The necessary procedures (adjustment, calibration, initialization or registration) that must be performed after parts are removed and installed, or replaced during star
SEE MORE:
REMOVAL PROCEDURE 1. CHANGE POWER TILT AND POWER TELESCOPIC STEERING COLUMN SYSTEM SETTINGS (for Power Tilt and Power Telescopic Steering Column) Click here 2. REMOVE LOWER STEERING COLUMN COVER SUB-ASSEMBLY NOTICE: Removing the lower steering column cover sub-assembly in the incorrect order wil
DESCRIPTION The rear center ultrasonic sensor RH is installed to the rear bumper. The clearance warning ECU assembly detects obstacles based on signals received from the rear center ultrasonic sensor RH. If the rear center ultrasonic sensor RH has an open circuit or other malfunction, it will not fu
© 2016-2026 Copyright www.lexguide.net
