Lexus ES manuals

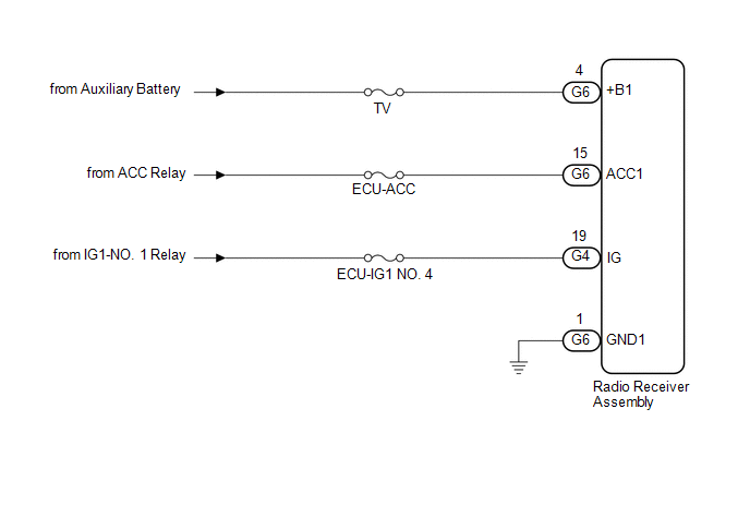
Lexus ES: Radio Receiver Power Source Circuit

DESCRIPTION

This is the power source circuit to operate the radio receiver assembly.

WIRING DIAGRAM

CAUTION / NOTICE / HINT

NOTICE:

Inspect the fuses for circuits related to this system before performing the following procedure.

PROCEDURE

1.

CHECK HARNESS AND CONNECTOR (RADIO RECEIVER ASSEMBLY POWER SOURCE)

(a) Disconnect the G4 and G6 radio receiver assembly connectors.

(b) Measure the resistance according to the value(s) in the table below.

Standard Resistance:

Tester Connection

Condition

Specified Condition

G6-1 (GND1) - Body ground

Always

Below 1 Ω

(c) Measure the voltage according to the value(s) in the table below.

Standard Voltage:

Tester Connection

Condition

Specified Condition

G6-4 (+B1) - G6-1 (GND1)

Power switch off

11 to 14 V

G6-15 (ACC1) - G6-1 (GND1)

Power switch on (ACC)

11 to 14 V

G4-19 (IG) - G6-1 (GND1)

Power switch on (IG)

11 to 14 V

OK

PROCEED TO NEXT SUSPECTED AREA SHOWN IN PROBLEM SYMPTOMS TABLE

NG

REPAIR OR REPLACE HARNESS OR CONNECTOR

READ NEXT:

 Registered Device cannot be Deleted

PROCEDURE 1. DELETE OPERATION (a) Check if a registered portable player can be deleted normally. OK: Registered portable player can be deleted normally. OK END NG PROCEED TO

 Remote Touch Screen Does not Generate Vibration Feedback

DESCRIPTION When each button displayed on the multi-display assembly is selected via remote touch screen operation, the remote touch screen generates vibration feedback according to communication betw

 Satellite Radio Broadcast cannot be Received

CAUTION / NOTICE / HINT NOTICE: Some satellite radio broadcasts require payment. A contract must be made between a satellite radio company and the user. If the contract expires, it will not be possibl

SEE MORE:

 Hybrid/EV Battery Control System Over Temperature (P30004B)

DESCRIPTION The battery ECU assembly monitors the temperature of the HV battery to detect if it becomes excessively high. DTC No. Detection Item DTC Detection Condition Trouble Area MIL Warning Indicate P30004B Hybrid/EV Battery Control System Over Temperature The battery ECU as

 Power Mirror cannot be Adjusted with Power Mirror Switch

DESCRIPTION The outer mirror switch assembly sends the mirror adjust switch signals to the main body ECU (multiplex network body ECU). The main body ECU (multiplex network body ECU) then sends the received mirror adjust switch signals to each outer mirror control ECU assembly via CAN communication.

© 2016-2026 Copyright www.lexguide.net