Lexus ES manuals

Lexus ES: Power Window Motor Malfunction (B2311)

DESCRIPTION

The power window regulator motor assemblies are operated by the multiplex network master switch assembly, power window regulator switch assembly or rear power window regulator switch assemblies. The power window regulator motor assemblies have motor, regulator and ECU functions.

This DTC is stored when a power window regulator motor assembly is malfunctioning, or the ECU built into the power window regulator motor assembly determines that the fully closed power window position has deviated approximately 20 mm (0.787 in.) or more from the normal position.

D-Door Motor

DTC No.

Detection Item

DTC Detection Condition

Trouble Area

B2311

Power Window Motor Malfunction

  • Either condition is met:
    1. Power window regulator motor assembly (for driver door) is malfunctioning
    2. ECU in power window regulator motor assembly (for driver door) determines that fully closed power window position has deviated approx. 20 mm (0.787 in.) or more from normal position
  • Power window regulator motor assembly (for driver door)
  • Incorrect installation of power window components
  • Overheated power window regulator motor assembly (for driver door)
  • Wire harness or connector
P-Door Motor

DTC No.

Detection Item

DTC Detection Condition

Trouble Area

B2311

Power Window Motor Malfunction

  • Either condition is met:
    1. Power window regulator motor assembly (for front passenger door) is malfunctioning
    2. ECU in power window regulator motor assembly (for front passenger door) determines that fully closed power window position has deviated approx. 20 mm (0.787 in.) or more from normal position
  • Power window regulator motor assembly (for front passenger door)
  • Incorrect installation of power window components
  • Overheated power window regulator motor assembly (for front passenger door)
  • Wire harness or connector
RL-Door Motor

DTC No.

Detection Item

DTC Detection Condition

Trouble Area

B2311

Power Window Motor Malfunction

  • Either condition is met:
    1. Power window regulator motor assembly (for rear LH door) is malfunctioning
    2. ECU in power window regulator motor assembly (for rear LH door) determines that fully closed power window position has deviated approx. 20 mm (0.787 in.) or more from normal position
  • Power window regulator motor assembly (for rear LH door)
  • Incorrect installation of power window components
  • Overheated power window regulator motor assembly (for rear LH door)
  • Wire harness or connector
RR-Door Motor

DTC No.

Detection Item

DTC Detection Condition

Trouble Area

B2311

Power Window Motor Malfunction

  • Either condition is met:
    1. Power window regulator motor assembly (for rear RH door) is malfunctioning
    2. ECU in power window regulator motor assembly (for rear RH door) determines that fully closed power window position has deviated approx. 20 mm (0.787 in.) or more from normal position
  • Power window regulator motor assembly (for rear RH door)
  • Incorrect installation of power window components
  • Overheated power window regulator motor assembly (for rear RH door)
  • Wire harness or connector

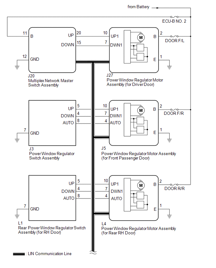
WIRING DIAGRAM

CAUTION / NOTICE / HINT

NOTICE:

  • DTC B2311 is stored in each power window regulator motor assembly.
  • If a power window regulator motor assembly has been replaced with a new one, initialize the power window control system.

    Click here

  • If a power window regulator motor assembly and door window regulator sub-assembly have been removed and installed, or if a power window regulator motor assembly was reused when a door glass or door glass run was replaced, initialize the power window control system.

    Click here

  • Inspect the fuses for circuits related to this system before performing the following procedure.
  • The power window control system uses the LIN communication system. Inspect the communication function by following How to Proceed with Troubleshooting. Troubleshoot the power window control system after confirming that the communication system is functioning properly.

    Click here

PROCEDURE

1.

CHECK FOR DTC

(a) Connect the Techstream to the DLC3.

(b) Turn the engine switch on (IG).

(c) Turn the Techstream on.

(d) Enter the following menus: Body Electrical / (desired system) / Clear DTCs.

(e) Clear the DTCs.

Body Electrical > D-Door Motor > Clear DTCs Body Electrical > P-Door Motor > Clear DTCs Body Electrical > RL-Door Motor > Clear DTCs Body Electrical > RR-Door Motor > Clear DTCs

(f) Check for DTCs.

Body Electrical > D-Door Motor > Trouble Codes Body Electrical > P-Door Motor > Trouble Codes Body Electrical > RL-Door Motor > Trouble Codes Body Electrical > RR-Door Motor > Trouble Codes

OK:

DTC B2311 is not output.

OK

USE SIMULATION METHOD TO CHECK

NG

2.

CHECK DTC OUTPUT

(a) Check the parts from which this DTC has been output.

Result

Proceed to

DTC output from power window regulator motor assembly (for driver door)

A

DTC output from power window regulator motor assembly (for front passenger door)

B

DTC output from power window regulator motor assembly (for rear LH door)

C

DTC output from power window regulator motor assembly (for rear RH door)

D

B

GO TO STEP 4

C

GO TO STEP 5

D

GO TO STEP 6

A

3.

CHECK HARNESS AND CONNECTOR (POWER WINDOW REGULATOR MOTOR ASSEMBLY (for Driver Door) - BATTERY AND BODY GROUND)

(a) Measure the voltage according to the value(s) in the table below.

Standard Voltage:

Tester Connection

Condition

Specified Condition

J27-2 (B) - J27-1 (E)

Always

11 to 14 V

*a

Component with harness connected

(Power Window Regulator Motor Assembly (for Driver Door))

(b) Measure the resistance according to the value(s) in the table below.

Standard Resistance:

Tester Connection

Condition

Specified Condition

J27-1 (E) - Body ground

Always

Below 1 Ω

OK

GO TO STEP 7

NG

REPAIR OR REPLACE HARNESS OR CONNECTOR

4.

CHECK HARNESS AND CONNECTOR (POWER WINDOW REGULATOR MOTOR ASSEMBLY (for Front Passenger Door) - BATTERY AND BODY GROUND)

(a) Measure the voltage according to the value(s) in the table below.

Standard Voltage:

Tester Connection

Condition

Specified Condition

J5-2 (B) - J5-1 (E)

Always

11 to 14 V

*a

Component with harness connected

(Power Window Regulator Motor Assembly (for Front Passenger Door))

(b) Measure the resistance according to the value(s) in the table below.

Standard Resistance:

Tester Connection

Condition

Specified Condition

J5-1 (E) - Body ground

Always

Below 1 Ω

OK

GO TO STEP 7

NG

REPAIR OR REPLACE HARNESS OR CONNECTOR

5.

CHECK HARNESS AND CONNECTOR (POWER WINDOW REGULATOR MOTOR ASSEMBLY (for Rear LH Door) - BATTERY AND BODY GROUND)

(a) Measure the voltage according to the value(s) in the table below.

Standard Voltage:

Tester Connection

Condition

Specified Condition

L10-2 (B) - L10-1 (E)

Always

11 to 14 V

*a

Component with harness connected

(Power Window Regulator Motor Assembly (for Rear LH Door))

(b) Measure the resistance according to the value(s) in the table below.

Standard Resistance:

Tester Connection

Condition

Specified Condition

L10-1 (E) - Body ground

Always

Below 1 Ω

OK

GO TO STEP 7

NG

REPAIR OR REPLACE HARNESS OR CONNECTOR

6.

CHECK HARNESS AND CONNECTOR (POWER WINDOW REGULATOR MOTOR ASSEMBLY (for Rear RH Door) - BATTERY AND BODY GROUND)

(a) Measure the voltage according to the value(s) in the table below.

Standard Voltage:

Tester Connection

Condition

Specified Condition

L4-2 (B) - L4-1 (E)

Always

11 to 14 V

*a

Component with harness connected

(Power Window Regulator Motor Assembly (for Rear RH Door))

(b) Measure the resistance according to the value(s) in the table below.

Standard Resistance:

Tester Connection

Condition

Specified Condition

L4-1 (E) - Body ground

Always

Below 1 Ω

NG

REPAIR OR REPLACE HARNESS OR CONNECTOR

OK

7.

PERFORM ACTIVE TEST USING TECHSTREAM (APPLICABLE LOCATION)

(a) Enter the following menus: Body Electrical / (desired system) / Active Test.

HINT:

Perform the Active Test for the power window regulator motor assembly that has DTC B2311 stored in its ECU.

(b) Perform the Active Test according to the display on the Techstream.

CAUTION:

Be careful to avoid injuries as this test causes vehicle parts to move. During the Active Test, the jam protection function will not operate.

Body Electrical > D-Door Motor > Active Test

Tester Display

Measurement Item

Control Range

Diagnostic Note

Power Window

Power window

OFF / DOWN / UP

-

Body Electrical > P-Door Motor > Active Test

Tester Display

Measurement Item

Control Range

Diagnostic Note

Power Window

Power window

OFF / DOWN / UP

-

Body Electrical > RL-Door Motor > Active Test

Tester Display

Measurement Item

Control Range

Diagnostic Note

Power Window

Power window

OFF / DOWN / UP

-

Body Electrical > RR-Door Motor > Active Test

Tester Display

Measurement Item

Control Range

Diagnostic Note

Power Window

Power window

OFF / DOWN / UP

-

Body Electrical > D-Door Motor > Active Test

Tester Display

Power Window

Body Electrical > P-Door Motor > Active Test

Tester Display

Power Window

Body Electrical > RL-Door Motor > Active Test

Tester Display

Power Window

Body Electrical > RR-Door Motor > Active Test

Tester Display

Power Window

OK:

Each power window operates normally.

Result

Proceed to

OK

A

NG (Driver door power window)

B

NG (Front passenger door power window)

NG (Rear LH door power window)

C

NG (Rear RH door power window)

B

REPLACE POWER WINDOW REGULATOR MOTOR ASSEMBLY (for Driver Door or Front Passenger Door)

C

REPLACE POWER WINDOW REGULATOR MOTOR ASSEMBLY (for Rear LH Door or Rear RH Door)

A

8.

PERFORM INITIALIZATION (APPLICABLE LOCATION)

(a) Initialize the power window regulator motor assembly.

Click here

HINT:

Initialize the power window regulator motor assembly that has DTC B2311 stored in its ECU.

NEXT

9.

CHECK POWER WINDOW CONTROL SYSTEM (APPLICABLE LOCATION)

(a) Check that the power window operates normally by opening and closing it.

Click here

HINT:

Check the power window operation of the window where DTC B2311 has been stored.

OK:

Each power window operates normally.

Result

Proceed to

OK

A

NG (Driver door power window)

B

NG (Front passenger door power window)

NG (Rear LH door power window)

C

NG (Rear RH door power window)

B

REPLACE POWER WINDOW REGULATOR MOTOR ASSEMBLY (for Driver Door or Front Passenger Door)

C

REPLACE POWER WINDOW REGULATOR MOTOR ASSEMBLY (for Rear LH Door or Rear RH Door)

A

10.

CHECK WHETHER PARTS HAVE BEEN INSTALLED CORRECTLY

(a) Check that the power window components are installed correctly.

HINT:

Initialize the power window regulator motor assembly that has DTC B2311 stored in its ECU.

OK:

Power window components are installed correctly.

NG

INSTALL PARTS CORRECTLY

OK

11.

CHECK DTC OUTPUT

(a) Turn the engine switch off.

(b) Wait for at least 10 seconds, and then turn the engine switch on (IG).

(c) Check for DTCs.

Body Electrical > D-Door Motor > Trouble Codes Body Electrical > P-Door Motor > Trouble Codes Body Electrical > RL-Door Motor > Trouble Codes Body Electrical > RR-Door Motor > Trouble Codes

OK:

B2311 is not output.

Result

Proceed to

OK

A

NG (Driver door power window)

B

NG (Front passenger door power window)

NG (Rear LH door power window)

C

NG (Rear RH door power window)

A

END

B

REPLACE POWER WINDOW REGULATOR MOTOR ASSEMBLY (for Driver Door or Front Passenger Door)

C

REPLACE POWER WINDOW REGULATOR MOTOR ASSEMBLY (for Rear LH Door or Rear RH Door)

READ NEXT:

 Power Window Switch Malfunction (B2312)

DESCRIPTION The power window regulator motor assemblies are operated by the multiplex network master switch assembly, power window regulator switch assembly or rear power window regulator switch assem

 Glass Position Initialization Incomplete (B2313)

DESCRIPTION The power window regulator motor assemblies are operated by the multiplex network master switch assembly, power window regulator switch assembly or rear power window regulator switch assem

 Remote Up / Down Function does not Operate

DESCRIPTION When the engine switch on (IG), the multiplex network master switch assembly sends remote up and down signals to each power window regulator motor assembly via LIN communication. WIRING DI

SEE MORE:

 Internal Control Module Software Incompatibility Not Programmed (U030051)

DESCRIPTION If the forward recognition camera cannot verify the vehicle information sent from the ECM, the forward recognition camera stores DTC U030051. DTC No. Detection Item DTC Detection Condition Trouble Area MIL DTC Output from U030051 Internal Control Module Software Incomp

 Open in B Power Line (B242F)

DESCRIPTION The headlight ECU sub-assembly operates using the power source voltage input from the IG terminal and ECUB terminal. The power source voltage of the ECUB terminal is supplied when the main body ECU (multiplex network body ECU) turns the ECUB power supply relay (H-LP LH relay and H-LP RH

© 2016-2026 Copyright www.lexguide.net