Lexus ES manuals

Lexus ES: Power Source Circuit

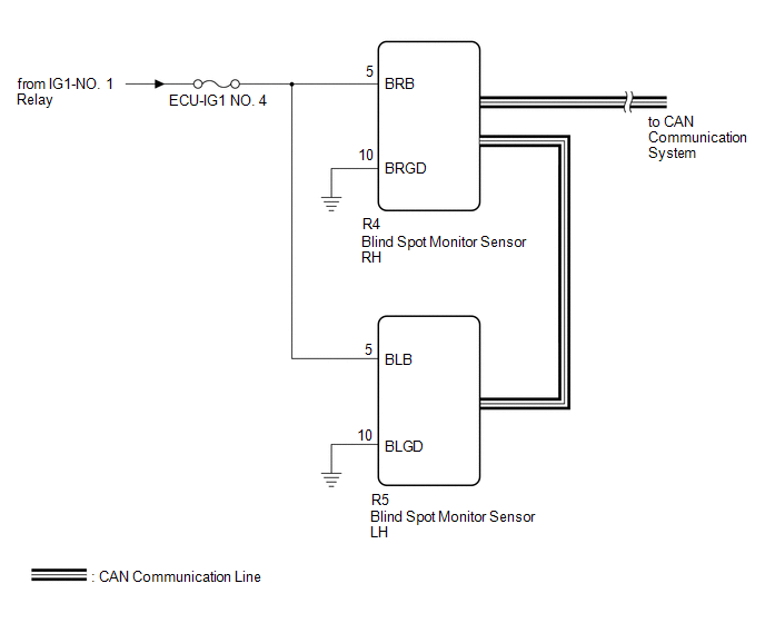
DESCRIPTION

This circuit provides power to operate the blind spot monitor sensor.

WIRING DIAGRAM

CAUTION / NOTICE / HINT

NOTICE:

Inspect the fuses for circuits related to this system before performing the following procedure.

PROCEDURE

1.

CHECK HARNESS AND CONNECTOR (BLIND SPOT MONITOR SENSOR RH POWER SOURCE)

(a) Disconnect the R4 blind spot monitor sensor RH connector.

(b) Measure the voltage according to the value(s) in the table below.

Standard Voltage:

Tester Connection

Condition

Specified Condition

R4-5 (BRB) - Body ground

Engine switch on (IG)

11 to 14 V*1

10.5 to 16 V*2

R4-5 (BRB) - Body ground

Engine switch off

Below 1 V

  • *1: w/o Stop and Start System
  • *2: w/ Stop and Start System
NG

REPAIR OR REPLACE HARNESS OR CONNECTOR

OK

2.

CHECK HARNESS AND CONNECTOR (BLIND SPOT MONITOR SENSOR RH - BODY GROUND)

(a) Measure the resistance according to the value(s) in the table below.

Standard Resistance:

Tester Connection

Condition

Specified Condition

R4-10 (BRGD) - Body ground

Always

Below 1 Ω

NG

REPAIR OR REPLACE HARNESS OR CONNECTOR

OK

3.

CHECK HARNESS AND CONNECTOR (BLIND SPOT MONITOR SENSOR LH POWER SOURCE)

(a) Disconnect the R5 blind spot monitor sensor LH connector.

(b) Measure the voltage according to the value(s) in the table below.

Standard Voltage:

Tester Connection

Condition

Specified Condition

R5-5 (BLB) - Body ground

Engine switch on (IG)

11 to 14 V

R5-5 (BLB) - Body ground

Engine switch off

Below 1 V

NG

REPAIR OR REPLACE HARNESS OR CONNECTOR

OK

4.

CHECK HARNESS AND CONNECTOR (BLIND SPOT MONITOR SENSOR LH - BODY GROUND)

(a) Measure the resistance according to the value(s) in the table below.

Standard Resistance:

Tester Connection

Condition

Specified Condition

R5-10 (BLGD) - Body ground

Always

Below 1 Ω

OK

PROCEED TO NEXT SUSPECTED AREA SHOWN IN PROBLEM SYMPTOMS TABLE

NG

REPAIR OR REPLACE HARNESS OR CONNECTOR

READ NEXT:

 Precaution

PRECAUTION PRECAUTION FOR DISCONNECTING CABLE FROM NEGATIVE BATTERY TERMINAL NOTICE: When disconnecting the cable from the negative (-) battery terminal, initialize the following systems after the cab

 Problem Symptoms Table

PROBLEM SYMPTOMS TABLE HINT: Use the table below to help determine the cause of problem symptoms. If multiple suspected areas are listed, the potential causes of the symptoms are listed in order of

 System Description

SYSTEM DESCRIPTION GENERAL (a) The blind spot monitor system has a blind spot monitor function. (1) Blind spot monitor function The blind spot monitor function is a function that assists the driver

SEE MORE:

 Replacement

REPLACEMENT PROCEDURE 1. REPLACE INTAKE VALVE GUIDE BUSH (a) Heat the cylinder head sub-assembly to between 80 and 100°C (176 and 212°F). (b) Place the cylinder head sub-assembly on wooden blocks. CAUTION: Be sure to wear protective gloves. (c) Using SST and a hammer, tap out the intake valve g

 Generator Phase U Current Sensor Signal Bias Level Out of Range / Zero Adjustment Failure (P0E0028,...,P0E0828)

DTC SUMMARY MALFUNCTION DESCRIPTION These DTCs indicate that the current sensor value is abnormal. The cause of this malfunction may be one of the following: Internal inverter malfunction Current sensor malfunction Inverter with converter assembly internal circuit malfunction DESCRIPTION The

© 2016-2026 Copyright www.lexguide.net