Lexus ES manuals

Lexus ES: Open in Bus 5 Main Bus Line

DESCRIPTION

There may be an open circuit in one of the CAN main bus lines when the resistance between terminals 15 (CA5H) and 16 (CA5L) of the central gateway ECU (network gateway ECU) is 70 Ω or higher.

Symptom

Trouble Area

Resistance between terminals 15 (CA5H) and 16 (CA5L) of the central gateway ECU (network gateway ECU) is 70 Ω or higher.

  • CAN main bus lines or connector
  • Central gateway ECU (network gateway ECU)
  • Combination meter assembly
  • No. 5 CAN junction connector
  • No. 8 CAN junction connector
  • No. 1 junction connector

This malfunction is not related to the lines of a CAN branch or to ECUs or sensors connected to a CAN branch.

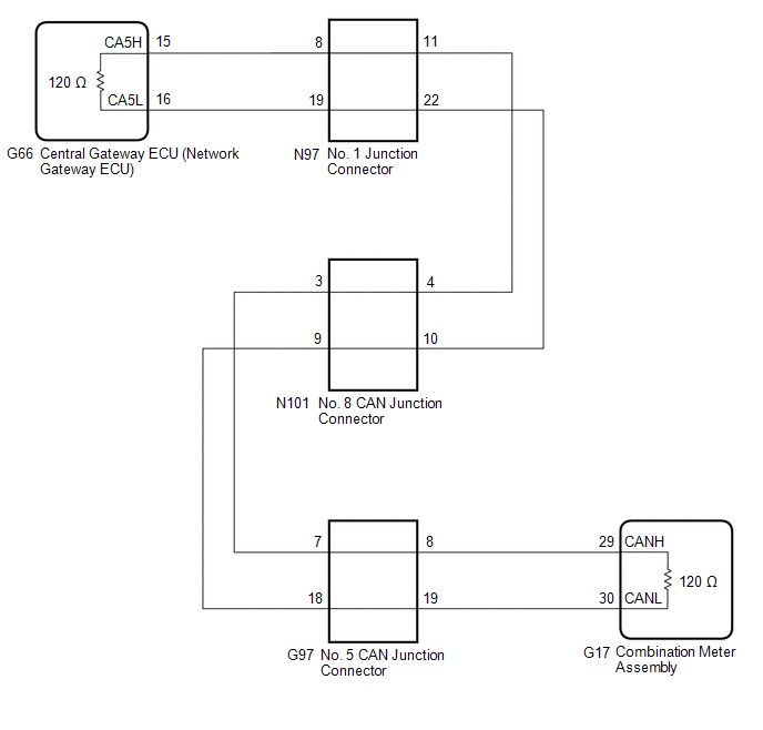
WIRING DIAGRAM

CAUTION / NOTICE / HINT

CAUTION:

When performing the confirmation driving pattern, obey all speed limits and traffic laws.

NOTICE:

  • Because the order of diagnosis is important to allow correct diagnosis, make sure to begin troubleshooting using How to Proceed with Troubleshooting when CAN communication system related DTCs are output.

    Click here

  • Before measuring the resistance of the CAN bus, turn the engine switch off and leave the vehicle for 1 minute or more without operating the key or any switches, or opening or closing the doors. After that, disconnect the cable from the negative (-) battery terminal and leave the vehicle for 1 minute or more before measuring the resistance.
  • After turning the engine switch off, waiting time may be required before disconnecting the cable from the negative (-) battery terminal. Therefore, make sure to read the disconnecting the cable from the negative (-) battery terminal notices before proceeding with work.

    Click here

  • After performing repairs, perform the DTC check procedure and confirm that the DTCs are not output again.

    DTC check procedure: Turn the engine switch on (IG) and wait for 1 minute or more. Then operate the suspected malfunctioning system and drive the vehicle at 60 km/h (37 mph) or more for 5 minutes or more.

  • After the repair, perform the CAN bus check and check that all the ECUs and sensors connected to the CAN communication system are displayed as normal.

    Click here

HINT:

  • Before disconnecting related connectors for inspection, push in on each connector body to check that the connector is not loose or disconnected.
  • When a connector is disconnected, check that the terminals and connector body are not cracked, deformed or corroded.

PROCEDURE

1.

CHECK FOR OPEN IN CAN MAIN BUS LINES (NO. 1 JUNCTION CONNECTOR)

(a) Disconnect the cable from the negative (-) battery terminal.

(b) Disconnect the N97 No. 1 junction connector.

(c) Measure the resistance according to the value(s) in the table below.

*a

Front view of wire harness connector

(to No. 1 Junction Connector)

*b

to Central Gateway ECU (Network Gateway ECU)

*c

to No. 8 CAN Junction Connector

-

-

Standard Resistance:

Tester Connection

Condition

Specified Condition

Connected to

N97-8 (CANH) - N97-19 (CANL)

Cable disconnected from negative (-) battery terminal

108 to 132 Ω

Central gateway ECU (network gateway ECU)

N97-11 (CANH) - N97-22 (CANL)

Cable disconnected from negative (-) battery terminal

108 to 132 Ω

No. 8 CAN junction connector

Result

Proceed to

OK

A

NG (Line to central gateway ECU (network gateway ECU))

B

NG (Line to No. 8 CAN junction connector)

C

A

REPLACE NO. 1 JUNCTION CONNECTOR

C

GO TO STEP 3

B

2.

CHECK FOR OPEN IN CAN MAIN BUS LINES (CENTRAL GATEWAY ECU (NETWORK GATEWAY ECU))

(a) Reconnect the N97 No. 1 junction connector.

(b) Disconnect the G66 central gateway ECU (network gateway ECU) connector.

(c) Measure the resistance according to the value(s) in the table below.

Standard Resistance:

Tester Connection

Condition

Specified Condition

G66-15 (CA5H) - G66-16 (CA5L)

Cable disconnected from negative (-) battery terminal

108 to 132 Ω

*a

Front view of wire harness connector

(to Central Gateway ECU (Network Gateway ECU))

OK

REPLACE CENTRAL GATEWAY ECU (NETWORK GATEWAY ECU)

NG

REPAIR OR REPLACE CAN MAIN BUS LINES OR CONNECTOR (CENTRAL GATEWAY ECU (NETWORK GATEWAY ECU) - NO. 1 JUNCTION CONNECTOR)

3.

CHECK FOR OPEN IN CAN MAIN BUS LINES (NO. 8 CAN JUNCTION CONNECTOR)

(a) Reconnect the N97 No. 1 junction connector.

(b) Disconnect the N101 No. 8 CAN junction connector.

(c) Measure the resistance according to the value(s) in the table below.

*a

Front view of wire harness connector

(to No. 8 CAN Junction Connector)

*b

to No. 5 CAN Junction Connector

*c

to No. 1 Junction Connector

-

-

Standard Resistance:

Tester Connection

Condition

Specified Condition

Connected to

N101-3 (CANH) - N101-9 (CANL)

Cable disconnected from negative (-) battery terminal

108 to 132 Ω

No. 5 CAN junction connector

N101-4 (CANH) - N101-10 (CANL)

Cable disconnected from negative (-) battery terminal

108 to 132 Ω

No. 1 junction connector

Result

Proceed to

OK

A

NG (Line to No. 1 junction connector)

B

NG (Line to No. 5 CAN junction connector)

C

A

REPLACE NO. 8 CAN JUNCTION CONNECTOR

B

REPAIR OR REPLACE CAN MAIN BUS LINES OR CONNECTOR (NO. 8 CAN JUNCTION CONNECTOR - NO. 1 JUNCTION CONNECTOR)

C

4.

CHECK FOR OPEN IN CAN MAIN BUS LINES (NO. 5 CAN JUNCTION CONNECTOR)

(a) Reconnect the N101 No. 8 CAN junction connector.

(b) Disconnect the G97 No. 5 CAN junction connector.

(c) Measure the resistance according to the value(s) in the table below.

*a

Front view of wire harness connector

(to No. 5 CAN Junction Connector)

*b

to No. 8 CAN Junction Connector

*c

to Combination Meter Assembly

-

-

Standard Resistance:

Tester Connection

Condition

Specified Condition

Connected to

G97-7 (CANH) - G97-18 (CANL)

Cable disconnected from negative (-) battery terminal

108 to 132 Ω

No. 8 CAN junction connector

G97-8 (CANH) - G97-19 (CANL)

Cable disconnected from negative (-) battery terminal

108 to 132 Ω

Combination meter assembly

Result

Proceed to

OK

A

NG (Line to No. 8 CAN junction connector)

B

NG (Line to combination meter assembly)

C

A

REPLACE NO. 5 CAN JUNCTION CONNECTOR

B

REPAIR OR REPLACE CAN MAIN BUS LINES OR CONNECTOR (NO. 5 CAN JUNCTION CONNECTOR - NO. 8 CAN JUNCTION CONNECTOR)

C

5.

CHECK FOR OPEN IN CAN MAIN BUS LINES (COMBINATION METER ASSEMBLY)

(a) Reconnect the G97 No. 5 CAN junction connector.

(b) Disconnect the G17 combination meter assembly connector.

(c) Measure the resistance according to the value(s) in the table below.

Standard Resistance:

Tester Connection

Condition

Specified Condition

G17-29 (CANH) - G17-30 (CANL)

Cable disconnected from negative (-) battery terminal

108 to 132 Ω

*a

Front view of wire harness connector

(to Combination Meter Assembly)

OK

REPLACE COMBINATION METER ASSEMBLY

NG

REPAIR OR REPLACE CAN MAIN BUS LINES OR CONNECTOR (COMBINATION METER ASSEMBLY - NO. 5 CAN JUNCTION CONNECTOR)

READ NEXT:

 Open in One Side of Bus 4 Branch Line

DESCRIPTION When the CAN bus main lines are normal (no open, short to ground, short to +B or short between lines) and there is an ECU or sensor on the "Communication Bus Check" screen that is indicate

 Open in One Side of Bus 4 Branch Line

DESCRIPTION When the CAN bus main lines are normal (no open, short to ground, short to +B or short between lines) and there is an ECU or sensor on the "Communication Bus Check" screen that is indicate

 Check Bus 4 Line for Short to GND

DESCRIPTION There may be a short circuit between one of the CAN bus lines and GND when there is no resistance between terminal 22 (CA2H) of the central gateway ECU (network gateway ECU) and terminal 4

SEE MORE:

 Emergency Call Switch Circuit Short to Ground (B15C511,B15C513)

DESCRIPTION If the DCM (telematics transceiver) detects an error in the communication between the DCM (telematics transceiver) and the map light sub-assembly (manual (SOS) switch) as a result of the DCM (telematics transceiver) self check, this DTC will be stored. DTC No. Detection Item DTC D

 Satellite Radio Broadcast cannot be Selected or After Selecting Broadcast, Broadcast cannot be Added into Memory

CAUTION / NOTICE / HINT NOTICE: Some satellite radio broadcasts require payment. A contract must be made between a satellite radio company and the user. If the contract expires, it will not be possible to listen to the broadcast. PROCEDURE 1. CHECK SATELLITE RADIO (a) Check radio condition.

© 2016-2025 Copyright www.lexguide.net