Lexus ES manuals

Lexus ES: On-vehicle Inspection

ON-VEHICLE INSPECTION

PROCEDURE

1. CHECK AUXILIARY BATTERY

(a) Check that the auxiliary battery cables are connected to the correct terminals.

If they are not, connect them properly.

(b) Check the auxiliary battery for damage and deformation. If severe damage, deformation or leakage is found, replace the auxiliary battery.

(c) Check the electrolyte level in each cell.

(1) For maintenance-free batteries:

  • If the electrolyte level is below the lower line, replace the battery.
  • If the electrolyte level is above the lower line, check the auxiliary battery voltage when cranking the engine. If the voltage is less than 11 V, recharge or replace the auxiliary battery.

    HINT:

    Before checking the auxiliary battery voltage, turn off all the electrical systems (headlights, blower motor, rear window defogger, etc.).

(2) For non-maintenance-free batteries:

  • If the electrolyte level is below the lower line, add distilled water to each cell. Then, recharge the auxiliary battery and check the electrolyte specific gravity.

    Standard Specific Gravity:

    1.25 or higher at 20°C (68°F)

  • If the electrolyte level is above the lower line, check the auxiliary battery voltage when cranking the engine. If the auxiliary battery voltage is less than 11 V, recharge or replace the auxiliary battery.

    HINT:

    Before checking the auxiliary battery voltage, turn off all the electrical systems (headlights, blower motor, rear window defogger, etc.).

2. CHECK AUXILIARY BATTERY VOLTAGE

(a) Turn the power switch off and turn on the high beam headlights for 30 seconds. This will remove the surface charge from the auxiliary battery.

(b) Measure the auxiliary battery voltage according to the value(s) in the table below.

Tester Connection

Condition

Specified Condition

Result

Positive (+) auxiliary battery terminal - Negative (-) auxiliary battery terminal

20°C (68°F), Power switch off

12.0 V or higher

Auxiliary battery is OK

12.0 V or less

Recharge auxiliary battery

3. RECHARGE AUXILIARY BATTERY

(a) Recharge the auxiliary battery.

HINT:

  • Recharge the auxiliary battery according to the charger's instructions.
  • Apply the appropriate charging current according to the type of auxiliary battery shown in the table below.

Charge Method

Charging Current

Normal

Below 5 A

Quick

Below 15 A

(b) Turn the power switch off and turn on the high beam headlights for 30 seconds. This will remove the surface charge from the auxiliary battery.

(c) Measure the auxiliary battery voltage according to the value(s) in the table below.

Tester Connection

Condition

Specified Condition

Result

Positive (+) auxiliary battery terminal - Negative (-) auxiliary battery terminal

20°C (68°F), Power switch off

12.0 V or higher

Auxiliary battery is OK

12.0 V or less

Recharge auxiliary battery

4. CHECK AUXILIARY BATTERY TERMINAL, FUSIBLE LINK AND FUSE

(a) Check that the auxiliary battery terminals are not loose or corroded.

Torque:

Positive (+) Auxiliary Battery Terminal :

5.4 N·m {55 kgf·cm, 48 in·lbf}

Negative (-) Auxiliary Battery Terminal :

5.4 N·m {55 kgf·cm, 48 in·lbf}

If a terminal is loose or corroded, tighten or clean the terminal.

(b) Measure the resistance of each fusible link and fuse for the auxiliary battery charging system.

Standard Resistance:

Below 1 Ω

If the result is not as specified, replace the fusible link or fuse as necessary.

5. CHECK AMD TERMINAL

CAUTION:

  • Orange wire harnesses and connectors indicate high-voltage circuits. To prevent electric shock, always follow the procedure described in the repair manual.

    Click here

  • To prevent electric shock, wear insulated gloves when working on wire harnesses and components of the high voltage system.

(a) Remove the service plug grip.

Click here

(b) Check that the AMD terminal is connected securely, and there is no contact problem.

If there are any arc marks, replace the affected parts.

(c) Check that the nut for the AMD terminal is tightened to the specified torque.

Torque:

Inverter with Converter Assembly Side :

10 N·m {102 kgf·cm, 7 ft·lbf}

No. 1 Engine Room Relay Block and No. 1 Junction Block Assembly Side :

8.0 N·m {82 kgf·cm, 71 in·lbf}

If there are no arc marks and the AMD terminal connection is faulty, connect the AMD terminal securely.

*1

AMD Terminal

(Inverter with Converter Assembly Side)

*2

AMD Terminal

(No. 1 Engine Room Relay Block and No. 1 Junction Block Assembly Side)

(d) Install the service plug grip.

Click here

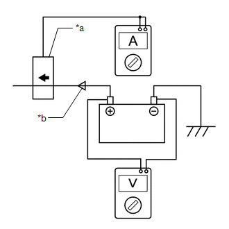
6. CHECK DC/DC CONVERTER FUNCTION

(a) Connect the AC/DC 400 A probe to the positive (+) auxiliary battery cable.

*a

Probe Direction

*b

Current Flowing into Auxiliary Battery

(b) Turn the power switch on (READY) and leave the vehicle as is until the electric current flowing to the auxiliary battery becomes 10 A or less.

(c) Turn on the high beam headlights, and turn the blower motor switch to the HI position and the rear window defogger on.

(d) Measure the current and voltage according to the value(s) in the table below.

Result:

Item

Tester Connection

Condition

Specified Condition

Current flowing from auxiliary battery

Positive (+) auxiliary battery cable

Power switch on (READY)

(The high beam headlights are on, the blower motor switch is in the HI position, and the rear window defogger is turned on.)

0 A or less

(No current from auxiliary battery)

Auxiliary battery voltage

Positive (+) auxiliary battery terminal - Negative (-) auxiliary battery terminal

12.5 to 15 V

If the result is not as specified, replace the inverter with converter assembly.

*a

Probe Direction

*b

Current Flowing from Auxiliary Battery

READ NEXT:

 Diagnostic Trouble Code Chart

DIAGNOSTIC TROUBLE CODE CHART Charging System DTC No. Detection Item Warning Indicate Memory Link P058A01 Auxiliary Battery Monitor Module Range/Performance Charge warning is not di

 Diagnostic Trouble Code Chart

DIAGNOSTIC TROUBLE CODE CHART Charging System DTC No. Detection Item Warning Indicate Memory Link P058A01 Auxiliary Battery Monitor Module Range/Performance Charge warning is not di

 Data List / Active Test

DATA LIST / ACTIVE TEST DATA LIST NOTICE: Some Data List values may vary significantly if there are slight differences in the environment in which the vehicle is operating when measurements are obt

SEE MORE:

 Hybrid/EV Battery "A" Voltage Sensor/Boosting Converter Voltage Sensor "A" Signal Compare Failure (P1C2D62)

DTC SUMMARY MALFUNCTION DESCRIPTION The hybrid vehicle control ECU detects a VB sensor or VL sensor malfunction. The cause of this malfunction may be one of the following: Inverter voltage (VB or VL) sensor internal circuit malfunction Voltage sensor malfunction Motor generator control ECU (MG

 Right Rear Wheel Speed Sensor Signal Stuck Low (C051223)

DESCRIPTION Refer to DTC C051212 Click here DTC No. Detection Item DTC Detection Condition Trouble Area C051223 Right Rear Wheel Speed Sensor Signal Stuck Low When the vehicle is driven from 0 km/h to 12 km/h (0 mph to 7 mph), the wheel speed is 1.8 km/h (1.1 mph) or less for 0

© 2016-2025 Copyright www.lexguide.net