Lexus ES manuals

Lexus ES: Motor Generator Control ECU Communication Stop Mode

DESCRIPTION

Detection Item

Symptom

Trouble Area

Motor Generator Control ECU Communication Stop Mode

Any of the following conditions are met:

  • Communication stop for "Motor Generator" is indicated on the "Communication Bus Check" screen of the Techstream.

    Click here

  • Communication stop history for "Motor Generator" is indicated on the "Communication Bus Check (Detail)" screen of the Techstream. (The Lost Communication Time value for "Motor Generator" is 6 or more.)

    Click here

  • Communication system DTCs (DTCs that start with U) that correspond to "Motor Generator Control ECU Communication Stop Mode" in "DTC Combination Table" are output.

    Click here

  • Inverter with converter assembly branch line or connector
  • Power source circuit of inverter with converter assembly
  • Inverter with converter assembly ground circuit
  • Inverter with converter assembly

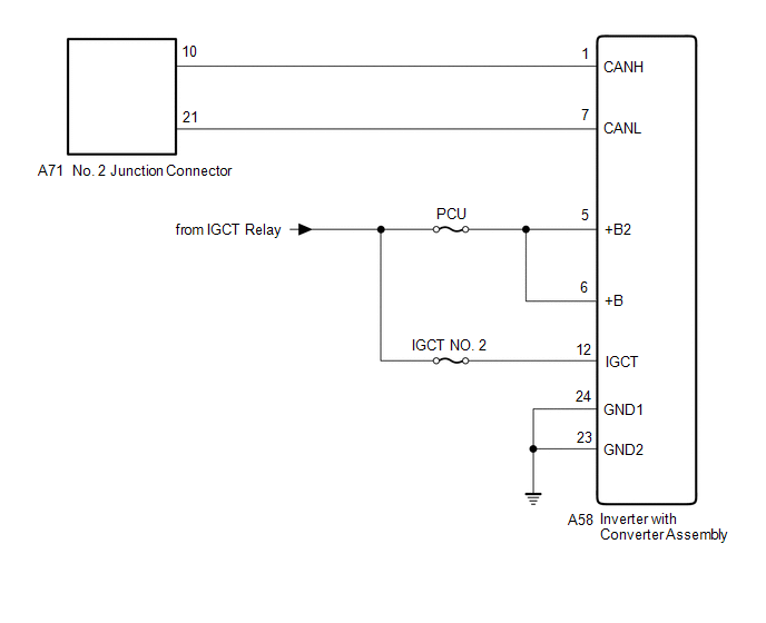
WIRING DIAGRAM

CAUTION / NOTICE / HINT

CAUTION:

When performing the confirmation driving pattern, obey all speed limits and traffic laws.

NOTICE:

  • Because the order of diagnosis is important to allow correct diagnosis, make sure to begin troubleshooting using How to Proceed with Troubleshooting when CAN communication system related DTCs are output.

    Click here

  • Before measuring the resistance of the CAN bus, turn the power switch off and leave the vehicle for 1 minute or more without operating the key or any switches, or opening or closing the doors. After that, disconnect the cable from the negative (-) auxiliary battery terminal and leave the vehicle for 1 minute or more before measuring the resistance.
  • After turning the power switch off, waiting time may be required before disconnecting the cable from the negative (-) auxiliary battery terminal. Therefore, make sure to read the disconnecting the cable from the negative (-) auxiliary battery terminal notices before proceeding with work.

    Click here

  • After performing repairs, perform the DTC check procedure and confirm that the DTCs are not output again.

    DTC check procedure: Turn the power switch on (IG) and wait for 1 minute or more. Then operate the suspected malfunctioning system and drive the vehicle at 60 km/h (37 mph) or more for 5 minutes or more.

  • After the repair, perform the CAN bus check and check that all the ECUs and sensors connected to the CAN communication system are displayed as normal.

    Click here

  • Inspect the fuses for circuits related to this system before performing the following procedure.

HINT:

  • Before disconnecting related connectors for inspection, push in on each connector body to check that the connector is not loose or disconnected.
  • When a connector is disconnected, check that the terminals and connector body are not cracked, deformed or corroded.

PROCEDURE

1.

CHECK FOR OPEN IN CAN BUS LINES (INVERTER WITH CONVERTER ASSEMBLY BRANCH LINE)

(a) Disconnect the cable from the negative (-) auxiliary battery terminal.

(b) Disconnect the A58 inverter with converter assembly connector.

(c) Measure the resistance according to the value(s) in the table below.

Standard Resistance:

Tester Connection

Condition

Specified Condition

A58-1 (CANH) - A58-7 (CANL)

Cable disconnected from negative (-) auxiliary battery terminal

54 to 69 Ω

*a

Front view of wire harness connector

(to Inverter with Converter Assembly)

NG

REPAIR OR REPLACE CAN BRANCH LINES OR CONNECTOR (INVERTER WITH CONVERTER ASSEMBLY)

OK

2.

CHECK HARNESS AND CONNECTOR (POWER SOURCE CIRCUIT)

(a) Measure the resistance according to the value(s) in the table below.

Standard Resistance:

Tester Connection

Condition

Specified Condition

A58-23 (GND2) - Body ground

Cable disconnected from negative (-) auxiliary battery terminal

Below 1 Ω

A58-24 (GND1) - Body ground

Cable disconnected from negative (-) auxiliary battery terminal

Below 1 Ω

*a

Front view of wire harness connector

(to Inverter with Converter Assembly)

(b) Reconnect the cable to the negative (-) auxiliary battery terminal.

(c) Measure the voltage according to the value(s) in the table below.

Standard Voltage:

Tester Connection

Condition

Specified Condition

A58-5 (+B2) - Body ground

Power switch on (IG)

11 to 14 V

A58-6 (+B) - Body ground

Power switch on (IG)

11 to 14 V

A58-12 (IGCT) - Body ground

Power switch on (IG)

11 to 14 V

OK

REPLACE MG ECU (REPLACE INVERTER WITH CONVERTER ASSEMBLY)

NG

REPAIR OR REPLACE HARNESS OR CONNECTOR (POWER SOURCE CIRCUIT)

READ NEXT:

 Millimeter Wave Radar Sensor Communication Stop Mode

DESCRIPTION Detection Item Symptom Trouble Area Millimeter Wave Radar Sensor Communication Stop Mode Any of the following conditions are met: Communication stop for "Front Radar" is in

 Headup Display Communication Stop Mode

DESCRIPTION Detection Item Symptom Trouble Area Headup Display Communication Stop Mode Any of the following conditions are met: Communication stop for "Head Up Display" is indicated on

 Door Mirror ECU RH Communication Stop Mode

DESCRIPTION Detection Item Symptom Trouble Area Door Mirror ECU RH Communication Stop Mode Any of the following conditions are met: Communication stop for "Front Door RH/R-Mirror (FR-D

SEE MORE:

 Components

COMPONENTS ILLUSTRATION *1 FRONT CENTER UPPER SUSPENSION BRACE SUB-ASSEMBLY - - Tightening torque for "Major areas involving basic vehicle performance such as moving/turning/stopping": N*m (kgf*cm, ft.*lbf) N*m (kgf*cm, ft.*lbf): Specified torque *T1 Bolt color black: 8.0

 A/F (O2) Sensor Positive Current Control Bank 1 Sensor 1 Circuit Short to Ground (P223711,...,P225412)

DESCRIPTION Refer to DTC P219519. Click here HINT: Although the DTC titles say O2 sensor, these DTCs relate to the air fuel ratio sensor. DTC No. Detection Item DTC Detection Condition Trouble Area MIL Memory Note P223711 A/F (O2) Sensor Positive Current Control Bank 1 Sensor

© 2016-2026 Copyright www.lexguide.net