Lexus ES manuals

Lexus ES: Microphone Circuit

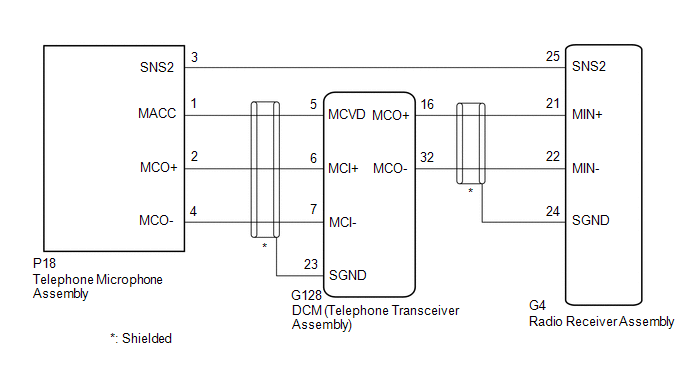
DESCRIPTION

  • The radio receiver assembly and telephone microphone assembly are connected to each other using the microphone connection detection signal lines.
  • Using this circuit, the radio receiver assembly sends power to the telephone microphone assembly, and the telephone microphone assembly sends microphone signals to the radio receiver assembly.*1
  • Using this circuit, the DCM (telematics transceiver) sends power to the telephone microphone assembly, and the telephone microphone assembly sends microphone signals to the radio receiver assembly via the DCM (telematics transceiver).*2
    • *1: w/o Manual (SOS) Switch
    • *2: w/ Manual (SOS) Switch

WIRING DIAGRAM

w/ Manual (SOS) Switch w/o Manual (SOS) Switch

CAUTION / NOTICE / HINT

NOTICE:

  • Depending on the parts that are replaced during vehicle inspection or maintenance, performing initialization, registration or calibration may be needed. Refer to Precaution for Audio and Visual System.

    Click here

  • When replacing the radio receiver assembly, always replace it with a new one.

    If a radio receiver assembly which was installed to another vehicle is used, the following may occur:

    • A communication malfunction DTC may be stored.
    • The radio receiver assembly may not operate normally.
  • Before replacing the DCM (telematics transceiver), refer to Registration.

    Click here

PROCEDURE

1.

CHECK MICROPHONE (OPERATION CHECK)

(a) Enter the "Microphone Check" screen. Refer to Check Microphone (Input to radio receiver assembly) in Operation Check.

Click here

(b) When voice is input into the microphone, check that the microphone input level meter changes according to the input voice.

OK:

Check result is normal.

OK

PROCEED TO NEXT SUSPECTED AREA SHOWN IN PROBLEM SYMPTOMS TABLE

NG

2.

CHECK MODEL

(a) Choose the model to be inspected.

Result

Proceed to

w/ Manual (SOS) Switch

A

w/o Manual (SOS) Switch

B

B

GO TO STEP 9

A

3.

CHECK HARNESS AND CONNECTOR (RADIO RECEIVER ASSEMBLY - TELEPHONE MICROPHONE ASSEMBLY)

(a) Disconnect the G4 radio receiver assembly connector.

(b) Disconnect the P18 telephone microphone assembly connector.

(c) Measure the resistance according to the value(s) in the table below.

Standard Resistance:

Tester Connection

Condition

Specified Condition

G4-25 (SNS2) - P18-3 (SNS2)

Always

Below 1 Ω

G4-25 (SNS2) or P18-3 (SNS2) - Body ground

Always

10 kΩ or higher

NG

REPAIR OR REPLACE HARNESS OR CONNECTOR

OK

4.

CHECK HARNESS AND CONNECTOR (RADIO RECEIVER ASSEMBLY - DCM (TELEMATICS TRANSCEIVER))

(a) Disconnect the G4 radio receiver assembly connector.

(b) Disconnect the G128 DCM (telematics transceiver) connector.

(c) Measure the resistance according to the value(s) in the table below.

Standard Resistance:

Tester Connection

Condition

Specified Condition

G4-21 (MIN+) - G128-16 (MCO+)

Always

Below 1 Ω

G4-22 (MIN-) - G128-32 (MCO-)

Always

Below 1 Ω

G4-21 (MIN+) or G128-16 (MCO+) - Body ground

Always

10 kΩ or higher

G4-22 (MIN-) or G128-32 (MCO-) - Body ground

Always

10 kΩ or higher

G4-24 (SGND) - Body ground

Always

10 kΩ or higher

NG

REPAIR OR REPLACE HARNESS OR CONNECTOR

OK

5.

CHECK HARNESS AND CONNECTOR (DCM (TELEMATICS TRANSCEIVER) - TELEPHONE MICROPHONE ASSEMBLY)

(a) Disconnect the G128 DCM (telematics transceiver) connector.

(b) Disconnect the P18 telephone microphone assembly connector.

(c) Measure the resistance according to the value(s) in the table below.

Standard Resistance:

Tester Connection

Condition

Specified Condition

G128-5 (MCVD) - P18-1 (MACC)

Always

Below 1 Ω

G128-6 (MCI+) - P18-2 (MCO+)

Always

Below 1 Ω

G128-7 (MCI-) - P18-4 (MCO-)

Always

Below 1 Ω

G128-5 (MCVD) or P18-1 (MACC) - Body ground

Always

10 kΩ or higher

G128-6 (MCI+) or P18-2 (MCO+) - Body ground

Always

10 kΩ or higher

G128-7 (MCI-) or P18-4 (MCO-) - Body ground

Always

10 kΩ or higher

G128-23 (SGND) - Body ground

Always

10 kΩ or higher

NG

REPAIR OR REPLACE HARNESS OR CONNECTOR

OK

6.

CHECK DCM (TELEMATICS TRANSCEIVER)

(a) Remove the DCM (telematics transceiver) with the connector(s) still connected.

*a

Component with harness connected

(DCM (Telematics Transceiver))

(b) Measure the voltage according to the value(s) in the table below.

Standard Voltage:

Tester Connection

Condition

Specified Condition

G128-5 (MCVD) - Body ground

Power switch on (ACC)

4 to 6 V

(c) Measure the resistance according to the value(s) in the table below.

Standard Resistance:

Tester Connection

Condition

Specified Condition

G128-23 (SGND) - Body ground

Always

Below 1 Ω

G128-7 (MCI-) - Body ground

Always

Below 1 Ω

NG

REPLACE DCM (TELEMATICS TRANSCEIVER)

OK

7.

CHECK TELEPHONE MICROPHONE ASSEMBLY (OUTPUT TO DCM (TELEMATICS TRANSCEIVER))

*a

Component with harness connected

(Telephone Microphone Assembly)

(a) Check the output waveform.

(1) Remove the telephone microphone assembly with the connector(s) still connected.

Click here

(2) Connect an oscilloscope to terminal P18-2 (MCO+) and P18-4 (MCO-).

(3) Turn the power switch on (ACC).

(4) Sound is input to the telephone microphone assembly when the user is closer than 125 mm from the telephone microphone assembly sound holes in the roof headlining holder cover.

(5) Check the signal waveform according to the condition(s) in the table below.

Item

Condition

Measurement terminal

P18-2 (MCO+) - P18-4 (MCO-)

Tool setting

50 mV/DIV., 500 ms/DIV.

Vehicle condition

  1. Power switch on (ACC)
  2. Sound is input to the telephone microphone assembly when the user is closer than 125 mm from the telephone microphone assembly sound holes in the roof headlining holder cover.

OK:

The waveform is similar to that shown in the illustration.

HINT:

The oscilloscope waveform shown in the illustration is an example for reference only.

NG

REPLACE TELEPHONE MICROPHONE ASSEMBLY

OK

8.

CHECK DCM (TELEMATICS TRANSCEIVER) (OUTPUT TO RADIO RECEIVER ASSEMBLY)

*a

Component with harness connected

(DCM (Telematics Transceiver))

(a) Check the output waveform.

(1) Remove the DCM (telematics transceiver) with the connector(s) still connected.

Click here

(2) Connect an oscilloscope to terminal G128-16 (MCO+) and G128-32 (MCO-).

(3) Turn the power switch on (ACC).

(4) Sound is input to the telephone microphone assembly when the user is closer than 125 mm from the telephone microphone assembly sound holes in the roof headlining holder cover.

(5) Check the signal waveform according to the condition(s) in the table below.

Item

Condition

Measurement terminal

G128-16 (MCO+) - G128-32 (MCO-)

Tool setting

50 mV/DIV., 500 ms/DIV.

Vehicle condition

  1. Power switch on (ACC)
  2. Sound is input to the telephone microphone assembly when the user is closer than 125 mm from the telephone microphone assembly sound holes in the roof headlining holder cover.

OK:

The waveform is similar to that shown in the illustration.

HINT:

The oscilloscope waveform shown in the illustration is an example for reference only.

OK

REPLACE RADIO RECEIVER ASSEMBLY

NG

REPLACE DCM (TELEMATICS TRANSCEIVER)

9.

CHECK HARNESS AND CONNECTOR (RADIO RECEIVER ASSEMBLY - TELEPHONE MICROPHONE ASSEMBLY)

(a) Disconnect the G4 radio receiver assembly connector.

(b) Disconnect the P18 telephone microphone assembly connector.

(c) Measure the resistance according to the value(s) in the table below.

Standard Resistance:

Tester Connection

Condition

Specified Condition

G4-25 (SNS2) - P18-3 (SNS2)

Always

Below 1 Ω

G4-23 (MACC) - P18-1 (MACC)

Always

Below 1 Ω

G4-21 (MIN+) - P18-2 (MCO+)

Always

Below 1 Ω

G4-22 (MIN-) - P18-4 (MCO-)

Always

Below 1 Ω

G4-25 (SNS2) or P18-3 (SNS2) - Body ground

Always

10 kΩ or higher

G4-23 (MACC) or P18-1 (MACC) - Body ground

Always

10 kΩ or higher

G4-21 (MIN+) or P18-2 (MCO+) - Body ground

Always

10 kΩ or higher

G4-22 (MIN-) or P18-4 (MCO-) - Body ground

Always

10 kΩ or higher

G4-24 (SGND) - Body ground

Always

10 kΩ or higher

NG

REPAIR OR REPLACE HARNESS OR CONNECTOR

OK

10.

CHECK RADIO RECEIVER ASSEMBLY

(a) Remove the radio receiver assembly with the connector(s) still connected.

*a

Component with harness connected

(Radio Receiver Assembly)

(b) Measure the voltage according to the value(s) in the table below.

Standard Voltage:

Tester Connection

Condition

Specified Condition

G4-23 (MACC) - Body ground

Power switch on (ACC)

4 to 6 V

(c) Measure the resistance according to the value(s) in the table below.

Standard Resistance:

Tester Connection

Condition

Specified Condition

G4-22 (MIN-) - Body ground

Always

Below 1 Ω

G4-24 (SGND) - Body ground

Always

Below 1 Ω

NG

REPLACE RADIO RECEIVER ASSEMBLY

OK

11.

CHECK TELEPHONE MICROPHONE ASSEMBLY (OUTPUT TO RADIO RECEIVER ASSEMBLY)

*a

Component with harness connected

(Telephone Microphone Assembly)

(a) Check the output waveform.

(1) Remove the telephone microphone assembly with the connector(s) still connected.

Click here

(2) Connect an oscilloscope to terminal P18-2 (MCO+) and P18-4 (MCO-).

(3) Turn the power switch on (ACC).

(4) Sound is input to the telephone microphone assembly when the user is closer than 125 mm from the telephone microphone assembly sound holes in the roof headlining holder cover.

(5) Check the signal waveform according to the condition(s) in the table below.

Item

Condition

Measurement terminal

P18-2 (MCO+) - P18-4 (MCO-)

Tool setting

50 mV/DIV., 500 ms/DIV.

Vehicle condition

  1. Power switch on (ACC)
  2. Sound is input to the telephone microphone assembly when the user is closer than 125 mm from the telephone microphone assembly sound holes in the roof headlining holder cover.

OK:

The waveform is similar to that shown in the illustration.

HINT:

The oscilloscope waveform shown in the illustration is an example for reference only.

OK

REPLACE RADIO RECEIVER ASSEMBLY

NG

REPLACE TELEPHONE MICROPHONE ASSEMBLY

READ NEXT:

 Mute Signal Circuit between Radio Receiver and Stereo Component Amplifier

DESCRIPTION This circuit sends a signal to the stereo component amplifier assembly to mute noise. Due to this, the noise produced by changing the sound source ceases. If there is an open in the circui

 Mute Signal Circuit between Stereo Component Amplifier and Telematics Transceiver

DESCRIPTION The DCM (telematics transceiver) sends a mute signal to the stereo component amplifier assembly. The stereo component amplifier assembly controls the volume according to the mute signal fr

 No Sound can be Heard from Speakers

PROCEDURE 1. CHECK AUDIO SETTINGS (a) In sound output setting mode, set volume, fader and balance to the initial values and check that the sound is normal. OK: Audio system returns to normal

SEE MORE:

 Drive Motor "A" Inverter Voltage Sensor(VH) Circuit Voltage Above Threshold (P0C7917)

DTC SUMMARY MALFUNCTION DESCRIPTION If an overvoltage malfunction occurs in the motor inverter or generator inverter, the motor generator control ECU (MG ECU) detects the malfunction and stores this DTC. The cause of this malfunction may be one of the following: Area Main Malfunction Descriptio

 ABS Pump Motor Supply Voltage Circuit Short to Ground or Open (C052F14)

DESCRIPTION The ABS motor relay is built into the brake actuator assembly. When the skid control ECU (brake actuator assembly) operates ABS, TRAC, VSC, brake hold, or brake assist, the ABS motor relay turns ON and drives the motor pump built into the brake actuator assembly. DTC No. Detection I

© 2016-2026 Copyright www.lexguide.net