Lexus ES manuals

Lexus ES: Luggage Compartment Door Opener does not Operate

DESCRIPTION

The main body ECU (multiplex network body ECU) receives switch signals from the trunk and fuel switch assembly (luggage compartment door opening switch) the luggage door opening cancel switch, and operates the luggage compartment door lock assembly to open the luggage compartment door.

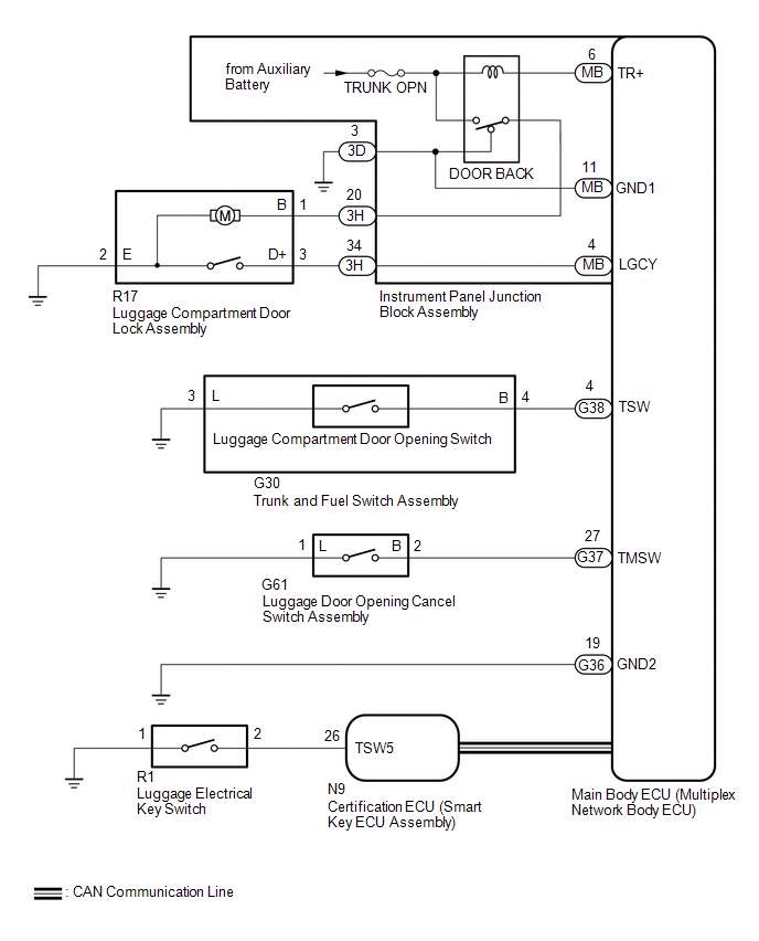
WIRING DIAGRAM

CAUTION / NOTICE / HINT

NOTICE:

  • The luggage compartment door opener system uses the CAN communication system. First, confirm that there is no malfunction in the CAN communication system. Refer to the How to Proceed with Troubleshooting procedure.

    Click here

  • Before replacing the main body ECU (multiplex network body ECU) or certification ECU (smart key ECU assembly), refer to Registration.

    Click here

  • Inspect the fuses for circuits related to this system before performing the following procedure.

PROCEDURE

1.

CHECK POWER DOOR LOCK CONTROL SYSTEM

(a) Check power door lock control system operation.

Click here

OK:

Power door lock control system is normal.

NG

GO TO POWER DOOR LOCK CONTROL SYSTEM

OK

2.

CHECK WIRELESS DOOR LOCK CONTROL SYSTEM

(a) Check wireless door lock control system operation.

Click here

OK:

Wireless door lock control system is normal.

NG

GO TO WIRELESS DOOR LOCK CONTROL SYSTEM

OK

3.

PERFORM ACTIVE TEST USING TECHSTREAM (TRUNK AND BACK-DOOR OPEN)

(a) Connect the Techstream to the DLC3.

(b) Turn the power switch on (IG).

(c) Turn the Techstream on.

(d) Enter the following menus: Body Electrical / Main Body / Active Test.

(e) Perform the Active Test according to the display on the Techstream.

Body Electrical > Main Body > Active Test

Tester Display

Measurement Item

Control Range

Diagnostic Note

Trunk and Back-Door Open

Operate luggage compartment door lock assembly latch release

OFF or ON

-

Body Electrical > Main Body > Active Test

Tester Display

Trunk and Back-Door Open

OK:

Luggage compartment door lock assembly latch release motor operates normally.

NG

GO TO STEP 10

OK

4.

READ VALUE USING TECHSTREAM (TRUNK/BDOOR OPEN SW, TRUNK MAIN SW, LUGGAGE COURTESY SW)

(a) Enter the following menus: Body Electrical / Main Body / Data List.

(b) Read the Data List according to the display on the Techstream.

Body Electrical > Main Body > Data List

Tester Display

Measurement Item

Range

Normal Condition

Diagnostic Note

Trunk/BDoor Open SW

Luggage compartment door opening switch signal

OFF or ON

OFF: Luggage compartment door opening switch off

ON: Luggage compartment door opening switch on

-

Trunk Main SW

Luggage door opening cancel switch signal

OFF or ON

OFF: Luggage door opening cancel switch off

ON: Luggage door opening cancel switch on

-

Luggage Courtesy SW

Luggage compartment door courtesy light switch signal

OFF or ON

OFF: Luggage compartment door courtesy light switch off

ON: Luggage compartment door courtesy light switch on

-

Body Electrical > Main Body > Data List

Tester Display

Trunk/BDoor Open SW

Trunk Main SW

Luggage Courtesy SW

OK:

The Techstream display changes correctly in response to the ON/OFF operation of the luggage compartment door opening switch or luggage compartment door courtesy light switch.

Result

Proceed to

OK

A

NG (Trunk/BDoor Open SW)

B

NG (Trunk Main SW)

C

NG (Luggage Courtesy SW)

D

B

GO TO STEP 6

C

GO TO STEP 8

D

GO TO LIGHTING SYSTEM

A

5.

READ VALUE USING TECHSTREAM (TR/B-DOOR UNLOCK SW)

(a) Enter the following menus: Body Electrical / Smart Access / Data List.

(b) Read the Data List according to the display on the Techstream.

Body Electrical > Smart Access > Data List

Tester Display

Measurement Item

Range

Normal Condition

Diagnostic Note

Tr/B-Door Unlock SW

Luggage electrical key switch

OFF or ON

OFF: Luggage electrical key switch not pressed

ON: Luggage electrical key switch pressed

When this item is abnormal, there is a malfunction in the luggage electrical key switch or related parts.

OK:

The Techstream display changes correctly in response to the operation of the luggage electrical key switch.

OK

REPLACE MAIN BODY ECU (MULTIPLEX NETWORK BODY ECU)

NG

GO TO SMART ACCESS SYSTEM (for Entry Function)

6.

INSPECT TRUNK AND FUEL SWITCH ASSEMBLY (LUGGAGE COMPARTMENT DOOR OPENING SWITCH)

(a) Remove the trunk and fuel switch assembly (luggage compartment door opening switch).

Click here

(b) Inspect the trunk and fuel switch assembly (luggage compartment door opening switch).

Click here

NG

REPLACE TRUNK AND FUEL SWITCH ASSEMBLY (LUGGAGE COMPARTMENT DOOR OPENING SWITCH)

OK

7.

CHECK HARNESS AND CONNECTOR (MAIN BODY ECU (MULTIPLEX NETWORK BODY ECU) - TRUNK AND FUEL SWITCH ASSEMBLY AND BODY GROUND)

(a) Disconnect the G38 main body ECU (multiplex network body ECU) connector.

(b) Measure the resistance according to the value(s) in the table below.

Standard Resistance:

Tester Connection

Condition

Specified Condition

G38-4 (TSW) - G30-4 (B)

Always

Below 1 Ω

G30-3 (L) - Body ground

Always

Below 1 Ω

G38-4 (TSW) or G30-4 (B) - Body ground

Always

10 kΩ or higher

OK

REPLACE MAIN BODY ECU (MULTIPLEX NETWORK BODY ECU)

NG

REPAIR OR REPLACE HARNESS OR CONNECTOR

8.

INSPECT TRUNK AND FUEL SWITCH ASSEMBLY (LUGGAGE COMPARTMENT DOOR OPENING SWITCH)

(a) Remove the trunk and fuel switch assembly (luggage compartment door opening switch).

Click here

(b) Inspect the trunk and fuel switch assembly (luggage compartment door opening switch).

Click here

NG

REPLACE TRUNK AND FUEL SWITCH ASSEMBLY (LUGGAGE COMPARTMENT DOOR OPENING SWITCH)

OK

9.

CHECK HARNESS AND CONNECTOR (MAIN BODY ECU (MULTIPLEX NETWORK BODY ECU) - LUGGAGE DOOR OPENING CANCEL SWITCH ASSEMBLY AND BODY GROUND)

(a) Disconnect the G37 main body ECU (multiplex network body ECU) connector.

(b) Measure the resistance according to the value(s) in the table below.

Standard Resistance:

Tester Connection

Condition

Specified Condition

G37-27 (TMSW) - G61-2 (B)

Always

Below 1 Ω

G61-1 (L) - Body ground

Always

Below 1 Ω

G37-27 (TMSW) or G61-2 (B) - Body ground

Always

10 kΩ or higher

OK

REPLACE MAIN BODY ECU (MULTIPLEX NETWORK BODY ECU)

NG

REPAIR OR REPLACE HARNESS OR CONNECTOR

10.

INSPECT LUGGAGE COMPARTMENT DOOR LOCK ASSEMBLY

(a) Remove the luggage compartment door lock assembly.

Click here

(b) Inspect the luggage compartment door lock assembly.

Click here

NG

REPLACE LUGGAGE COMPARTMENT DOOR LOCK ASSEMBLY

OK

11.

CHECK HARNESS AND CONNECTOR (LUGGAGE COMPARTMENT DOOR LOCK ASSEMBLY - INSTRUMENT PANEL JUNCTION BLOCK ASSEMBLY AND BODY GROUND)

(a) Disconnect the 3H instrument panel junction block assembly connector.

(b) Measure the resistance according to the value(s) in the table below.

Standard Resistance:

Tester Connection

Condition

Specified Condition

R17-3 (D+) - 3H-34

Always

Below 1 Ω

R17-1 (B) - 3H-20

Always

Below 1 Ω

R17-2 (E) - Body ground

Always

Below 1 Ω

R17-3 (D+) or 3H-34 - Body ground

Always

10 kΩ or higher

R17-1 (B) or 3H-20 - Body ground

Always

10 kΩ or higher

NG

REPAIR OR REPLACE HARNESS OR CONNECTOR

OK

12.

CHECK INSTRUMENT PANEL JUNCTION BLOCK ASSEMBLY

(a) Temporarily replace the instrument panel junction block assembly with a new or known good one.

Click here

(b) Check that the luggage door opener system is normal.

OK

END (INSTRUMENT PANEL JUNCTION BLOCK ASSEMBLY WAS DEFECTIVE)

NG

REPLACE MAIN BODY ECU (MULTIPLEX NETWORK BODY ECU)

READ NEXT:

 Luggage Compartment Door Support

 Components

COMPONENTS ILLUSTRATION *1 LUGGAGE COMPARTMENT FLOOR MAT *2 SPARE WHEEL COVER TRAY ILLUSTRATION *1 REAR FLOOR FINISH PLATE *2 LUGGAGE HOLD BELT STRIKER ASSEMBLY ILLUSTRATION

 Removal

REMOVAL CAUTION / NOTICE / HINT CAUTION: If the luggage compartment door support assembly is removed, the luggage compartment door will slam shut. Make sure to support the luggage compartment door by

SEE MORE:

 UART Communication Between ANC and Audio Amplifier Missing Message (B1AA187)

DESCRIPTION This DTC is stored when an UART communication error occurs between the stereo component equalizer assembly and stereo component amplifier assembly. DTC No. Detection Item DTC Detection Condition Trouble Area B1AA187 UART Communication Between ANC and Audio Amplifier Missin

 Sound Signal Circuit between Radio Receiver and Stereo Component Amplifier

DESCRIPTION The radio receiver assembly sends a sound signal to the stereo component amplifier assembly via this circuit. The sound signal that has been sent is amplified by the stereo component amplifier assembly, and then is sent to the speakers. If there is an open or short in the circuit, sound

© 2016-2025 Copyright www.lexguide.net