Lexus ES manuals

Lexus ES: Image from Camera for Panoramic View Monitor is Abnormal

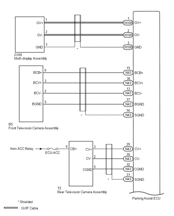
DESCRIPTION

The display signal from each camera is transmitted to the multi-display assembly via the parking assist ECU.

WIRING DIAGRAM

CAUTION / NOTICE / HINT

NOTICE:

  • When "!" is displayed on the multi-display assembly after the cable is disconnected from the negative (-) auxiliary battery terminal, correct the steering angle neutral point.

    Click here

  • Depending on the parts that are replaced or operations that are performed during vehicle inspection or maintenance, calibration of other systems as well as the panoramic view monitor system may be needed.

    Click here

HINT:

Images may be unclear even in normal conditions if:
  • Electrical devices are used in the cabin (noise may occur in the image).
  • The camera lens is frosted over (the image immediately after turning the power switch on (IG) may be blurred or darker than normal).
  • The camera lens is dirty with snow, mud, etc.
  • A strong beam of light, such as a sunbeam or headlight, hits the camera.
  • It is too dark around the camera (at night, etc.).
  • The ambient temperature around the camera is either too high or too low.
  • The vehicle is tilted at a steep angle.
  • The television camera assembly lens is scratched.
  • The television camera assembly lens has drops of water on it or the humidity is high.
  • When the camera is used under fluorescent lights, sodium lights, or mercury lights, etc., the lights and the illuminated area may appear to flicker.

PROCEDURE

1.

CHECK PANORAMIC VIEW MONITOR SYSTEM

(a) Check if the same malfunction occurs when the panoramic view monitor screen is displayed.

Result

Proceed to

Rear view screen is not displayed.

A

Front view screen is not displayed.

B

Left side monitor screen is not displayed.

C

Right side monitor screen is not displayed.

D

Panoramic view monitor screen is not displayed.

E

B

GO TO STEP 6

C

GO TO STEP 10

D

GO TO STEP 15

E

GO TO STEP 20

A

2.

CHECK HARNESS AND CONNECTOR (PARKING ASSIST ECU - REAR TELEVISION CAMERA ASSEMBLY)

Click here

NG

REPAIR OR REPLACE HARNESS OR CONNECTOR

OK

3.

CHECK HARNESS AND CONNECTOR (ACC POWER SUPPLY - GROUND)

Click here

NG

REPLACE PARKING ASSIST ECU

OK

4.

CHECK PARKING ASSIST ECU (CV-, CGND)

Click here

NG

REPLACE PARKING ASSIST ECU

OK

5.

CHECK REAR TELEVISION CAMERA ASSEMBLY (CV+, CGND)

Click here

OK

REPLACE PARKING ASSIST ECU

NG

REPLACE REAR TELEVISION CAMERA ASSEMBLY

6.

CHECK HARNESS AND CONNECTOR (PARKING ASSIST ECU - FRONT TELEVISION CAMERA ASSEMBLY)

Click here

NG

REPAIR OR REPLACE HARNESS OR CONNECTOR

OK

7.

CHECK PARKING ASSIST ECU (BCV-, BGND)

Click here

OK

REPLACE PARKING ASSIST ECU

NG

8.

CHECK PARKING ASSIST ECU (BCB+, BGND)

Click here

NG

REPLACE PARKING ASSIST ECU

OK

9.

CHECK FRONT TELEVISION CAMERA ASSEMBLY (BCV+, BGND)

Click here

OK

REPLACE PARKING ASSIST ECU

NG

REPLACE FRONT TELEVISION CAMERA ASSEMBLY

10.

CHECK HARNESS AND CONNECTOR (PARKING ASSIST ECU - OUTER REAR VIEW MIRROR ASSEMBLY LH)

Click here

NG

REPAIR OR REPLACE HARNESS OR CONNECTOR

OK

11.

CHECK PARKING ASSIST ECU (LCV-, LGND)

Click here

NG

REPLACE PARKING ASSIST ECU

OK

12.

CHECK PARKING ASSIST ECU (LCB+, LGND)

Click here

NG

REPLACE PARKING ASSIST ECU

OK

13.

CHECK SIDE TELEVISION CAMERA ASSEMBLY LH (LCV+, LGND)

Click here

OK

REPLACE PARKING ASSIST ECU

NG

14.

CHECK SIDE TELEVISION CAMERA ASSEMBLY RH

(a) Replace the side television camera assembly LH with a new or normally functioning one.

Click here

(b) Check if the same malfunction reoccurs when the side monitor screen is displayed.

Result

Proceed to

Malfunction does not reoccur (returns to normal)

A

Malfunction reoccurs

B

A

END (SIDE TELEVISION CAMERA ASSEMBLY LH WAS DEFECTIVE)

B

REPLACE OUTER REAR VIEW MIRROR ASSEMBLY LH

15.

CHECK HARNESS AND CONNECTOR (PARKING ASSIST ECU - OUTER REAR VIEW MIRROR ASSEMBLY RH)

Click here

NG

REPAIR OR REPLACE HARNESS OR CONNECTOR

OK

16.

CHECK PARKING ASSIST ECU (RCV-, RGND)

Click here

NG

REPLACE PARKING ASSIST ECU

OK

17.

CHECK PARKING ASSIST ECU (RCB+, RGND)

Click here

NG

REPLACE PARKING ASSIST ECU

OK

18.

CHECK SIDE TELEVISION CAMERA ASSEMBLY RH (RCV+, RGND)

Click here

OK

REPLACE PARKING ASSIST ECU

NG

19.

CHECK SIDE TELEVISION CAMERA ASSEMBLY RH

(a) Replace the side television camera assembly RH with a new or normally functioning one.

Click here

(b) Check if the same malfunction reoccurs when the side monitor screen is displayed.

Result

Proceed to

Malfunction does not reoccur (returns to normal)

A

Malfunction reoccurs

B

A

END (SIDE TELEVISION CAMERA ASSEMBLY RH WAS DEFECTIVE)

B

REPLACE OUTER REAR VIEW MIRROR ASSEMBLY RH

20.

CHECK HARNESS AND CONNECTOR (GVIF CABLE)

(a) Replace the GVIF cable with a new or normally functioning one.

(b) Check if the same malfunction reoccurs when the panoramic view monitor screen is displayed.

OK:

Malfunction does not reoccur (returns to normal).

OK

END (GVIF CABLE IS DEFECTIVE)

NG

21.

CHECK MULTI-DISPLAY ASSEMBLY

(a) Replace the multi-display assembly with a new or normally functioning one.

Click here

(b) Check if the same malfunction reoccurs when the panoramic view monitor screen is displayed.

OK:

Malfunction does not reoccur (returns to normal).

OK

END (MULTI-DISPLAY ASSEMBLY)

NG

REPLACE PARKING ASSIST ECU

READ NEXT:

 Initialization

INITIALIZATION INITIALIZE PANORAMIC VIEW MONITOR SYSTEM (a) When "!" is displayed on the multi-display assembly, correct the steering angle neutral point using the following method. (1) Fully turn the

 Parts Location

PARTS LOCATION ILLUSTRATION *1 FRONT TELEVISION CAMERA ASSEMBLY *2 SIDE TELEVISION CAMERA ASSEMBLY RH *3 SIDE TELEVISION CAMERA ASSEMBLY LH *4 BRAKE BOOSTER WITH MASTER CYLINDER AS

 Precaution

PRECAUTION PRECAUTION FOR DISCONNECTING CABLE FROM NEGATIVE AUXILIARY BATTERY TERMINAL NOTICE: When disconnecting the cable from the negative (-) auxiliary battery terminal, initialize the following s

SEE MORE:

 Front Passenger Side Power Window does not Operate with Front Passenger Side Power Window Switch

DESCRIPTION When the engine switch is on (IG), the power window regulator motor assembly (for front passenger door) is operated by the power window regulator switch assembly. The power window regulator motor assembly (for front passenger door) has motor, regulator, and ECU functions. WIRING DIAGRAM

 USB Device Malfunction (B1585)

DESCRIPTION This DTC is stored when a malfunction occurs in a connected device. DTC No. Detection Item DTC Detection Condition Trouble Area B1585 USB Device Malfunction When any of the following conditions is met: A non mass-storage class or incompatible protocol USB device is co

© 2016-2025 Copyright www.lexguide.net