Lexus ES manuals

Lexus ES: Headlight Swivel ECU LH Communication (B2410,B2411)

Lexus ES (XZ10) Service Manual / Vehicle Exterior / Lighting (ext) / Lighting System (for Hv Model) / Headlight Swivel ECU LH Communication (B2410,B2411)

DESCRIPTION

Each headlight ECU sub-assembly and headlight swivel motor communicate via LIN communication.

The headlight swivel motor operates according to power supplied and automatic headlight beam level control signals from its respective headlight ECU sub-assembly and sends its operating state to the headlight ECU sub-assembly.

DTC No.

Detection Item

DTC Detection Condition

Trouble Area

DTC Output from

B2410

Headlight Swivel ECU LH Communication

  • The power switch is on (IG).
  • LIN communication error
  • 10 seconds or more
  • Headlight unit assembly LH
  • Headlight unit assembly RH
  • Harness or connector
  • Headlight ECU sub-assembly LH
  • Headlight ECU sub-assembly RH

AFS

B2411

Headlight Swivel ECU RH Communication

  • The power switch is on (IG).
  • LIN communication error
  • 10 seconds or more
  • Headlight unit assembly RH
  • Headlight unit assembly LH
  • Harness or connector
  • Headlight ECU sub-assembly RH
  • Headlight ECU sub-assembly LH

AFS

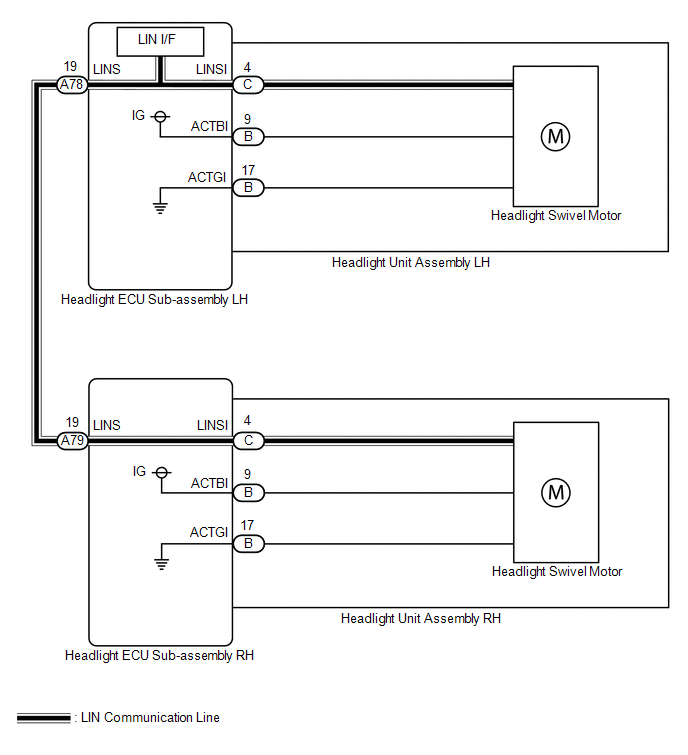
WIRING DIAGRAM

CAUTION / NOTICE / HINT

NOTICE:

  • If the headlight ECU sub-assembly LH has been replaced, it is necessary to synchronize the vehicle information and initialize the headlight ECU sub-assembly LH.

    Click here

  • When replacing the headlight ECU sub-assembly LH, always replace it with a new one. If a headlight ECU sub-assembly LH which was installed to another vehicle is used, the information stored in it will not match the information from the vehicle and a DTC may be stored.

PROCEDURE

1.

CLEAR DTC

(a) Connect the Techstream to the DLC3.

(b) Turn the power switch on (IG).

(c) Turn the Techstream on.

(d) Enter the following menus: Body Electrical / AFS / Trouble Codes.

(e) Clear the DTCs.

Body Electrical > AFS > Clear DTCs
NEXT

2.

CHECK FOR DTC

(a) Connect the Techstream to the DLC3.

(b) Turn the power switch on (IG).

(c) Wait 10 seconds or more.

(d) Turn the Techstream on.

(e) Enter the following menus: Body Electrical / AFS / Trouble Codes.

(f) Check for DTCs.

Body Electrical > AFS > Trouble Codes

OK:

DTC B2410 and B2411 are not output.

Result

Proceed to

OK

A

NG (DTC B2410 is output)

B

NG (DTC B2411 is output)

C

NG (DTC B2410 and B2411 are output)

D

A

USE SIMULATION METHOD TO CHECK

C

GO TO STEP 4

D

GO TO STEP 7

B

3.

INSPECT HEADLIGHT ECU SUB-ASSEMBLY LH

*a

Component without harness connected

(Headlight ECU Sub-assembly LH)

-

-

(a) Remove the headlight ECU sub-assembly LH.

Click here

(b) Measure the resistance according to the value(s) in the table below.

Standard Resistance:

Tester Connection

Condition

Specified Condition

A78-19 (LINS) - C-4 (LINSI)

Always

Below 1 Ω

OK

REPLACE HEADLIGHT UNIT ASSEMBLY LH

NG

REPLACE HEADLIGHT ECU SUB-ASSEMBLY LH

4.

CHECK HARNESS AND CONNECTOR (HEADLIGHT ECU SUB-ASSEMBLY LH - HEADLIGHT ECU SUB-ASSEMBLY RH)

(a) Disconnect the A78 headlight ECU sub-assembly LH connector.

(b) Disconnect the A79 headlight ECU sub-assembly RH connector.

(c) Measure the resistance according to the value(s) in the table below.

Standard Resistance:

Tester Connection

Condition

Specified Condition

A78-19 (LINS) - A79-19 (LINS)

Always

Below 1 Ω

NG

REPAIR OR REPLACE HARNESS OR CONNECTOR

OK

5.

CHECK HEADLIGHT ECU SUB-ASSEMBLY LH (LINS TERMINAL SIGNAL OUTPUT)

*a

Front view of wire harness connector

(to Headlight ECU Sub-assembly RH)

(a) Connect the A78 headlight ECU sub-assembly LH connector.

(b) Using a Techstream, check the waveform.

OK:

Tester Connection

Condition

Specified Condition

A79-19 (LINS) - Body ground

Power switch on (IG)

Pulse generation

NG

REPLACE HEADLIGHT ECU SUB-ASSEMBLY LH

OK

6.

INSPECT HEADLIGHT ECU SUB-ASSEMBLY RH

*a

Component without harness connected

(Headlight ECU Sub-assembly RH)

-

-

(a) Remove the headlight ECU sub-assembly RH.

Click here

(b) Measure the resistance according to the value(s) in the table below.

Standard Resistance:

Tester Connection

Condition

Specified Condition

A79-19 (LINS) - C-4 (LINSI)

Always

Below 1 Ω

OK

REPLACE HEADLIGHT UNIT ASSEMBLY RH

NG

REPLACE HEADLIGHT ECU SUB-ASSEMBLY RH

7.

CHECK HARNESS AND CONNECTOR (HEADLIGHT ECU SUB-ASSEMBLY LH - HEADLIGHT ECU SUB-ASSEMBLY RH)

(a) Disconnect the A78 headlight ECU sub-assembly LH connector.

(b) Disconnect the A79 headlight ECU sub-assembly RH connector.

(c) Measure the resistance according to the value(s) in the table below.

Standard Resistance:

Tester Connection

Condition

Specified Condition

A78-19 (LINS) or A79-19 (LINS) - Body ground

Always

10 kΩ or higher

NG

REPAIR OR REPLACE HARNESS OR CONNECTOR

OK

8.

CLEAR DTC

(a) Connect the A78 headlight ECU sub-assembly LH connector.

(b) Connect the Techstream to the DLC3.

(c) Turn the power switch on (IG).

(d) Turn the Techstream on.

(e) Enter the following menus: Body Electrical / AFS / Trouble Codes.

(f) Clear the DTCs.

Body Electrical > AFS > Clear DTCs
NEXT

9.

CHECK FOR DTC

(a) Connect the Techstream to the DLC3.

(b) Turn the power switch on (IG).

(c) Wait 10 seconds or more.

(d) Turn the Techstream on.

(e) Enter the following menus: Body Electrical / AFS / Trouble Codes.

(f) Check for DTCs.

Body Electrical > AFS > Trouble Codes

Result

Proceed to

DTC B2411 is output

A

DTC B2410 and B2411 are output

B

B

GO TO STEP 13

A

10.

CHECK HEADLIGHT ECU SUB-ASSEMBLY RH

(a) Remove the headlight ECU sub-assembly RH.

Click here

(b) Connect the A79 headlight ECU sub-assembly RH connector.

NEXT

11.

CLEAR DTC

(a) Connect the Techstream to the DLC3.

(b) Turn the power switch on (IG).

(c) Turn the Techstream on.

(d) Enter the following menus: Body Electrical / AFS / Trouble Codes.

(e) Clear the DTCs.

Body Electrical > AFS > Clear DTCs
NEXT

12.

CHECK FOR DTC

(a) Connect the Techstream to the DLC3.

(b) Turn the power switch on (IG).

(c) Wait 10 seconds or more.

(d) Turn the Techstream on.

(e) Enter the following menus: Body Electrical / AFS / Trouble Codes.

(f) Check for DTCs.

Body Electrical > AFS > Trouble Codes

Result

Proceed to

DTC B2411 is output

A

DTC B2410 and B2411 are output

B

A

REPLACE HEADLIGHT UNIT ASSEMBLY RH

B

REPLACE HEADLIGHT ECU SUB-ASSEMBLY RH

13.

CHECK HEADLIGHT ECU SUB-ASSEMBLY LH

(a) Remove the headlight ECU sub-assembly LH.

Click here

(b) Connect the A78 headlight ECU sub-assembly LH connector.

(c) Connect the A79 headlight ECU sub-assembly RH connector.

NEXT

14.

CLEAR DTC

(a) Connect the Techstream to the DLC3.

(b) Turn the power switch on (IG).

(c) Turn the Techstream on.

(d) Enter the following menus: Body Electrical / AFS / Trouble Codes.

(e) Clear the DTCs.

Body Electrical > AFS > Clear DTCs
NEXT

15.

CHECK FOR DTC

(a) Connect the Techstream to the DLC3.

(b) Turn the power switch on (IG).

(c) Wait 10 seconds or more.

(d) Turn the Techstream on.

(e) Enter the following menus: Body Electrical / AFS / Trouble Codes.

(f) Check for DTCs.

Body Electrical > AFS > Trouble Codes

Result

Proceed to

DTC B2410 is output

A

DTC B2410 and B2411 are output

B

A

REPLACE HEADLIGHT UNIT ASSEMBLY LH

B

REPLACE HEADLIGHT ECU SUB-ASSEMBLY LH

READ NEXT:

 Headlight Swivel Motor LH (B2412,B2413,B2417,B2418)

DESCRIPTION The headlight ECU sub-assembly LH sends automatic headlight beam level control signals to each headlight swivel motor and headlight leveling motor via LIN communication. Each headlight ECU

 Steering Position Sensor (B2414)

DESCRIPTION The headlight ECU sub-assembly LH receives steering angle signals from the steering sensor via CAN communication and performs light control. for LED Type Turn Signal Light DTC No. Det

 Vehicle Speed Sensor (B2415)

DESCRIPTION The headlight ECU sub-assembly LH receives speed signals from the skid control ECU (brake booster with master cylinder assembly) via CAN communication and performs light control. for LED T

SEE MORE:

 Drive Motor "A" Phase U-V-W Current Sensor Signal Compare Failure (P0BFD62,P1C671F)

DTC SUMMARY MALFUNCTION DESCRIPTION These DTCs indicate that the current sensor value is abnormal. The cause of this malfunction may be one of the following: Internal inverter malfunction Current sensor malfunction Inverter with converter assembly internal circuit malfunction DESCRIPTION

 Fail-safe Chart

FAIL-SAFE CHART DTC Trouble Area Brake System Warning Light (Yellow) Parking Brake Indicator Light (Red) Fail-safe Deactivation Condition C1245 Deceleration sensor data malfunction Illuminates Normal 20 seconds after power switch turned off C13A0 Open in power supply rel

© 2016-2026 Copyright www.lexguide.net