Lexus ES manuals

Lexus ES: Fuel Rail Pressure Sensor (Low) Circuit Short to Ground (P107A11)

Lexus ES (XZ10) Service Manual / Engine & Hybrid System / A25a-fxs (engine Control) / Sfi System / Fuel Rail Pressure Sensor (Low) Circuit Short to Ground (P107A11)

DESCRIPTION

The No. 2 fuel pressure sensor (for low pressure side) replaces the fuel pressure with electrical signals and outputs them to the ECM. The ECM controls the optimal fuel pressure for the operation conditions to reduce the fuel pump power consumption and improve fuel economy.

DTC No.

Detection Item

DTC Detection Condition

Trouble Area

MIL

Memory

Note

P107A11

Fuel Rail Pressure Sensor (Low) Circuit Short to Ground

The No. 2 fuel pressure sensor (for low pressure side) output voltage is less than 0.43 V for 3 seconds or more (1 trip detection logic).

  • Open or short in No. 2 fuel pressure sensor (for low pressure side) circuit
  • No. 2 fuel pressure sensor (for low pressure side)
  • ECM

Comes on

DTC stored

SAE Code: P107C

HINT:

When this DTC is output, check the fuel pressure (for low pressure side) in the Data List. Enter the following menus: Powertrain / Engine / Data List / Fuel Pressure (Low) / Fuel Pressure 2.

DTC No.

Fuel Pressure (Low) / Fuel Pressure 2

Malfunction

P107A11

Approximately 0 kPa

  • Short to ground in PFL circuit
  • Short in PFL to EPFL circuit
  • Open in VCPF circuit

If the Data List value is normal it may be due to a temporary recovery from the malfunction condition. Check for intermittent problems.

Click here

MONITOR DESCRIPTION

This DTC is stored if the No. 2 fuel pressure sensor (for low pressure side) output voltage is out of the standard range due to an open or short in the sensor circuit.

MONITOR STRATEGY

Related DTCs

P107C: Fuel rail pressure sensor range check (Low voltage)

Required Sensors/Components (Main)

No. 2 fuel pressure sensor (for low pressure side)

Required Sensors/Components (Related)

-

Frequency of Operation

Continuous

Duration

3 seconds

MIL Operation

Immediate

Sequence of Operation

None

TYPICAL ENABLING CONDITIONS

Monitor runs whenever the following DTCs are not stored

None

All of the following conditions are met

-

Auxiliary battery voltage

8 V or higher

Power switch

On (IG)

Time after engine start

2 seconds or more

TYPICAL MALFUNCTION THRESHOLDS

Fuel rail pressure sensor voltage

Less than 0.43 V

CONFIRMATION DRIVING PATTERN

HINT:

  • After repair has been completed, clear the DTC and then check that the vehicle has returned to normal by performing the following All Readiness check procedure.

    Click here

  • When clearing the permanent DTCs, refer to the "CLEAR PERMANENT DTC" procedure.

    Click here

  1. Connect the Techstream to the DLC3.
  2. Turn the power switch on (IG).
  3. Turn the Techstream on.
  4. Clear the DTCs (even if no DTCs are stored, perform the clear DTC procedure).
  5. Turn the power switch off and wait for at least 30 seconds.
  6. Turn the power switch on (IG).
  7. Turn the Techstream on.
  8. Put the engine in Inspection Mode (Maintenance Mode).

    Click here

  9. Start the engine.
  10. Idle the engine for 10 seconds or more [A].
  11. Enter the following menus: Powertrain / Engine / Trouble Codes [B].
  12. Read the pending DTCs.

    HINT:

    • If a pending DTC is output, the system is malfunctioning.
    • If a pending DTC is not output, perform the following procedure.
  13. Enter the following menus: Powertrain / Engine / Utility / All Readiness.
  14. Input the DTC: P107A11.
  15. Check the DTC judgment result.

    Techstream Display

    Description

    NORMAL

    • DTC judgment completed
    • System normal

    ABNORMAL

    • DTC judgment completed
    • System abnormal

    INCOMPLETE

    • DTC judgment not completed
    • Perform driving pattern after confirming DTC enabling conditions

    HINT:

    • If the judgment result is NORMAL, the system is normal.
    • If the judgment result is ABNORMAL, the system has a malfunction.
    • If the judgment result is INCOMPLETE, perform steps [A] through [B] again.
    • [A] to [B]: Normal judgment procedure.

      The normal judgment procedure is used to complete DTC judgment and also used when clearing permanent DTCs.

    • When clearing the permanent DTCs, do not disconnect the cable from the auxiliary battery terminal or attempt to clear the DTCs during this procedure, as doing so will clear the universal trip and normal judgment histories.

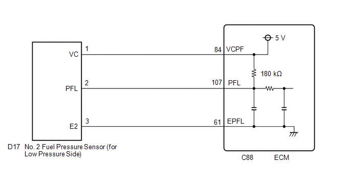
WIRING DIAGRAM

CAUTION / NOTICE / HINT

NOTICE:

  • Vehicle Control History may be stored in the hybrid vehicle control ECU assembly if the engine is malfunctioning. Certain vehicle condition information is recorded when Vehicle Control History is stored. Reading the vehicle conditions recorded in both the Freeze Frame Data and Vehicle Control History can be useful for troubleshooting.

    Click here

    (Select Powertrain in Health Check and then check the time stamp data.)

    Click here

  • If any "Engine Malfunction" Vehicle Control History item has been stored in the hybrid vehicle control ECU assembly, make sure to clear it. However, as all Vehicle Control History items are cleared simultaneously, if any Vehicle Control History items other than "Engine Malfunction" are stored, make sure to perform any troubleshooting for them before clearing Vehicle Control History.

    Click here

HINT:

Read Freeze Frame Data using the Techstream. The ECM records vehicle and driving condition information as Freeze Frame Data the moment a DTC is stored. When troubleshooting, Freeze Frame Data can help determine if the vehicle was moving or stationary, if the engine was warmed up or not, if the air fuel ratio was lean or rich, and other data from the time the malfunction occurred.

PROCEDURE

1.

CHECK HARNESS AND CONNECTOR

*a

Front view of wire harness connector

(to No. 2 Fuel Pressure Sensor (for Low Pressure Side))

HINT:

Make sure that the connector is properly connected. If it is not, securely connect it and check for DTCs again.

(a) Disconnect the No. 2 fuel pressure sensor (for low pressure side) connector.

(b) Turn the power switch on (IG).

(c) Measure the voltage according to the value(s) in the table below.

Standard Voltage:

Tester Connection

Condition

Specified Condition

D17-1 (VC) - D17-3 (E2)

Power switch on (IG)

4.75 to 5.25 V

D17-2 (PFL) - D17-3 (E2)

Power switch on (IG)

4.4 to 5.6 V

(d) Turn the power switch off and wait for at least 30 seconds.

(e) Measure the resistance according to the value(s) in the table below.

Standard Resistance:

Tester Connection

Condition

Specified Condition

D17-1 (VC) - D17-2 (PFL)

Power switch off

171 to 189 kΩ

HINT:

Perform "Inspection After Repair" after replacing the No. 2 fuel pressure sensor (for low pressure side).

Click here

OK

REPLACE NO. 2 FUEL PRESSURE SENSOR (FOR LOW PRESSURE SIDE)

NG

2.

CHECK HARNESS AND CONNECTOR (NO. 2 FUEL PRESSURE SENSOR (FOR LOW PRESSURE SIDE) - ECM)

(a) Disconnect the No. 2 fuel pressure sensor (for low pressure side) connector.

(b) Disconnect the ECM connector.

(c) Measure the resistance according to the value(s) in the table below.

Standard Resistance:

Tester Connection

Condition

Specified Condition

D17-1 (VC) - C88-84 (VCPF)

Always

Below 1 Ω

D17-2 (PFL) or C88-107 (PFL) - Body ground and other terminals

Always

10 kΩ or higher

OK

REPLACE ECM

NG

REPAIR OR REPLACE HARNESS OR CONNECTOR

READ NEXT:

 Fuel Rail Pressure Sensor (Low) Circuit Short to Battery or Open (P107A15)

DESCRIPTION Refer to DTC P107A11. Click here DTC No. Detection Item DTC Detection Condition Trouble Area MIL Memory Note P107A15 Fuel Rail Pressure Sensor (Low) Circuit Short to

 Fuel Rail Pressure Sensor (Low) Signal Stuck in Range (P107A2A,P107A64)

DESCRIPTION Refer to DTC P107A11. Click here DTC No. Detection Item DTC Detection Condition Trouble Area MIL Memory Note P107A2A Fuel Rail Pressure Sensor (Low) Signal Stuck in

 Control Module Internal Temperature Sensor/Intake Air Temperature Sensor Signal Compare Failure (P111C62)

DESCRIPTION The engine has an ECM internal temperature sensor and intake air temperature sensor. The resistance of a thermistor within the ECM internal temperature sensor and intake air temperature se

SEE MORE:

 Control Module Communication Bus OFF (U0073,U0126,U0142,U0182)

DESCRIPTION These DTCs are stored if a CAN communication malfunction occurs between the headlight ECU sub-assembly RH and other ECUs. for LED Type Turn Signal Light DTC No. Detection Item DTC Detection Condition Trouble Area DTC Output from U0073 Control Module Communication Bus OFF

 Pressure Control Solenoid "L" Actuator Stuck Off (P08BA7F)

DESCRIPTION Based on signals from the transmission revolution sensors (NT and NC), the actual gear is detected. The ECM compares the actual gear with the shift schedule in the ECM memory to detect mechanical malfunctions of the solenoid valves, transmission valve body assembly and automatic transaxl

© 2016-2025 Copyright www.lexguide.net