Lexus ES manuals

Lexus ES: Fuel Rail Pressure Sensor "A" Circuit Short to Ground (P019011)

Lexus ES (XZ10) Service Manual / Engine & Hybrid System / 2gr-fks (engine Control) / Sfi System / Fuel Rail Pressure Sensor "A" Circuit Short to Ground (P019011)

DESCRIPTION

The fuel pressure sensor (for high pressure side) is installed on the fuel delivery pipe (for high pressure side). The fuel pressure sensor (for high pressure side) changes the fuel pressure for high pressure side into an electrical signal and sends the signal to the ECM. Then the ECM controls the pump discharge using this feedback to maintain the fuel's target pressure between 2 and 25 MPa (20 and 255 kgf/cm2).

DTC No.

Detection Item

DTC Detection Condition

Trouble Area

MIL

Memory

Note

P019011

Fuel Rail Pressure Sensor "A" Circuit Short to Ground

The fuel pressure sensor (for high pressure side) output voltage is less than 0.2933 V for 3 seconds or more (1 trip detection logic).

  • Open or short in fuel pressure sensor (for high pressure side) circuit
  • Fuel delivery pipe with sensor assembly LH (fuel pressure sensor (for high pressure side))
  • ECM

Comes on

DTC stored

SAE Code: P0192

HINT:

When this DTC is output, check the fuel pressure (for high pressure side) in the Data List. Enter the following menus: Powertrain / Engine / Data List / Fuel Pressure (High).

DTC No.

Fuel Pressure (High)

Malfunction

P019011

Approximately 0 kPag

  • Short to ground in PR circuit
  • Short in PR to ETHW circuit
  • Open in VC circuit

If the Data List values is normal it may be due to a temporary recovery from the malfunction condition. Check for intermittent problems.

MONITOR DESCRIPTION

This DTC is stored if the fuel pressure sensor (for high pressure side) output voltage is out of the standard range due to an open or short in the sensor circuit.

Example:

If the fuel pressure sensor (for high pressure side) output voltage is less than 0.2933 V for 3 seconds or more, the ECM store this DTC.

MONITOR STRATEGY

Related DTCs

P0192: Fuel rail pressure sensor range check (Low voltage)

Required Sensors/Components (Main)

Fuel pressure sensor (for high pressure side)

Required Sensors/Components (Related)

-

Frequency of Operation

Continuous

Duration

3 seconds

MIL Operation

Immediate

Sequence of Operation

None

TYPICAL ENABLING CONDITIONS

Monitor runs whenever the following DTCs are not stored

None

All of the following conditions are met

-

Battery voltage

8 V or higher

Engine switch

On (IG)

Starter

Off

Time after engine start

5 seconds or more

TYPICAL MALFUNCTION THRESHOLDS

Fuel rail pressure sensor voltage

Less than 0.2933 V

CONFIRMATION DRIVING PATTERN

HINT:

  • After repair has been completed, clear the DTC and then check that the vehicle has returned to normal by performing the following All Readiness check procedure.

    Click here

  • When clearing the permanent DTCs, refer to the "CLEAR PERMANENT DTC" procedure.

    Click here

  1. Connect the Techstream to the DLC3.
  2. Turn the engine switch on (IG).
  3. Turn the Techstream on.
  4. Clear the DTCs (even if no DTCs are stored, perform the clear DTC procedure).
  5. Turn the engine switch off and wait for at least 30 seconds.
  6. Start the engine [A].
  7. Idle the engine for 10 seconds [B].
  8. Turn the Techstream on
  9. Enter the following menus: Powertrain / Engine / Trouble Codes [C].
  10. Read the pending DTCs.

    HINT:

    • If a pending DTC is output, the system is malfunctioning.
    • If a pending DTC is not output, perform the following procedure.
  11. Enter the following menus: Powertrain / Engine / Utility / All Readiness.
  12. Input the DTC: P019011.
  13. Check the DTC judgment result.

    Techstream Display

    Description

    NORMAL

    • DTC judgment completed
    • System normal

    ABNORMAL

    • DTC judgment completed
    • System abnormal

    INCOMPLETE

    • DTC judgment not completed
    • Perform driving pattern after confirming DTC enabling conditions

    HINT:

    • If the judgment result shows NORMAL, the system is normal.
    • If the judgment result shows ABNORMAL, the system has a malfunction.
    • If the judgment result shows INCOMPLETE, perform steps [B] through [C] again.
    • [A] to [C]: Normal judgment procedure.

      The normal judgment procedure is used to complete DTC judgment and also used when clearing permanent DTCs.

    • When clearing the permanent DTCs, do not disconnect the cable from the battery terminal or attempt to clear the DTCs during this procedure, as doing so will clear the universal trip and normal judgment histories.

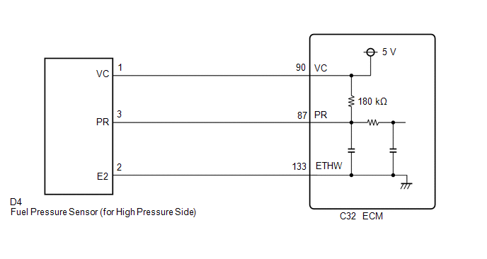
WIRING DIAGRAM

CAUTION / NOTICE / HINT

HINT:

Read freeze frame data using the Techstream. The ECM records vehicle and driving condition information as freeze frame data the moment a DTC is stored. When troubleshooting, freeze frame data can help determine if the vehicle was moving or stationary, if the engine was warmed up or not, if the air fuel ratio was lean or rich, and other data from the time the malfunction occurred.

PROCEDURE

1.

CHECK HARNESS AND CONNECTOR

*a

Front view of wire harness connector

(to Fuel Pressure Sensor (for High Pressure Side))

HINT:

Make sure that the connector is properly connected. If it is not, securely connect it and check for DTCs again.

(a) Disconnect the fuel pressure sensor (for high pressure side) connector.

(b) Turn the engine switch on (IG).

(c) Measure the voltage according to the value(s) in the table below.

Standard Voltage:

Tester Connection

Condition

Specified Condition

D4-1 (VC) - D4-2 (E2)

Engine switch on (IG)

4.75 to 5.25 V

D4-3 (PR) - D4-2 (E2)

Engine switch on (IG)

3.0 to 5.25 V

(d) Turn the engine switch off and wait for at least 30 seconds.

(e) Measure the resistance according to the value(s) in the table below.

Standard Resistance:

Tester Connection

Condition

Specified Condition

D4-1 (VC) - D4-3 (PR)

Engine switch off

171 to 189 kΩ

HINT:

Perform "Inspection After Repair" after replacing the fuel pressure sensor (for high pressure side).

Click here

OK

REPLACE FUEL DELIVERY PIPE WITH SENSOR ASSEMBLY LH (FUEL PRESSURE SENSOR (FOR HIGH PRESSURE SIDE))

NG

2.

CHECK HARNESS AND CONNECTOR (FUEL PRESSURE SENSOR (FOR HIGH PRESSURE SIDE) - ECM)

(a) Disconnect the fuel pressure sensor (for high pressure side) connector.

(b) Disconnect the ECM connector.

(c) Measure the resistance according to the value(s) in the table below.

Standard Resistance:

Tester Connection

Condition

Specified Condition

D4-1 (VC) - C32-90 (VC)

Always

Below 1 Ω

D4-3 (PR) or C32-87 (PR) - Body ground and other terminals

Always

10 kΩ or higher

OK

REPLACE ECM

NG

REPAIR OR REPLACE HARNESS OR CONNECTOR

READ NEXT:

 Fuel Rail Pressure Sensor "A" Circuit Short to Battery or Open (P019015)

DESCRIPTION Refer to DTC P019011. Click here DTC No. Detection Item DTC Detection Condition Trouble Area MIL Memory Note P019015 Fuel Rail Pressure Sensor "A" Circuit Short to B

 Fuel Rail Pressure Sensor "A" Signal Stuck in Range (P01902A,P019064)

DESCRIPTION Refer to DTC P019011. Click here DTC No. Detection Item DTC Detection Condition Trouble Area MIL Memory Note P01902A Fuel Rail Pressure Sensor "A" Signal Stuck in Ra

 Cylinder 1 Injector "A" Circuit Open (P020113-P020613,P062D13)

DESCRIPTION The D-4S system has two fuel injection systems. One is an in-cylinder direct injection system that directly injects pressurized fuel into the combustion chamber. The other is an intake por

SEE MORE:

 Installation

INSTALLATION PROCEDURE 1. INSTALL REAR BUMPER ASSEMBLY (a) w/ Wire Harness: (1) Connect the connector. (b) Engage the 6 claws as shown in the illustration. Install in this Direction (c) Engage the 6 claws as shown in the illustration. Install in this Direction HINT: Use the same

 Rear Power Window RH Auto Up / Down Function does not Operate with Rear Power Window Switch RH

DESCRIPTION If the manual up and down functions operate normally but the auto up and down functions do not, the power window control system may be in fail-safe mode. If power window initialization has not been performed, the auto up and down functions will not operate. Click here WIRING DIAGRAM C

© 2016-2026 Copyright www.lexguide.net