Lexus ES manuals

Lexus ES: Cylinder 1 Injector "A" Circuit Open (P020113-P020613,P062D13)

Lexus ES (XZ10) Service Manual / Engine & Hybrid System / 2gr-fks (engine Control) / Sfi System / Cylinder 1 Injector "A" Circuit Open (P020113-P020613,P062D13)

DESCRIPTION

The D-4S system has two fuel injection systems. One is an in-cylinder direct injection system that directly injects pressurized fuel into the combustion chamber. The other is an intake port injection system. The ECM determines which fuel injection system to use in accordance with the engine conditions. The direct injection system uses an injector driver (EDU) built into the ECM to rapidly operate the direct fuel injector assemblies. It converts injection request signals from the ECM to high-voltage and high-current injector-drive signals that drive the direct fuel injector assemblies.

DTC No.

Detection Item

DTC Detection Condition

Trouble Area

MIL

Memory

Note

P020113

Cylinder 1 Injector "A" Circuit Open

Either of following conditions is met (1 trip detection logic):

  • Short to +B in direct fuel injector assembly (No. 1 cylinder) circuit for 40 times or more.
  • Open or short to ground in direct fuel injector assembly (No. 1 cylinder) circuit for 20 times or more.
  • Open or short in direct fuel injector assembly (No. 1 cylinder) circuit
  • Direct fuel injector assembly (No. 1 cylinder)
  • D INJ relay
  • ECM

Comes on

DTC stored

SAE Code: P0201

P020213

Cylinder 2 Injector "A" Circuit Open

Either of following conditions is met (1 trip detection logic):

  • Short to +B in direct fuel injector assembly (No. 2 cylinder) circuit for 40 times or more.
  • Open or short to ground in direct fuel injector assembly (No. 2 cylinder) circuit for 20 times or more.
  • Open or short in direct fuel injector assembly (No. 2 cylinder) circuit
  • Direct fuel injector assembly (No. 2 cylinder)
  • D INJ relay
  • ECM

Comes on

DTC stored

SAE Code: P0202

P020313

Cylinder 3 Injector "A" Circuit Open

Either of following conditions is met (1 trip detection logic):

  • Short to +B in direct fuel injector assembly (No. 3 cylinder) circuit for 40 times or more.
  • Open or short to ground in direct fuel injector assembly (No. 3 cylinder) circuit for 20 times or more.
  • Open or short in direct fuel injector assembly (No. 3 cylinder) circuit
  • Direct fuel injector assembly (No. 3 cylinder)
  • D INJ relay
  • ECM

Comes on

DTC stored

SAE Code: P0203

P020413

Cylinder 4 Injector "A" Circuit Open

Either of following conditions is met (1 trip detection logic):

  • Short to +B in direct fuel injector assembly (No. 4 cylinder) circuit for 40 times or more.
  • Open or short to ground in direct fuel injector assembly (No. 4 cylinder) circuit for 20 times or more.
  • Open or short in direct fuel injector assembly (No. 4 cylinder) circuit
  • Direct fuel injector assembly (No. 4 cylinder)
  • D INJ relay
  • ECM

Comes on

DTC stored

SAE Code: P0204

P020513

Cylinder 5 Injector "A" Circuit Open

Either of following conditions is met (1 trip detection logic):

  • Short to +B in direct fuel injector assembly (No. 5 cylinder) circuit for 40 times or more.
  • Open or short to ground in direct fuel injector assembly (No. 5 cylinder) circuit for 20 times or more.
  • Open or short in direct fuel injector assembly (No. 5 cylinder) circuit
  • Direct fuel injector assembly (No. 5 cylinder)
  • D INJ relay
  • ECM

Comes on

DTC stored

SAE Code: P0205

P020613

Cylinder 6 Injector "A" Circuit Open

Either of following conditions is met (1 trip detection logic):

  • Short to +B in direct fuel injector assembly (No. 6 cylinder) circuit for 40 times or more.
  • Open or short to ground in direct fuel injector assembly (No. 6 cylinder) circuit for 20 times or more.
  • Open or short in direct fuel injector assembly (No. 6 cylinder) circuit
  • Direct fuel injector assembly (No. 6 cylinder)
  • D INJ relay
  • ECM

Comes on

DTC stored

SAE Code: P0206

P062D13

Fuel Injector Driver Circuit Performance Bank 1 Circuit Open

Open or short in direct fuel injector assembly (all cylinders) circuits for 60 times or more (1 trip detection logic).

  • Open or short in direct fuel injector assembly circuit
  • Direct fuel injector assembly
  • D INJ relay
  • ECM

Comes on

DTC stored

SAE Code: P062D

MONITOR DESCRIPTION

The fuel injection sequence occurs in numerical order from No. 1 to No. 6.

The ECM monitors the Injector Driver (EDU) at all times. If drivers or fuel direct fuel injector assembly are malfunctioning, the EDU sends direct fuel injector assembly operation condition signals (fail signals) to the ECM. When the ECM receives the signals, the ECM stops the fuel injection control of the appropriate cylinders, cuts voltage to the appropriate D INJ relay, and illuminates the MIL.

MONITOR STRATEGY

Related DTCs

P0201: Injector circuit open (cylinder 1)

P0202: Injector circuit open (cylinder 2)

P0203: Injector circuit open (cylinder 3)

P0204: Injector circuit open (cylinder 4)

P0205: Injector circuit open (cylinder 5)

P0206: Injector circuit open (cylinder 6)

P062D: Injector driver performance

Required Sensors/Components (Main)

Direct fuel injector assembly

EDU (injector driver)

Required Sensors/Components (Related)

-

Frequency of Operation

Continuous

Duration

-

MIL Operation

Immediate

Sequence of Operation

None

TYPICAL ENABLING CONDITIONS

P0201, P0202, P0203, P0204, P0205 and P0206

All of the following conditions are met

-

Confirmed injection

2 times or more

Either of the following conditions is met

A or B

A. All of the following conditions are met

(a), (b) and (c)

(a) Starter

Off

(b) Battery voltage

10.5 V or higher

(c) Time after condition (b) is met

0.5 seconds or more

B. All of the following conditions are met

(d), (e) and (f)

(d) Starter

On

(e) Battery voltage

8 V or higher

(f) Time after condition (e) is met

0.5 seconds or more

Engine speed

100 to 6000 rpm

Injection time

0.0008 seconds or more

Injector driver relay

On

Fuel injector driver performance fail (P062D)

Not detected

The other injector of the same INJECTOR DRIVER FAIL SIGNAL

Not operating

Engine switch

On (IG)

Time after engine switch off to on (IG)

0.5 seconds or more

P062D

Monitor runs whenever the following DTCs are not stored

None

All of the following conditions are met

-

Confirmed injection

2 times or more

Either of the following conditions is met

A or B

A. All of the following conditions are met

(a), (b) and (c)

(a) Starter

Off

(b) Battery voltage

10.5 V or higher

(c) Time after condition (b) is met

0.5 seconds or more

B. All of the following conditions are met

(d), (e) and (f)

(d) Starter

On

(e) Battery voltage

8 V or higher

(f) Time after condition (e) is met

0.5 seconds or more

Engine speed

100 to 6000 rpm

Injection time

0.0008 seconds or more

Injector driver relay

On

The other injector of the same INJECTOR DRIVER FAIL SIGNAL

Not operating

Engine switch

On (IG)

Time after engine switch off to on (IG)

0.5 seconds or more

TYPICAL MALFUNCTION THRESHOLDS

P0201, P0202, P0203, P0204, P0205 and P0206

One of the following conditions is met

A, B or C

A. No confirmed injection signal input

20 times or more

B. Both of the following conditions are met

40 times or more

(a) Current injector voltage for the same INJECTOR DRIVER FAIL SIGNAL*

4.8 V or higher

(b) Last injector voltage for the same INJECTOR DRIVER FAIL SIGNAL*

4.8 V or higher

C. Either of the following condition is met

20 times or more

(c) Both of the following conditions are met

1 and 2

1. Current injector driver MOSFET current detected by injector driver IC

30 A or more

2. Last injector driver MOSFET current detected by injection driver IC

30 A or more

(d) Both of the following conditions are met

3 and 4

3. Current injector current for the same INJECTOR DRIVER FAIL SIGNAL* detected by injector driver IC

30 A or more

4. Last injector current for the same INJECTOR DRIVER FAIL SIGNAL* detected by injector driver IC

30 A or more

P062D

No confirmed injection signal input in all cylinders

60 times or more

*: Definition of the INJECTOR DRIVER FAIL SIGNAL

-

INJECTOR DRIVER FAIL SIGNAL 1

#1 and #4

INJECTOR DRIVER FAIL SIGNAL 2

#2 and #5

INJECTOR DRIVER FAIL SIGNAL 3

#3 and #6

CONFIRMATION DRIVING PATTERN

HINT:

  • After repair has been completed, clear the DTC and then check that the vehicle has returned to normal by performing the following All Readiness check procedure.

    Click here

  • When clearing the permanent DTCs, refer to the "CLEAR PERMANENT DTC" procedure.

    Click here

  1. Connect the Techstream to the DLC3.
  2. Turn the engine switch on (IG).
  3. Turn the Techstream on.
  4. Clear the DTCs (even if no DTCs are stored, perform the clear DTC procedure).
  5. Turn the engine switch off and wait for at least 30 seconds.
  6. Start the engine [A].
  7. Idle the engine for 15 seconds or more [B].
  8. Turn the Techstream on.
  9. Enter the following menus: Powertrain / Engine / Trouble Codes [C].
  10. Read pending DTCs.

    HINT:

    • If a pending DTC is output, the system is malfunctioning.
    • If a pending DTC is not output, perform the following procedure.
  11. Enter the following menus: Powertrain / Engine / Utility / All Readiness.
  12. Input the DTC: P020113, P020213, P020313, P020413, P020513, P020613 or P062D13.
  13. Check the DTC judgment result.

    Techstream Display

    Description

    NORMAL

    • DTC judgment completed
    • System normal

    ABNORMAL

    • DTC judgment completed
    • System abnormal

    INCOMPLETE

    • DTC judgment not completed
    • Perform driving pattern after confirming DTC enabling conditions

    HINT:

    • If the judgment result is NORMAL, the system is normal.
    • If the judgment result is ABNORMAL, the system has a malfunction.
    • If the judgment result is INCOMPLETE, perform steps [B] through [C] again.
    • [A] to [C]: Normal judgment procedure.

      The normal judgment procedure is used to complete DTC judgment and also used when clearing permanent DTCs.

    • When clearing the permanent DTCs, do not disconnect the cable from the battery terminal or attempt to clear the DTCs during this procedure, as doing so will clear the universal trip and normal judgment histories.

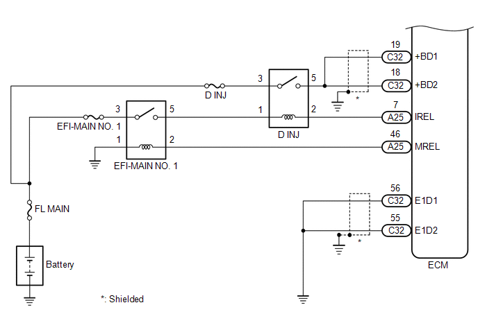
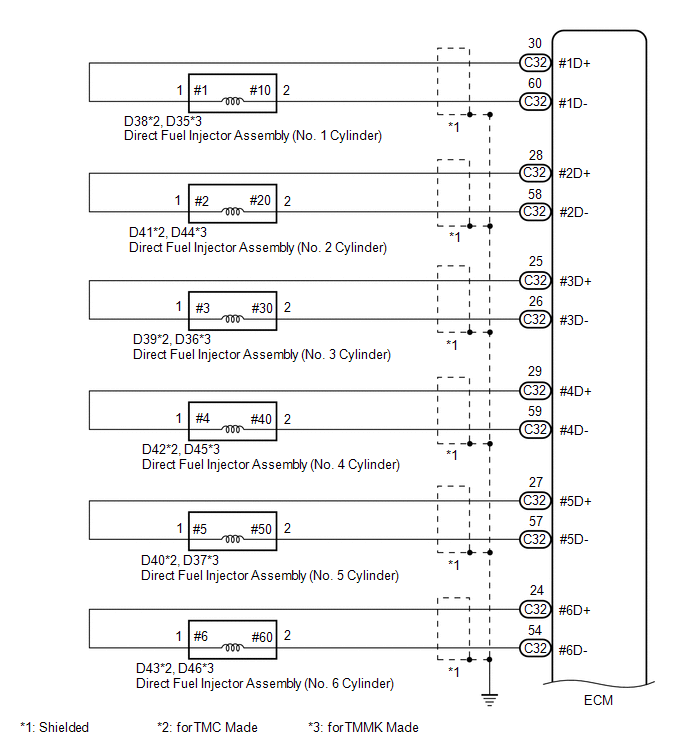
WIRING DIAGRAM

CAUTION / NOTICE / HINT

NOTICE:

Inspect the fuses for circuits related to this system before performing the following procedure.

HINT:

  • If the current from the D INJ relay is cut because DTC P062D13 is stored, DTC P123513 will be stored even if the fuel pump assembly (for high pressure side) is normal.
  • Read freeze frame data using the Techstream. The ECM records vehicle and driving condition information as freeze frame data the moment a DTC is stored. When troubleshooting, freeze frame data can help determine if the vehicle was moving or stationary, if the engine was warmed up or not, if the air fuel ratio was lean or rich, and other data from the time the malfunction occurred.

PROCEDURE

1.

CHECK DTC OUTPUT (DTC P020113, P020213, P020313, P020413, P020513, P020613 AND/OR P062D13)

(a) Connect the Techstream to the DLC3.

(b) Turn the engine switch on (IG).

(c) Turn the Techstream on.

(d) Enter the following menus: Powertrain / Engine / Trouble Codes.

(e) Read the DTCs.

Powertrain > Engine > Trouble Codes

Result

Proceed to

DTC P020113, P020213, P020313, P020413, P020513 or P020613 is output

A

3 or more of the following DTCs are output: P062D13, P020113, P020213, P020313, P020413, P020513 and P020613

B

P062D13 is output

B

GO TO STEP 4

A

2.

CHECK HARNESS AND CONNECTOR

(a) Disconnect the ECM connector.

(b) Measure the resistance according to the value(s) in the table below.

Standard Resistance:

Tester Connection

Condition

Specified Condition

C32-30 (#1D+) - C32-60 (#1D-)

20°C (68°F)

1.76 to 2.06 Ω

C32-28 (#2D+) - C32-58 (#2D-)

20°C (68°F)

1.76 to 2.06 Ω

C32-25 (#3D+) - C32-26 (#3D-)

20°C (68°F)

1.76 to 2.06 Ω

C32-29 (#4D+) - C32-59 (#4D-)

20°C (68°F)

1.76 to 2.06 Ω

C32-27 (#5D+) - C32-57 (#5D-)

20°C (68°F)

1.76 to 2.06 Ω

C32-24 (#6D+) - C32-54 (#6D-)

20°C (68°F)

1.76 to 2.06 Ω

C32-30 (#1D+) or C32-60 (#1D-) - Body ground and other terminals

Always

1 MΩ or higher

C32-28 (#2D+) or C32-58 (#2D-) - Body ground and other terminals

Always

1 MΩ or higher

C32-25 (#3D+) or C32-26 (#3D-) - Body ground and other terminals

Always

1 MΩ or higher

C32-29 (#4D+) or C32-59 (#4D-) - Body ground and other terminals

Always

1 MΩ or higher

C32-27 (#5D+) or C32-57 (#5D-) - Body ground and other terminals

Always

1 MΩ or higher

C32-24 (#6D+) or C32-54 (#6D-) - Body ground and other terminals

Always

1 MΩ or higher

HINT:

The standard values shown are direct fuel injector assembly resistance values.

OK

REPLACE ECM

NG

3.

INSPECT DIRECT FUEL INJECTOR ASSEMBLY (RESISTANCE)

(a) Check the resistance of the direct fuel injector assembly.

Click here

HINT:

Perform "Inspection After Repair" after replacing the direct fuel injector assembly.

Click here

OK

REPAIR OR REPLACE HARNESS OR CONNECTOR (DIRECT FUEL INJECTOR ASSEMBLY - ECM)

NG

REPLACE DIRECT FUEL INJECTOR ASSEMBLY

4.

INSPECT D INJ RELAY

(a) Inspect the D INJ relay.

Click here

NG

REPLACE D INJ RELAY

OK

5.

CHECK TERMINAL VOLTAGE (POWER SOURCE OF D INJ RELAY)

*1

No. 1 Engine Room Relay Block and No. 1 Junction Block Assembly

*2

D INJ Relay

(a) Remove the D INJ relay from the No. 1 engine room relay block and No. 1 junction block assembly.

(b) Measure the voltage according to the value(s) in the table below.

Standard Voltage:

Tester Connection

Condition

Specified Condition

3 (D INJ relay) - Body ground

Always

11 to 14 V

NG

REPAIR OR REPLACE HARNESS OR CONNECTOR (BATTERY - D INJ RELAY)

OK

6.

CHECK TERMINAL VOLTAGE (POWER SOURCE OF D INJ RELAY)

*1

No. 1 Engine Room Relay Block and No. 1 Junction Block Assembly

*2

D INJ Relay

(a) Remove the D INJ relay from the No. 1 engine room relay block and No. 1 junction block assembly.

(b) Turn the engine switch on (IG).

(c) Measure the voltage according to the value(s) in the table below.

Standard Voltage:

Tester Connection

Condition

Specified Condition

1 (D INJ relay) - Body ground

Engine switch on (IG)

11 to 14 V

NG

REPAIR OR REPLACE HARNESS OR CONNECTOR (EFI-MAIN NO. 1 RELAY - D INJ RELAY)

OK

7.

CHECK HARNESS AND CONNECTOR (D INJ RELAY - ECM)

(a) Remove the D INJ relay from the No. 1 engine room relay block and No. 1 junction block assembly.

(b) Disconnect the ECM connector.

(c) Measure the resistance according to the value(s) in the table below.

Standard Resistance:

Tester Connection

Condition

Specified Condition

5 (D INJ relay) - C32-19 (+BD1)

Always

Below 1 Ω

5 (D INJ relay) - C32-18 (+BD2)

Always

Below 1 Ω

2 (D INJ relay) - A25-7 (IREL)

Always

Below 1 Ω

5 (D INJ relay) or C32-19 (+BD1) - Body ground and other terminals

Always

10 kΩ or higher

5 (D INJ relay) or C32-18 (+BD2) - Body ground and other terminals

Always

10 kΩ or higher

2 (D INJ relay) or A25-7 (IREL) - Body ground and other terminals

Always

10 kΩ or higher

OK

REPLACE ECM

NG

REPAIR OR REPLACE HARNESS OR CONNECTOR

READ NEXT:

 Throttle/Pedal Position Sensor/Switch "B" Circuit Short to Ground (P022011)

DESCRIPTION Refer to DTC P012011. Click here DTC No. Detection Item DTC Detection Condition Trouble Area MIL Memory Note P022011 Throttle/Pedal Position Sensor/Switch "B" Circui

 Throttle/Pedal Position Sensor/Switch "B" Circuit Short to Battery or Open (P022015)

DESCRIPTION Refer to DTC P012011. Click here DTC No. Detection Item DTC Detection Condition Trouble Area MIL Memory Note P022015 Throttle/Pedal Position Sensor/Switch "B" Circui

 Random/Multiple Cylinder Misfire Detected (P030000,P030027,P030085-P030600)

DESCRIPTION When the engine misfires, high concentrations of hydrocarbons (HC) enter the exhaust gas. Extremely high hydrocarbon concentration levels can cause an increase in exhaust emission levels.

SEE MORE:

 System Description

SYSTEM DESCRIPTION POWER MIRROR CONTROL SYSTEM (w/ Memory) DESCRIPTION (a) This system has the following functions: electrical remote control mirror function, memory and reactivation function, power retract mirror function, auto power retract mirror function, mirror heater function and automatic gla

 Installation

INSTALLATION PROCEDURE 1. INSTALL CAMSHAFT TIMING GEAR BOLT (a) Make sure that the No. 1 cylinder is at TDC/compression. HINT: Check that the cutout of the camshaft timing gear assembly is at the top and align the timing mark (cutout) of the crankshaft pulley with the timing mark on the timing chain

© 2016-2025 Copyright www.lexguide.net