Lexus ES manuals

Lexus ES: Cylinder 1 Injector "B" Circuit Open (P21CF13,P21D013-P21D413)

Lexus ES (XZ10) Service Manual / Engine & Hybrid System / 2gr-fks (engine Control) / Sfi System / Cylinder 1 Injector "B" Circuit Open (P21CF13,P21D013-P21D413)

DESCRIPTION

The D-4S system has two injection systems. One is an in-cylinder direct injection system that directly injects pressurized fuel into the combustion chamber. The other is an intake port injection system. The ECM determines the percentage of direct injection and port injection necessary in accordance with the engine speed and load.

DTC No.

Detection Item

DTC Detection Condition

Trouble Area

MIL

Memory

Note

P21CF13

Cylinder 1 Injector "B" Circuit Open

Current is not applied to the injector 10 times or more with the engine running (1 trip detection logic).

  • Open or short in port fuel injector assembly circuit
  • Port fuel injector assembly
  • ECM

Comes on

DTC stored

SAE Code: P21CF

P21D013

Cylinder 2 Injector "B" Circuit Open

Current is not applied to the injector 10 times or more with the engine running (1 trip detection logic).

  • Open or short in port fuel injector assembly circuit
  • Port fuel injector assembly
  • ECM

Comes on

DTC stored

SAE Code: P21D0

P21D113

Cylinder 3 Injector "B" Circuit Open

Current is not applied to the injector 10 times or more with the engine running (1 trip detection logic).

  • Open or short in port fuel injector assembly circuit
  • Port fuel injector assembly
  • ECM

Comes on

DTC stored

SAE Code: P21D1

P21D213

Cylinder 4 Injector "B" Circuit Open

Current is not applied to the injector 10 times or more with the engine running (1 trip detection logic).

  • Open or short in port fuel injector assembly circuit
  • Port fuel injector assembly
  • ECM

Comes on

DTC stored

SAE Code: P21D2

P21D313

Cylinder 5 Injector "B" Circuit Open

Current is not applied to the injector 10 times or more with the engine running (1 trip detection logic).

  • Open or short in port fuel injector assembly circuit
  • Port fuel injector assembly
  • ECM

Comes on

DTC stored

SAE Code: P21D3

P21D413

Cylinder 6 Injector "B" Circuit Open

Current is not applied to the injector 10 times or more with the engine running (1 trip detection logic).

  • Open or short in port fuel injector assembly circuit
  • Port fuel injector assembly
  • ECM

Comes on

DTC stored

SAE Code: P21D4

MONITOR DESCRIPTION

The ECM monitors the injection control of the port fuel injector assemblies. If a malfunction is detected in a port fuel injector assembly circuit, the ECM cancels the injection control for the corresponding cylinder, illuminates the MIL and stores a DTC.

MONITOR STRATEGY

Related DTCs

P21CF: Port injector (cylinder 1) circuit/open

P21D0: Port injector (cylinder 2) circuit/open

P21D1: Port injector (cylinder 3) circuit/open

P21D2: Port injector (cylinder 4) circuit/open

P21D3: Port injector (cylinder 5) circuit/open

P21D4: Port injector (cylinder 6) circuit/open

Required Sensors/Components (Main)

Port fuel injector assembly (cylinder 1 to 6)

Required Sensors/Components (Related)

-

Frequency of Operation

Continuous

Duration

10 times

MIL Operation

Immediate

Sequence of Operation

None

TYPICAL ENABLING CONDITIONS

Monitor runs whenever the following DTCs are not stored

None

All of the following conditions are met

-

Battery voltage

8 V or higher

Fuel cut

Off

Synchronous injection

Operating

Engine switch

On (IG)

Either of the following conditions is met

Condition A or B

A. Engine

Running

B. Starter

On

Injection time

Higher than 0 second

TYPICAL MALFUNCTION THRESHOLDS

Confirmed injection signal

No signal

CONFIRMATION DRIVING PATTERN

HINT:

  • After repair has been completed, clear the DTC and then check that the vehicle has returned to normal by performing the following All Readiness check procedure.

    Click here

  • When clearing the permanent DTCs, refer to the "CLEAR PERMANENT DTC" procedure.

    Click here

  1. Connect the Techstream to the DLC3.
  2. Turn the engine switch on (IG).
  3. Turn the Techstream on.
  4. Clear the DTCs (even if no DTCs are stored, perform the clear DTC procedure).
  5. Turn the engine switch off and wait for at least 30 seconds.
  6. Start the engine [A].
  7. Idle the engine for 3 minutes or more [B].
  8. Turn the Techstream on.
  9. Enter the following menus: Powertrain / Engine / Trouble Codes [C].
  10. Read the DTCs [B].

    HINT:

    • If a pending DTC is output, the system is malfunctioning.
    • If a pending DTC is not output, perform the following procedure.
  11. Enter the following menus: Powertrain / Engine / Utility / All Readiness.
  12. Input the DTC: P21CF13, P21D013, P21D113, P21D213, P212313 or P212413.
  13. Check the DTC judgment result.

    Techstream Display

    Description

    NORMAL

    • DTC judgment completed
    • System normal

    ABNORMAL

    • DTC judgment completed
    • System abnormal

    INCOMPLETE

    • DTC judgment not completed
    • Perform driving pattern after confirming DTC enabling conditions

    HINT:

    • If the judgment result is NORMAL, the system is normal.
    • If the judgment result is ABNORMAL, the system has a malfunction.
    • If the judgment result is INCOMPLETE, perform steps [B] through [C] again.
    • [A] to [C]: Normal judgment procedure.

      The normal judgment procedure is used to complete DTC judgment and also used when clearing permanent DTCs.

    • When clearing the permanent DTCs, do not disconnect the cable from the battery terminal or attempt to clear the DTCs during this procedure, as doing so will clear the universal trip and normal judgment histories.

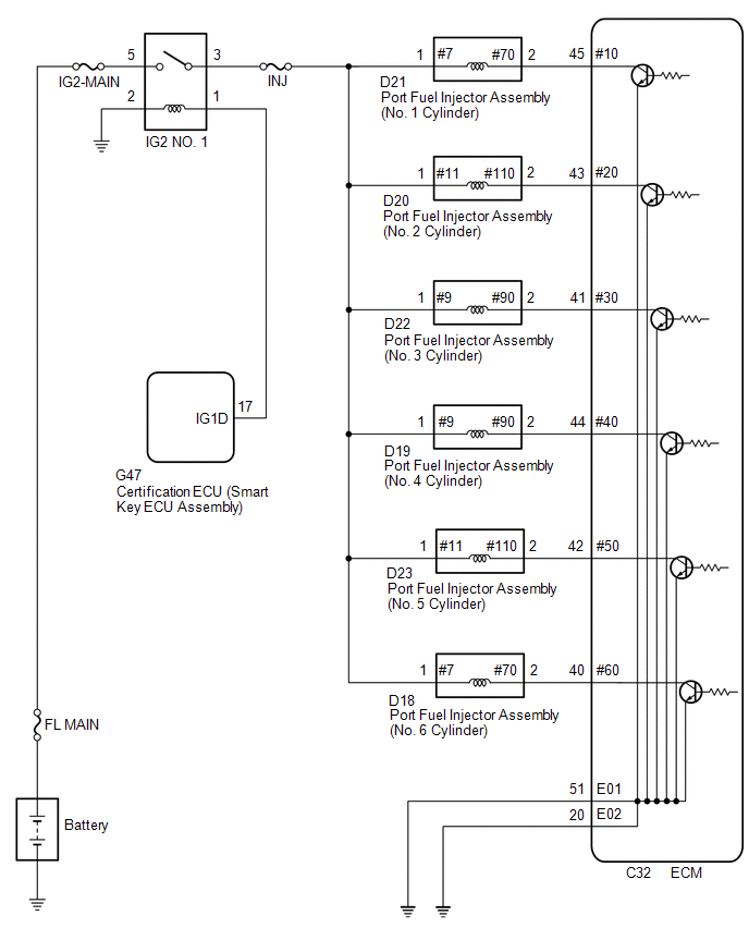
WIRING DIAGRAM

CAUTION / NOTICE / HINT

NOTICE:

Inspect the fuses for circuits related to this system before performing the following procedure.

HINT:

Read freeze frame data using the Techstream. The ECM records vehicle and driving condition information as freeze frame data the moment a DTC is stored. When troubleshooting, freeze frame data can help determine if the vehicle was moving or stationary, if the engine was warmed up or not, if the air fuel ratio was lean or rich, and other data from the time the malfunction occurred.

PROCEDURE

1.

CHECK DTCS OUTPUT (IN ADDITION TO DTC P21CF13, P21D013, P21D113, P21D213, P21D313 OR P21D413)

(a) Connect the Techstream to the DLC3.

(b) Turn the engine switch on (IG).

(c) Turn the Techstream on.

(d) Enter the following menus: Powertrain / Engine / Trouble Codes.

(e) Read the DTCs.

Powertrain > Engine > Trouble Codes

Result

Proceed to

P21CF13, P21D013, P21D113, P21D213, P21D313 or P21D413 is output

A

P21CF13, P21D013, P21D113, P22D213, P21D313 and P21D413 are output

B

B

REPAIR OR REPLACE HARNESS OR CONNECTOR (IG2 NO. 1 RELAY - PORT FUEL INJECTOR ASSEMBLY)

A

2.

CHECK TERMINAL VOLTAGE (POWER SOURCE OF PORT FUEL INJECTOR ASSEMBLY)

*a

Front view of wire harness connector

(to Port Fuel Injector Assembly)

*b

No. 1 Cylinder or No. 6 Cylinder

*c

No. 3 Cylinder or No. 4 Cylinder

*d

No. 2 Cylinder or No. 5 Cylinder

(a) Disconnect the port fuel injector assembly connector.

(b) Turn the engine switch on (IG).

(c) Measure the voltage according to the value(s) in the table below

Standard Voltage:

Tester Connection

Condition

Specified Condition

D21-1 (#7) - Body ground

Engine switch on (IG)

11 to 14 V

D18-1 (#7) - Body ground

Engine switch on (IG)

11 to 14 V

D22-1 (#9) - Body ground

Engine switch on (IG)

11 to 14 V

D19-1 (#9) - Body ground

Engine switch on (IG)

11 to 14 V

D23-1 (#11) - Body ground

Engine switch on (IG)

11 to 14 V

D20-1 (#11) - Body ground

Engine switch on (IG)

11 to 14 V

NG

REPAIR OR REPLACE HARNESS OR CONNECTOR (IG2 NO. 1 RELAY - PORT FUEL INJECTOR ASSEMBLY)

OK

3.

CHECK HARNESS AND CONNECTOR (PORT FUEL INJECTOR ASSEMBLY - ECM)

(a) Disconnect the ECM connector.

(b) Disconnect the port fuel injector assembly connector.

(c) Measure the resistance according to the value(s) in the table below.

Standard Resistance:

Tester Connection

Condition

Specified Condition

D21-2 (#70) - C32-45 (#10)

Always

Below 1 Ω

D18-2 (#70) - C32-40 (#60)

Always

Below 1 Ω

D22-2 (#90) - C32-41 (#30)

Always

Below 1 Ω

D19-2 (#90) - C32-44 (#40)

Always

Below 1 Ω

D23-2 (#110) - C32-42 (#50)

Always

Below 1 Ω

D20-2 (#110) - C32-43 (#20)

Always

Below 1 Ω

D21-2 (#70) or C32-45 (#10) - Body ground and other terminals

Always

10 kΩ or higher

D18-2 (#70) or C32-40 (#60) - Body ground and other terminals

Always

10 kΩ or higher

D22-2 (#90) or C32-41 (#30) - Body ground and other terminals

Always

10 kΩ or higher

D19-2 (#90) or C32-44 (#40) - Body ground and other terminals

Always

10 kΩ or higher

D23-2 (#110) or C32-42 (#50) - Body ground and other terminals

Always

10 kΩ or higher

D20-2 (#110) or C32-43 (#20) - Body ground and other terminals

Always

10 kΩ or higher

NG

REPAIR OR REPLACE HARNESS OR CONNECTOR

OK

4.

INSPECT PORT FUEL INJECTOR ASSEMBLY (RESISTANCE)

(a) Inspect the port fuel injector assembly.

Click here

HINT:

Perform "Inspection After Repair" after replacing the port fuel injector assembly.

Click here

OK

REPLACE ECM

NG

REPLACE PORT FUEL INJECTOR ASSEMBLY

READ NEXT:

 A/F (O2) Sensor Positive Current Control Bank 1 Sensor 1 Circuit Short to Ground (P223711,...,P225412)

DESCRIPTION Refer to DTC P219519. Click here HINT: Although the DTC titles say O2 sensor, these DTCs relate to the air fuel ratio sensor. DTC No. Detection Item DTC Detection Condition Trou

 Evaporative Emission System Switching Valve Control Circuit Actuator Stuck Off (P24187F)

DTC SUMMARY DTC No. Detection Item DTC Detection Condition Trouble Area MIL Memory Note P24187F Evaporative Emission System Switching Valve Control Circuit Actuator Stuck Off Fo

 ECM/PCM Engine Off Timer Performance Signal Invalid (P261029,P261093)

DTC SUMMARY DTC No. Detection Item DTC Detection Condition Trouble Area MIL Memory Note P261029 ECM/PCM Engine Off Timer Performance Signal Invalid ECM internal malfunction EC

SEE MORE:

 Back Camera Power Supply Failure (C1621)

DESCRIPTION This DTC is stored if the rear television camera assembly judges as a result of its self check that the signals or signal lines between the rear television camera assembly and multi-display assembly are not normal. DTC No. Detection Item DTC Detection Condition Trouble Area

 Fuel Rail Pressure Sensor (Low) Circuit Short to Ground (P107A11)

DESCRIPTION The No. 2 fuel pressure sensor (for low pressure side) replaces the fuel pressure with electrical signals and outputs them to the ECM. The ECM controls the optimal fuel pressure for the operation conditions to reduce the fuel pump power consumption and improve fuel economy. DTC No.

© 2016-2026 Copyright www.lexguide.net