Lexus ES manuals

Lexus ES: Check Bus 3 Line for Short to +B

DESCRIPTION

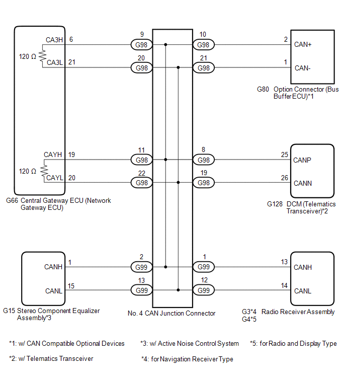
There may be a short circuit between one of the CAN bus lines and +B when there is no resistance between terminal 6 (CA3H) of the central gateway ECU (network gateway ECU) and terminal 16 (BAT) of the DLC3, or terminal 21 (CA3L) of the central gateway ECU (network gateway ECU) and terminal 16 (BAT) of the DLC3.

Symptom

Trouble Area

There is no resistance between terminal 6 (CA3H) of the central gateway ECU (network gateway ECU) and terminal 16 (BAT) of the DLC3, or terminal 21 (CA3L) of the central gateway ECU (network gateway ECU) and terminal 16 (BAT) of the DLC3.

  • Short to +B in CAN main bus line
  • Short to +B in CAN branch line
  • Central gateway ECU (network gateway ECU)
  • DCM (telematics transceiver)

    (w/ Telematics Transceiver)

  • Radio receiver assembly
  • Stereo component equalizer assembly

    (w/ Active Noise Control System)

  • Option connector (bus buffer ECU)

    (w/ CAN Compatible Optional Devices)

  • No. 4 CAN junction connector

WIRING DIAGRAM

CAUTION / NOTICE / HINT

CAUTION:

When performing the confirmation driving pattern, obey all speed limits and traffic laws.

NOTICE:

  • Because the order of diagnosis is important to allow correct diagnosis, make sure to begin troubleshooting using How to Proceed with Troubleshooting when CAN communication system related DTCs are output.

    Click here

  • Before measuring the resistance of the CAN bus, turn the engine switch off and leave the vehicle for 1 minute or more without operating the key or any switches, or opening or closing the doors. After that, disconnect the cable from the negative (-) battery terminal and leave the vehicle for 1 minute or more before measuring the resistance.
  • After turning the engine switch off, waiting time may be required before disconnecting the cable from the negative (-) battery terminal. Therefore, make sure to read the disconnecting the cable from the negative (-) battery terminal notices before proceeding with work.

    Click here

  • After performing repairs, perform the DTC check procedure and confirm that the DTCs are not output again.

    DTC check procedure: Turn the engine switch on (IG) and wait for 1 minute or more. Then operate the suspected malfunctioning system and drive the vehicle at 60 km/h (37 mph) or more for 5 minutes or more.

  • After the repair, perform the CAN bus check and check that all the ECUs and sensors connected to the CAN communication system are displayed as normal.

    Click here

  • Before replacing the DCM (telematics transceiver), refer to Registration.

    Click here

HINT:

  • Before disconnecting related connectors for inspection, push in on each connector body to check that the connector is not loose or disconnected.
  • When a connector is disconnected, check that the terminals and connector body are not cracked, deformed or corroded.

PROCEDURE

1.

CHECK FOR SHORT TO +B IN CAN BUS LINE (NO. 4 CAN JUNCTION CONNECTOR)

(a) Disconnect the cable from the negative (-) battery terminal.

(b) Disconnect the G98 No. 4 CAN junction connector.

(c) Measure the resistance according to the value(s) in the table below.

*1

DLC3

-

-

*a

Front view of wire harness connector

(to No. 4 CAN Junction Connector)

*b

to DCM (Telematics Transceiver)

(w/ Telematics Transceiver)

*c

to Central Gateway ECU (Network Gateway ECU)

*d

to Option Connector (Bus Buffer ECU)

(w/ CAN Compatible Optional Devices)

Standard Resistance:

Tester Connection

Condition

Specified Condition

Connected to

G98-8 (CANH) - G57-16 (BAT)

Cable disconnected from negative (-) battery terminal

6 kΩ or higher

DCM (telematics transceiver)*1

G98-19 (CANL) - G57-16 (BAT)

G98-9 (CANH) - G57-16 (BAT)

Cable disconnected from negative (-) battery terminal

6 kΩ or higher

Central gateway ECU (network gateway ECU)

G98-20 (CANL) - G57-16 (BAT)

G98-10 (CANH) - G57-16 (BAT)

Cable disconnected from negative (-) battery terminal

6 kΩ or higher

Option connector (bus buffer ECU)*2

G98-21 (CANL) - G57-16 (BAT)

G98-11 (CANH) - G57-16 (BAT)

Cable disconnected from negative (-) battery terminal

6 kΩ or higher

Central gateway ECU (network gateway ECU)

G98-22 (CANL) - G57-16 (BAT)

  • *1: w/ Telematics Transceiver
  • *2: w/ CAN Compatible Optional Devices

HINT:

If there is a short to +B in a CAN bus line without any CAN compatible optional devices connected to the option connector, repair or replace the CAN bus branch line or the option connector.

Result

Proceed to

OK

A

NG (Line to central gateway ECU (network gateway ECU))

B

NG (Line to ECU or sensor)

C

B

GO TO STEP 3

C

GO TO STEP 4

A

2.

CHECK FOR SHORT TO +B IN CAN BUS LINE (NO. 4 CAN JUNCTION CONNECTOR)

(a) Disconnect the G99 No. 4 CAN junction connector.

(b) Measure the resistance according to the value(s) in the table below.

*1

DLC3

-

-

*a

Front view of wire harness connector

(to No. 4 CAN Junction Connector)

*b

to Radio Receiver Assembly

*c

to Stereo Component Equalizer Assembly

(w/ Active Noise Control System)

-

-

Standard Resistance:

Tester Connection

Condition

Specified Condition

Connected to

G99-1 (CANH) - G57-16 (BAT)

Cable disconnected from negative (-) battery terminal

6 kΩ or higher

Radio receiver assembly

G99-12 (CANL) - G57-16 (BAT)

G99-2 (CANH) - G57-16 (BAT)

Cable disconnected from negative (-) battery terminal

6 kΩ or higher

Stereo component equalizer assembly*

G99-13 (CANL) - G57-16 (BAT)

  • *: w/ Active Noise Control System
OK

REPLACE NO. 4 CAN JUNCTION CONNECTOR

NG

GO TO STEP 4

3.

CHECK FOR SHORT TO +B IN CAN BUS LINE (NO. 4 CAN JUNCTION CONNECTOR - CENTRAL GATEWAY ECU (NETWORK GATEWAY ECU))

(a) Disconnect the G66 central gateway ECU (network gateway ECU) connector.

(b) Measure the resistance according to the value(s) in the table below.

*1

DLC3

-

-

*a

Front view of wire harness connector

(to No. 4 CAN Junction Connector)

*b

to Central Gateway ECU (Network Gateway ECU)

Standard Resistance:

Tester Connection

Condition

Specified Condition

G98-9 (CANH) - G57-16 (BAT)

Cable disconnected from negative (-) battery terminal

6 kΩ or higher

G98-20 (CANL) - G57-16 (BAT)

G98-11 (CANH) - G57-16 (BAT)

Cable disconnected from negative (-) battery terminal

6 kΩ or higher

G98-22 (CANL) - G57-16 (BAT)

OK

REPLACE CENTRAL GATEWAY ECU (NETWORK GATEWAY ECU)

NG

REPAIR OR REPLACE CAN MAIN BUS LINE OR CONNECTOR (NO. 4 CAN JUNCTION CONNECTOR - CENTRAL GATEWAY ECU (NETWORK GATEWAY ECU))

4.

CHECK FOR SHORT TO +B IN CAN BUS LINE (ECU OR SENSOR)

(a) Reconnect all wire harness connectors.

(b) Disconnect the connector that includes terminals CANH and CANL from the ECU or sensor to which the bus line shorted to +B is connected.

Click here

(c) Measure the resistance according to the value(s) in the table below.

*1

DLC3

-

-

*a

Component with harness connected

(Central Gateway ECU (Network Gateway ECU))

-

-

Standard Resistance:

Tester Connection

Condition

Specified Condition

G66-6 (CA3H) - G57-16 (BAT)

Cable disconnected from negative (-) battery terminal

6 kΩ or higher

G66-21 (CA3L) - G57-16 (BAT)

HINT:

  • If the resistance changes to 6 kΩ or higher when the connector is disconnected from the ECU or sensor, there may be a short in the ECU or sensor.
  • If the resistance does not become normal when the connector is disconnected from the ECU or sensor, check for a short to +B in the wire harness and repair or replace the wire harness or connector if necessary.
OK

REPLACE ECU OR SENSOR

NG

REPAIR OR REPLACE HARNESS OR CONNECTOR

READ NEXT:

 Check Bus 3 Lines for Short Circuit

DESCRIPTION There may be a short circuit between the CAN main bus lines and/or CAN branch lines when the resistance between terminals 6 (CA3H) and 21 (CA3L) of the central gateway ECU (network gateway

 Check Bus 3 Lines for Short Circuit

DESCRIPTION There may be a short circuit between the CAN main bus lines and/or CAN branch lines when the resistance between terminals 6 (CA3H) and 21 (CA3L) of the central gateway ECU (network gateway

 Open in Bus 3 Main Bus Line

DESCRIPTION There may be an open circuit in one of the CAN main bus lines when the resistance between terminals 6 (CA3H) and 21 (CA3L) of the central gateway ECU (network gateway ECU) is 70 Ω or high

SEE MORE:

 Brake Switch "B" Circuit Short to Battery (P070312)

DESCRIPTION The purpose of the stop light switch signal circuit is to prevent the engine from stalling when the brakes are suddenly applied while driving in the lock-up condition. When the brake pedal is depressed, the stop light switch assembly sends a signal to the ECM. The ECM then cancels the op

 Operation Check

OPERATION CHECK CHECK ELECTRICAL REMOTE CONTROL MIRROR FUNCTION (a) Turn the power switch on (IG). (b) With L on the mirror select switch selected, check that the outer rear view mirror assembly LH surface moves up, down, left and right normally. (c) With R on the mirror select switch selected, chec

© 2016-2026 Copyright www.lexguide.net