Lexus ES manuals

Lexus ES: Brake Hold Standby Indicator Light Circuit

DESCRIPTION

The brake hold standby indicator light turns on if brake hold control is possible when the following conditions required for operation standby are met and the brake hold switch (No. 3 combination switch assembly) is turned on while the power switch is on (IG).

  • Conditions required for operation standby:
    1. The driver side door is closed.
    2. The driver side seat belt is fastened.
    3. The system is normal.

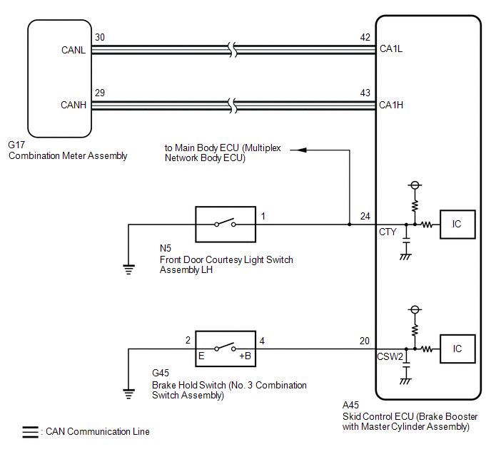
WIRING DIAGRAM

CAUTION / NOTICE / HINT

NOTICE:

After replacing the skid control ECU (brake booster with master cylinder assembly), perform linear solenoid valve offset learning, ABS holding solenoid valve learning, yaw rate and acceleration sensor zero point calibration and system information memorization after performing "Reset Memory".

Click here

PROCEDURE

1.

PRE-CHECK

(a) If the brake hold standby indicator light does not illuminate even though the brake hold switch (No. 3 combination switch assembly) is pushed, check that the brake hold function operation conditions are met.

  1. The driver side door is closed.
  2. The driver side seat belt is fastened.
  3. The system is normal.

HINT:

If a malfunction occurs in one of the following systems, the brake hold operated indicator light will blink. If this occurs, perform troubleshooting on the malfunctioning system.

  • Brake system
  • Electric parking brake system
  • Hybrid control system
NEXT

2.

CHECK CAN COMMUNICATION SYSTEM

(a) Check if CAN communication system DTCs are output.

Click here

Result

Proceed to

DTCs are not output.

A

DTCs are output.

B

B

INSPECT CAN COMMUNICATION SYSTEM

A

3.

CHECK IF BRAKE BOOSTER WITH MASTER CYLINDER ASSEMBLY CONNECTOR IS SECURELY CONNECTED

(a) Check if the skid control ECU (brake booster with master cylinder assembly) connector is securely connected.

OK:

The connector is securely connected.

NG

CONNECT CONNECTOR TO BRAKE BOOSTER WITH MASTER CYLINDER ASSEMBLY CORRECTLY

OK

4.

INSPECT COMBINATION METER ASSEMBLY

(a) Turn the power switch off.

(b) Perform the Active Test of the combination meter assembly (meter CPU) using the Techstream.

Click here

Body Electrical > Combination Meter > Active Test

Tester Display

Brake Hold Indicator

(c) Check the combination meter assembly.

OK:

The brake hold standby indicator light turns on or off in accordance with Techstream operation.

NG

INSPECT METER / GAUGE SYSTEM

OK

5.

PERFORM ACTIVE TEST USING TECHSTREAM (BRAKE HOLD STANDBY INDICATOR LIGHT)

(a) Select the Active Test on the Techstream.

Click here

Chassis > ABS/VSC/TRAC > Active Test

Tester Display

Measurement Item

Control Range

Diagnostic Note

BH Standby Light

Brake hold standby indicator light

Indicator light ON/OFF

Observe combination meter assembly

Chassis > ABS/VSC/TRAC > Data List

Tester Display

Measurement Item

Range

Normal Condition

Diagnostic Note

BH Standby Light

Brake hold standby indicator light

ON or OFF

ON: Indicator light on

OFF: Indicator light off

-

Chassis > ABS/VSC/TRAC > Active Test

Active Test Display

BH Standby Light

Data List Display

BH Standby Light

(b) Check the operating condition of the brake hold standby indicator light when operating it using the Techstream.

Result

Proceed to

Brake hold standby indicator light in the Data List does not change using the Active Test.

A

Brake hold standby indicator light in the Data List turns ON/OFF using the Active Test.

B

A

REPLACE BRAKE BOOSTER WITH MASTER CYLINDER ASSEMBLY

B

6.

INSPECT NO. 3 COMBINATION SWITCH ASSEMBLY

(a) Turn the power switch off.

*a

Component without harness connected

(Brake Hold Switch (No. 3 Combination Switch Assembly))

(b) Make sure that there is no looseness at the locking part and the connecting part of the connector.

OK:

The connector is securely connected.

(c) Disconnect the G45 brake hold switch (No. 3 combination switch assembly) connector.

(d) Check both the connector case and the terminals for deformation and corrosion.

OK:

No deformation or corrosion.

(e) Measure the resistance according to the value(s) in the table below.

Standard Resistance:

Tester Connection

Condition

Specified Condition

4 (+B) - 2 (E)

Switch pushed

Below 1 Ω

4 (+B) - 2 (E)

Switch not pushed

10 kΩ or higher

NG

REPLACE NO. 3 COMBINATION SWITCH ASSEMBLY

OK

7.

CHECK HARNESS AND CONNECTOR (BRAKE BOOSTER WITH MASTER CYLINDER ASSEMBLY - NO. 3 COMBINATION SWITCH ASSEMBLY)

(a) Make sure that there is no looseness at the locking part and the connecting part of the connector.

OK:

The connector is securely connected.

(b) Disconnect the A45 skid control ECU (brake booster with master cylinder assembly) connector.

(c) Check both the connector case and the terminals for deformation and corrosion.

OK:

No deformation or corrosion.

(d) Measure the resistance according to the value(s) in the table below.

Standard Resistance:

Tester Connection

Condition

Specified Condition

A45-20 (CSW2) - G45-4 (+B)

Always

Below 1 Ω

A45-20 (CSW2) or G45-4 (+B) - Body ground

Always

10 kΩ or higher

G45-2 (E) - Body ground

Always

Below 1 Ω

NG

REPAIR OR REPLACE HARNESS OR CONNECTOR

OK

8.

INSPECT FRONT DOOR COURTESY LIGHT SWITCH ASSEMBLY LH

(a) Turn on the interior lights and check that they illuminate, and then set the switch so that the lights illuminate when the door is opened.

(b) Check that the lights illuminate when the driver side door is opened.

OK:

The interior lights illuminate when the driver side door is opened.

NG

INSPECT LIGHTING SYSTEM (COURTESY LIGHT SWITCH CIRCUIT)

OK

9.

CHECK HARNESS AND CONNECTOR (CTY TERMINAL)

(a) Measure the voltage according to the value(s) in the table below.

Standard Voltage:

Tester Connection

Condition

Specified Condition

A45-24 (CTY) - Body ground

Driver door open

Below 1.5 V

A45-24 (CTY) - Body ground

Driver door closed

11 to 14 V

*a

Front view of wire harness connector

(to Skid Control ECU (Brake Booster with Master Cylinder Assembly))

OK

REPLACE BRAKE BOOSTER WITH MASTER CYLINDER ASSEMBLY

NG

REPAIR OR REPLACE HARNESS OR CONNECTOR (CTY CIRCUIT)

READ NEXT:

 Brake Warning Light does not Come ON

DESCRIPTION The skid control ECU (brake booster with master cylinder assembly) is connected to the combination meter assembly via CAN communication. CAUTION / NOTICE / HINT NOTICE: After replacing the

 Brake Warning Light Remains ON

DESCRIPTION The skid control ECU (brake booster with master cylinder assembly) is connected to the combination meter assembly via CAN communication. If any of the following is detected, the brake warn

 EPB System Malfunction (C13AF)

DESCRIPTION The skid control ECU (brake booster with master cylinder assembly) is connected to the parking brake ECU (brake actuator assembly) via CAN communication. If an electric parking brake syste

SEE MORE:

 Drive Motor "A" Inverter Voltage Sensor(VH) Circuit Voltage Below Threshold (P0D2D16,P0D2D17,P0D2D1F)

DESCRIPTION The inverter contains a three-phase bridge circuit, which consists of 6 power transistors (IGBTs) each for the generator (MG1) and motor (MG2). The inverter converts high-voltage direct current from the HV battery into three-phase alternating current for the generator (MG1) and motor (MG

 Lost Communication with Wiper System LIN BUS (B1373)

DESCRIPTION The main body ECU (multiplex network body ECU) and windshield wiper motor assembly communicate via LIN communication. The main body ECU (multiplex network body ECU) stores this DTC if communication becomes abnormal. DTC No. Detection Item DTC Detection Condition Trouble Area M

© 2016-2025 Copyright www.lexguide.net