Lexus ES: Black Screen
DESCRIPTION
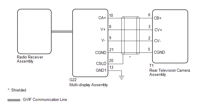
The video signal from the rear television camera assembly is transmitted to the multi-display assembly.
WIRING DIAGRAM
CAUTION / NOTICE / HINT
NOTICE:
-
If the cable was disconnected from and reconnected to the negative (-) battery terminal, the estimated course lines may not be displayed on the image of the area behind the vehicle. In this case, perform "Correct the Steering Angle Neutral Point".
Click here
-
Depending on the parts that are replaced or operations that are performed during vehicle inspection or maintenance, calibration of other systems as well as the parking assist monitor system may be needed.
Click here
PROCEDURE
| 1. | CHECK HARNESS AND CONNECTOR (REAR TELEVISION CAMERA ASSEMBLY - MULTI-DISPLAY ASSEMBLY) |
Click here
| NG | | REPAIR OR REPLACE HARNESS OR CONNECTOR |
|
OK | | |
| 2. | INSPECT MULTI-DISPLAY ASSEMBLY (CA+, CGND) |
Click here
| NG | | REPLACE MULTI-DISPLAY ASSEMBLY |
|
OK | | |
| 3. | INSPECT MULTI-DISPLAY ASSEMBLY (V+, GND1) |
Click here
| NG | | REPLACE REAR TELEVISION CAMERA ASSEMBLY |
|
OK | | |
| 4. | REPLACE MULTI-DISPLAY ASSEMBLY |
(a) Replace the multi-display assembly with a new or known good one.
Click here
(b) Check that the parking assist monitor system operates normally.
OK:
Parking assist monitor system operates normally.
| OK | | END |
| NG | | REPLACE REAR TELEVISION CAMERA ASSEMBLY |
READ NEXT:
DESCRIPTION This DTC is stored if the rear television camera assembly judges as a result of its self check that the vehicle information received from the main body ECU (multiplex network body ECU) via
DESCRIPTION This DTC is stored if the rear television camera assembly judges that there is an internal malfunction as a result of its self check. HINT: The rear television camera assembly stores diffe
DESCRIPTION This DTC is stored if the rear television camera assembly judges as a result of its self check that the signals or signal lines between the rear television camera assembly and multi-displa
SEE MORE:
DIAGNOSIS SYSTEM DESCRIPTION The main body ECU (multiplex network body ECU) and certification ECU (smart key ECU assembly) control the LIN communication system. LIN communication system data and Diagnostic Trouble Codes (DTCs) can be read through the Data Link Connector 3 (DLC3). When the system see
DESCRIPTION Click here WIRING DIAGRAM Click here CAUTION / NOTICE / HINT NOTICE: The vehicle is equipped with a Supplemental Restraint System (SRS) which includes components such as airbags. Before servicing (including removal or installation of parts), be sure to read the precaution for Supplem
© 2016-2025 Copyright www.lexguide.net
