Lexus ES: System Diagram
SYSTEM DIAGRAM
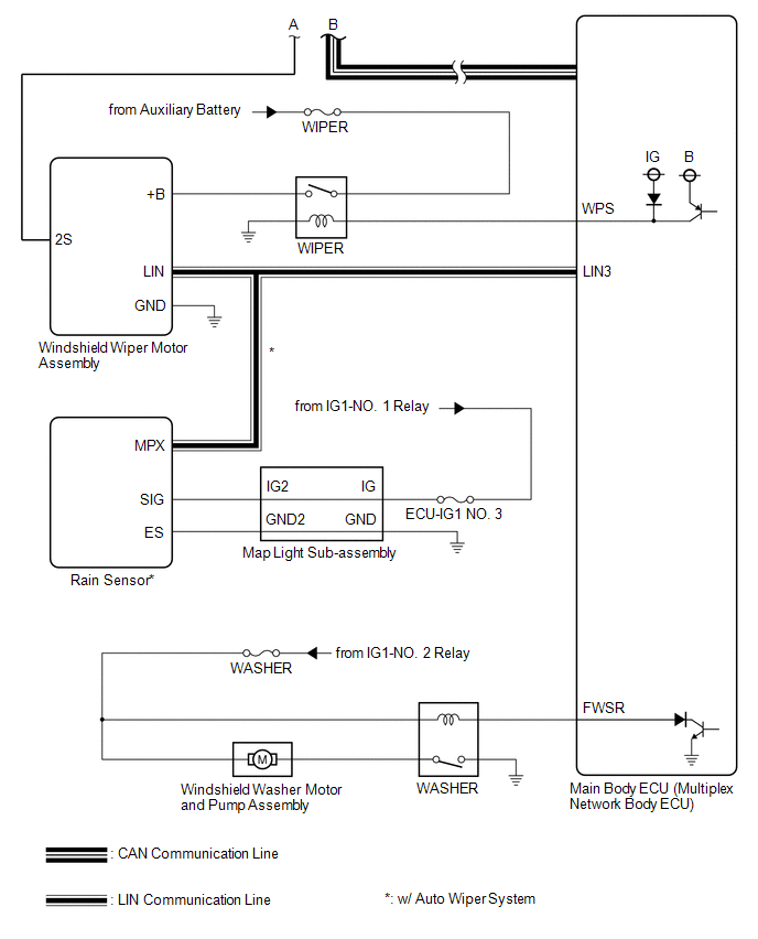
FRONT WIPER AND WASHER SYSTEM
WASHER FLUID LEVEL WARNING SYSTEM
.png)
READ NEXT:
SYSTEM DESCRIPTION FRONT WIPER AND WASHER CONTROL FUNCTION Control/Function Description Wiper speed regulation Maintains the default speed of the wipers even when the supply voltage or resi
CAUTION / NOTICE / HINT HINT:
Use the following procedure to troubleshoot the wiper and washer system.
*: Use the Techstream.
PROCEDURE 1. VEHICLE BROUGHT TO WORKSHOP
NEXT
CHECK FOR INTERMITTENT PROBLEMS NOTICE:
If the vehicle or vehicle controls are operated (for example, during initial inspection when the vehicle is brought in for repair) before operation history h
SEE MORE:
DTC CHECK / CLEAR CHECK DTC (a) Connect the Techstream to the DLC3. (b) Turn the engine switch on (IG). (c) Turn the Techstream on. (d) Enter the following menus: Body Electrical / (desired system) / Trouble Codes. Body Electrical > Master Switch > Trouble Codes Body Electrical > D-Door Mot
DTC COMBINATION TABLE HOW TO INTERPRET COMMUNICATION DTCS (DTCS THAT START WITH U) (a) If a CAN communication error cannot be reproduced, determine the suspected malfunctioning part using the DTCs stored in ECUs that are connected to the CAN buses by following the procedure below. HINT: Communicatio
© 2016-2025 Copyright www.lexguide.net
