Lexus ES: System Diagram
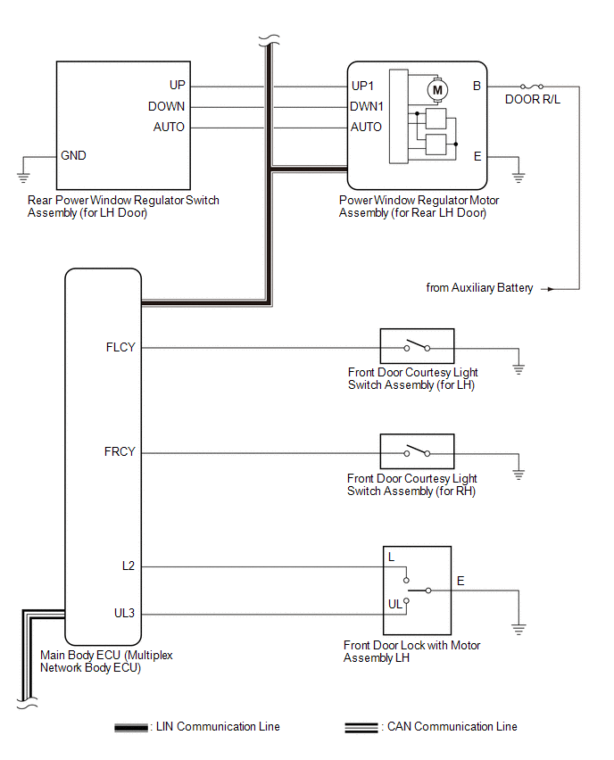
SYSTEM DIAGRAM
.png)
Communication Table
| Transmitting ECU | Receiving ECU | Signal | Communication Method |
| Multiplex Network Master Switch Assembly | Power Window Regulator Motor Assembly (for Driver Door) | Power window auto up and down signal | LIN |
-
Power Window Regulator Motor Assembly (for Front Passenger Door)
-
Power Window Regulator Motor Assembly (for Rear LH Door)
-
Power Window Regulator Motor Assembly (for Rear RH Door)
| Power window remote up and down signal | LIN |
| Main Body ECU (Multiplex Network Body ECU) | -
Power Window Regulator Motor Assembly (for Driver Door)
-
Power Window Regulator Motor Assembly (for Front Passenger Door)
-
Power Window Regulator Motor Assembly (for Rear LH Door)
-
Power Window Regulator Motor Assembly (for Rear RH Door)
| Power window operation permission signal | LIN |
| Certification ECU (Smart Key ECU Assembly) | Main Body ECU (Multiplex Network Body ECU) | Wireless power window operation signal | CAN |
| Main Body ECU (Multiplex Network Body ECU) | Combination Meter Assembly | Window open warning request signal | CAN |
READ NEXT:
CAUTION / NOTICE / HINT HINT:
Use the following procedure to troubleshoot the power window control system.
*: Use the Techstream.
PROCEDURE 1. VEHICLE BROUGHT TO WORKSHOP
NEXT
OPERATION CHECK CHECK WINDOW LOCK FUNCTION HINT: Before performing the window lock switch operation check, make sure that the window lock switch is off (the switch is not pushed in). (a) Turn the win
CUSTOMIZE PARAMETERS CUSTOMIZE POWER WINDOW CONTROL SYSTEM HINT: The following items can be customized. NOTICE:
When the customer requests a change in a function, first make sure that the function
SEE MORE:
Checking the specified tire inflation
pressure
The recommended cold tire inflation
pressure and tire size are displayed on
the tire and loading information label.
Inspection and adjustment procedure
Tire valve
Tire pressure gauge
1. Remove the tire valve cap.
2. Press the tip of
DESCRIPTION There may be a short circuit between one of the CAN bus lines and GND when there is no resistance between terminal 22 (CA2H) of the central gateway ECU (network gateway ECU) and terminal 4 (CG) of the DLC3, or terminal 7 (CA2L) of the central gateway ECU (network gateway ECU) and termina
© 2016-2026 Copyright www.lexguide.net
