Lexus ES: System Diagram
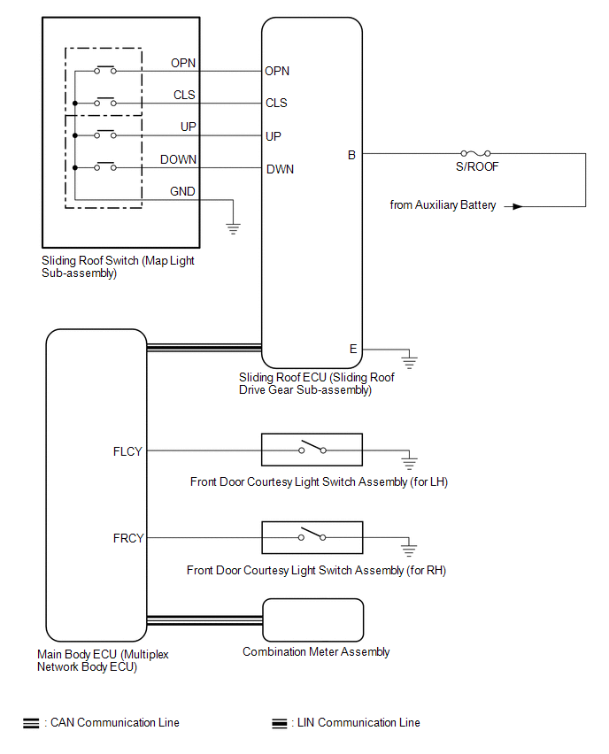
SYSTEM DIAGRAM

Communication Table
| Sender | Receiver | Signal | Line |
| Main Body ECU (Multiplex Network Body ECU) | Sliding Roof ECU (Sliding Roof Drive Gear Sub-assembly) | -
Sliding roof operation permission signal
-
IG signal
-
Front door courtesy light switch assembly signal
-
Key-linked operation signal
-
Wireless transmitter-linked operation signal
-
Vehicle speed signal
| LIN |
| Sliding Roof ECU (Sliding Roof Drive Gear Sub-assembly) | Main Body ECU (Multiplex Network Body ECU) | Sliding roof position signal | LIN |
| Combination Meter Assembly | Main Body ECU (Multiplex Network Body ECU) | Vehicle speed signal | CAN |
| Main Body ECU (Multiplex Network Body ECU) | Combination Meter Assembly | Sliding roof open warning request signal | CAN |
READ NEXT:
SYSTEM DESCRIPTION SLIDING ROOF SYSTEM DESCRIPTION (a) The sliding roof system controls the sliding roof operation using the sliding roof ECU (sliding roof drive gear sub-assembly). Operating the slid
CAUTION / NOTICE / HINT HINT:
Use the following procedure to troubleshoot the sliding roof system.
*: Use the Techstream.
PROCEDURE 1. VEHICLE BROUGHT TO WORKSHOP
NEXT
OPERATION CHECK CHECK AUTO OPERATION FUNCTION NOTICE:
Make sure that initialization has been completed before performing this inspection.
Click here
The sliding roof auto operation can be custo
SEE MORE:
REMOVAL CAUTION / NOTICE / HINT The necessary procedures (adjustment, calibration, initialization or registration) that must be performed after parts are removed and installed, or replaced during rear crankshaft oil seal removal/installation are shown below. Necessary Procedure After Parts Removed/I
INSPECTION CAUTION / NOTICE / HINT CAUTION: Be careful so that fingers and clothing do not get caught in the moving parts when performing this test. PROCEDURE 1. INSPECT WINDSHIELD WIPER MOTOR ASSEMBLY (a) Check the HI operation. (1) Connect a positive (+) lead from the auxiliary battery to termi
© 2016-2026 Copyright www.lexguide.net
