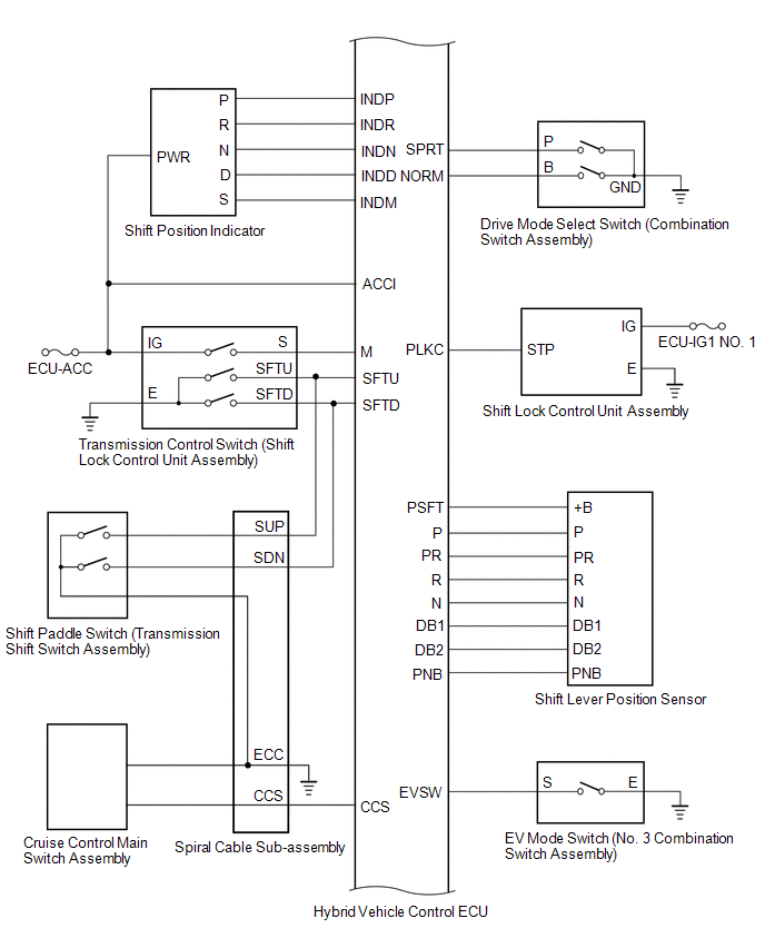
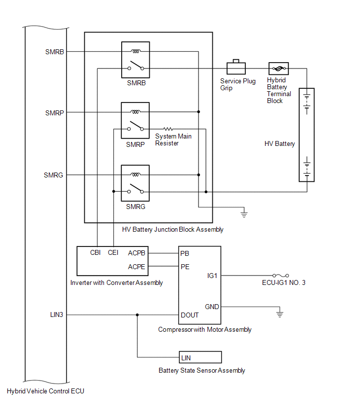
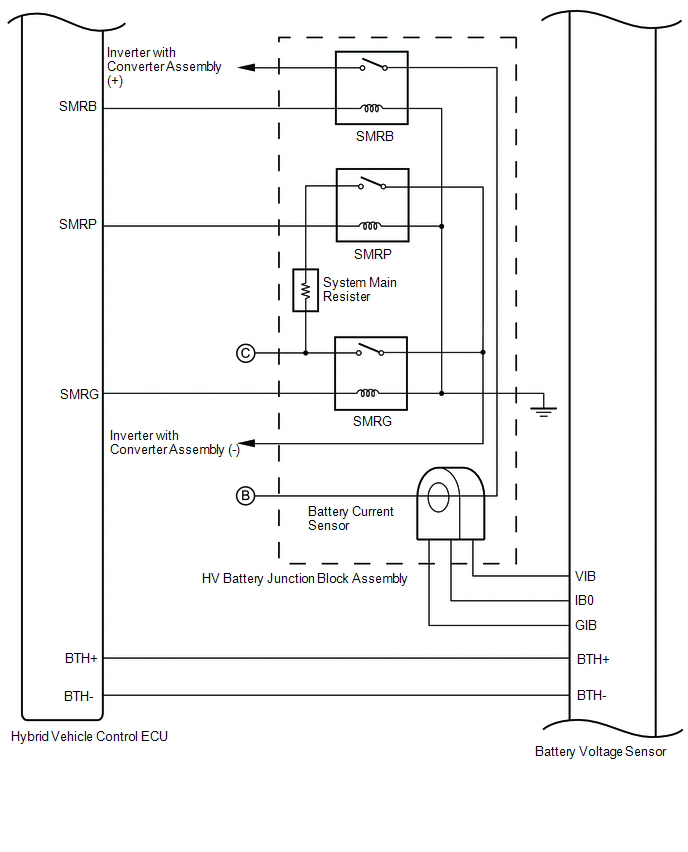
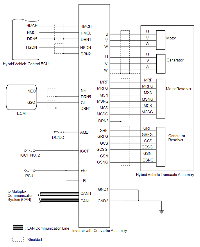
Lexus ES: System Diagram
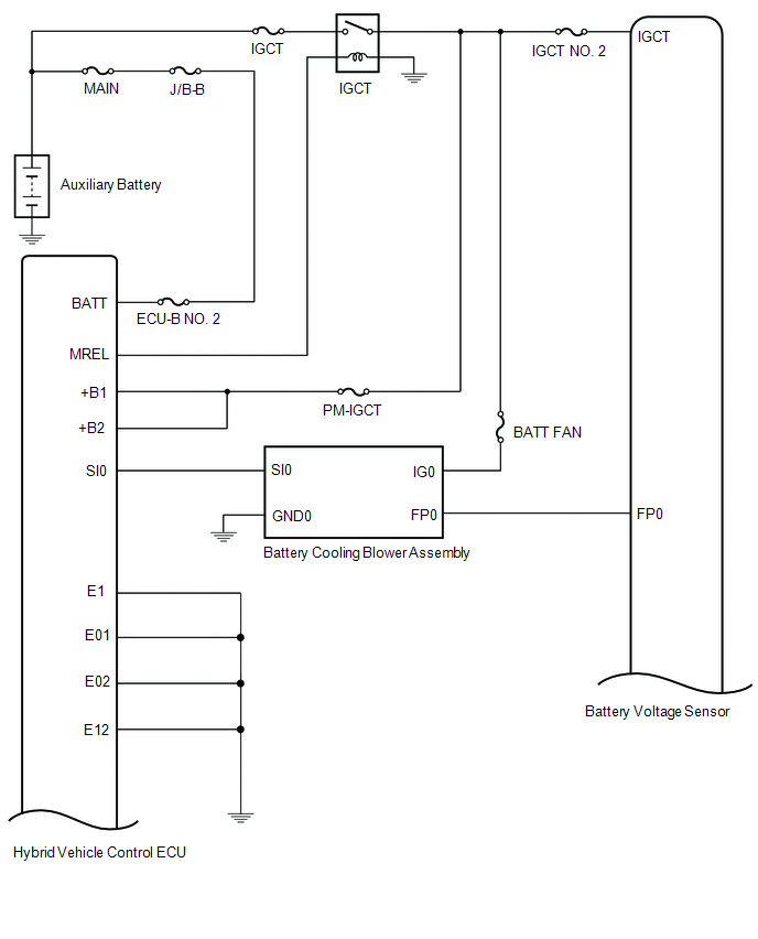
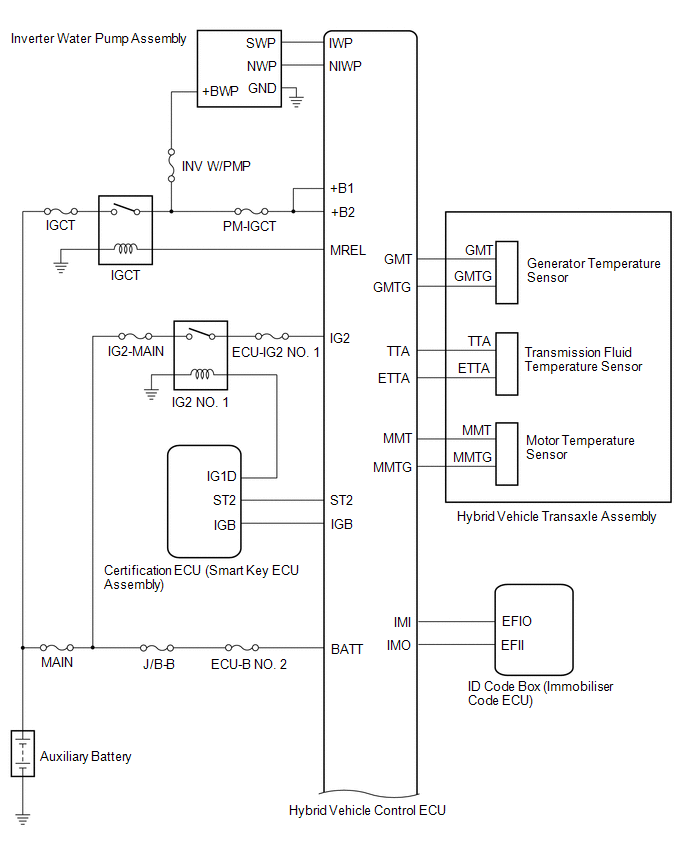
SYSTEM DIAGRAM

READ NEXT:
CAUTION / NOTICE / HINT HINT:
*: Use the Techstream
Use the following procedure to troubleshoot the hybrid control system.
PROCEDURE 1. VEHICLE BROUGHT TO WORKSHOP
NEXT
UTILITY ALL READINESS HINT:
With "All Readiness", you can check whether or not the DTC judgment has been completed by using the Techstream.
You should check "All Readiness" after simulating malfu
PROBLEM SYMPTOMS TABLE Hybrid Control System Symptom Suspected Area Link Cannot enter EV drive mode CAN Communication System Pattern Select Switch EV Mode Circuit EV mod
SEE MORE:
DATA LIST / ACTIVE TEST NOTICE: In the table below, the values listed under "Normal Condition" are reference values. Do not depend solely on these reference values when deciding whether a part is faulty or not. The actual values may differ from the values listed in the chart under "Reference Value"
FREEZE FRAME DATA FREEZE FRAME DATA HINT: The motor generator control ECU records vehicle and driving condition information as freeze frame data the moment a DTC is stored. It can be used for estimating or duplicating the vehicle conditions that were present when the malfunction occurred. (a) Connec
© 2016-2026 Copyright www.lexguide.net
