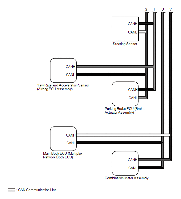
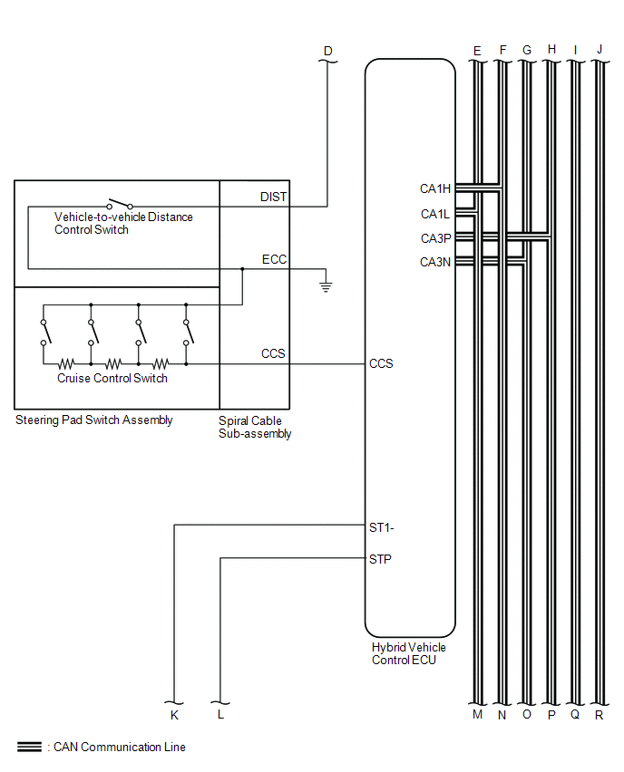
Lexus ES: System Diagram
SYSTEM DIAGRAM

READ NEXT:
CAUTION / NOTICE / HINT HINT:
Before performing troubleshooting for the dynamic radar cruise control system, perform troubleshooting for the pre-collision system.
Click here
*: Use the Techstre
ROAD TEST HINT:
The dynamic radar cruise control system has 2 cruise control modes: constant speed control mode and vehicle-to-vehicle distance control mode.
Vehicle-to-vehicle distance control m
OPERATION CHECK INPUT SIGNAL CHECK (a) Connect the Techstream to the DLC3. (b) Check the steering pad switch assembly using the Data List function of the Techstream (cruise control main switch, -SET s
SEE MORE:
REMOVAL CAUTION / NOTICE / HINT The necessary procedures (adjustment, calibration, initialization or registration) that must be performed after parts are removed and installed, or replaced during fuel sender gauge assembly removal/installation are shown below. Necessary Procedures After Parts Remove
DESCRIPTION Under normal operation, the windshield wiper motor assembly receives operation signals from the windshield wiper switch assembly via LIN communication. The windshield wiper motor assembly and windshield wiper switch assembly are also connected via direct line in order to operate the fron
© 2016-2026 Copyright www.lexguide.net
