Lexus ES manuals

Lexus ES: Speaker Output Short (B15C3)

DESCRIPTION

This DTC is stored when a malfunction occurs in the speakers.

DTC No.

Detection Item

DTC Detection Condition

Trouble Area

B15C3

Speaker Output Short

A short is detected in the speaker output circuit.

  • Harness or connector
  • Speaker
  • Stereo component amplifier assembly
  • DCM (telematics transceiver)*
  • *: w/ Manual (SOS) Switch

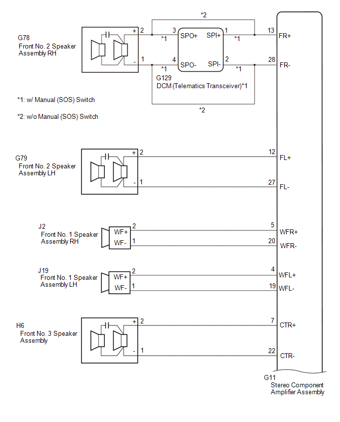
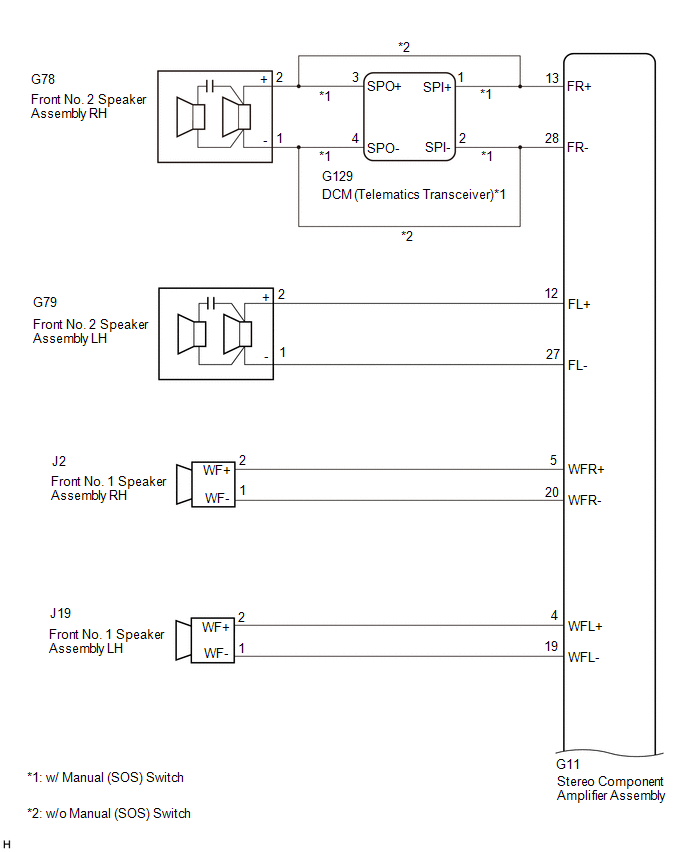
WIRING DIAGRAM

for 10 Speakers for 17 Speakers

CAUTION / NOTICE / HINT

NOTICE:

  • Depending on the parts that are replaced during vehicle inspection or maintenance, performing initialization, registration or calibration may be needed. Refer to Precaution for Navigation System.

    Click here

  • Before replacing the DCM (telematics transceiver), refer to Registration.

    Click here

PROCEDURE

1.

CHECK MODEL

(a) Choose the model to be inspected.

Result

Proceed to

for 10 Speakers (w/ Manual (SOS) Switch)

A

for 10 Speakers (w/o Manual (SOS) Switch)

B

for 17 Speakers (w/ Manual (SOS) Switch)

C

for 17 Speakers (w/o Manual (SOS) Switch)

D

B

GO TO STEP 5

C

GO TO STEP 11

D

GO TO STEP 14

A

2.

CHECK HARNESS AND CONNECTOR (STEREO COMPONENT AMPLIFIER ASSEMBLY - BODY GROUND)

(a) Disconnect the G11 stereo component amplifier assembly connector.

(b) Disconnect the G129 DCM (telematics transceiver) connector.

(c) Disconnect the G79 front No. 2 speaker assembly LH connector.

(d) Disconnect the J2 and J19 front No. 1 speaker assembly connectors.

(e) Disconnect the H6 front No. 3 speaker assembly connector.

(f) Disconnect the M1 and L6 rear speaker assembly connectors. (Door Trim Wood Panel Type, w/o Ambient Light)

(g) Disconnect the M1 and M4 rear speaker assembly connectors. (Except Door Trim Wood Panel Type)

(h) Disconnect the M1 and M4 rear speaker assembly connectors. (w/ Ambient Light)

(i) Disconnect the N75 speaker assembly with bracket connector.

(j) Measure the resistance according to the value(s) in the table below.

Standard Resistance:

Tester Connection

Condition

Specified Condition

G11-13 (FR+) or G129-1 (SPI+) - Body ground

Always

10 kΩ or higher

G11-28 (FR-) or G129-2 (SPI-) - Body ground

Always

10 kΩ or higher

G11-12 (FL+) or G79-2 (+) - Body ground

Always

10 kΩ or higher

G11-27 (FL-) or G79-1 (-) - Body ground

Always

10 kΩ or higher

G11-5 (WFR+) or J2-2 (WF+) - Body ground

Always

10 kΩ or higher

G11-20 (WFR-) or J2-1 (WF-) - Body ground

Always

10 kΩ or higher

G11-4 (WFL+) or J19-2 (WF+) - Body ground

Always

10 kΩ or higher

G11-19 (WFL-) or J19-1 (WF-) - Body ground

Always

10 kΩ or higher

G11-7 (CTR+) or H6-2 (+) - Body ground

Always

10 kΩ or higher

G11-22 (CTR-) or H6-1 (-) - Body ground

Always

10 kΩ or higher

G11-9 (RR+) or M1-2 (+) - Body ground

Always

10 kΩ or higher

G11-24 (RR-) or M1-1 (-) - Body ground

Always

10 kΩ or higher

G11-8 (RL+) or L6-2 (+) - Body ground*1

Always

10 kΩ or higher

G11-23 (RL-) or L6-1 (-) - Body ground*1

Always

10 kΩ or higher

G11-8 (RL+) or M4-2 (+) - Body ground*2, *3

Always

10 kΩ or higher

G11-23 (RL-) or M4-1 (-) - Body ground*2, *3

Always

10 kΩ or higher

G11-6 (WF1+) or N75-2 (WF1+) - Body ground

Always

10 kΩ or higher

G11-21 (WF1-) or N75-1 (WF1-) - Body ground

Always

10 kΩ or higher

  • *1: Door Trim Wood Panel Type, w/o Ambient Light
  • *2: Except Door Trim Wood Panel Type
  • *3: w/ Ambient Light
NG

REPAIR OR REPLACE HARNESS OR CONNECTOR

OK

3.

CHECK HARNESS AND CONNECTOR (DCM (TELEMATICS TRANSCEIVER) - BODY GROUND)

(a) Disconnect the G129 DCM (telematics transceiver) connector.

(b) Disconnect the G78 front No. 2 speaker assembly RH connector.

(c) Measure the resistance according to the value(s) in the table below.

Standard Resistance:

Tester Connection

Condition

Specified Condition

G129-3 (SPO+) or G78-2 (+) - Body ground

Always

10 kΩ or higher

G129-4 (SPO-) or G78-1 (-) - Body ground

Always

10 kΩ or higher

NG

REPAIR OR REPLACE HARNESS OR CONNECTOR

OK

4.

INSPECT DCM (TELEMATICS TRANSCEIVER)

(a) Remove the DCM (telematics transceiver).

Click here

(b) Measure the resistance according to the value(s) in the table below.

Standard Resistance:

Tester Connection

Condition

Specified Condition

1 (SPI+) - 3 (SPO+)

Always

Below 1 Ω

2 (SPI-) - 4 (SPO-)

Always

Below 1 Ω

1 (SPI+) - 2 (SPI-)

Always

10 kΩ or higher

3 (SPO+) - 4 (SPO-)

Always

10 kΩ or higher

1 (SPI+) or 3 (SPO+) - Body ground

Always

10 kΩ or higher

2 (SPI-) or 4 (SPO-) - Body ground

Always

10 kΩ or higher

*a

Component without harness connected

(DCM (Telematics Transceiver))

OK

GO TO STEP 6

NG

REPLACE DCM (TELEMATICS TRANSCEIVER)

5.

CHECK HARNESS AND CONNECTOR (STEREO COMPONENT AMPLIFIER ASSEMBLY - BODY GROUND)

(a) Disconnect the G11 stereo component amplifier assembly connector.

(b) Disconnect the G78 and G79 front No. 2 speaker assembly connectors.

(c) Disconnect the J2 and J19 front No. 1 speaker assembly connectors.

(d) Disconnect the H6 front No. 3 speaker assembly connector.

(e) Disconnect the M1 and M4 rear speaker assembly connectors.

(f) Disconnect the N75 speaker assembly with bracket connector.

(g) Measure the resistance according to the value(s) in the table below.

Standard Resistance:

Tester Connection

Condition

Specified Condition

G11-13 (FR+) or G78-2 (+) - Body ground

Always

10 kΩ or higher

G11-28 (FR-) or G78-1 (-) - Body ground

Always

10 kΩ or higher

G11-12 (FL+) or G79-2 (+) - Body ground

Always

10 kΩ or higher

G11-27 (FL-) or G79-1 (-) - Body ground

Always

10 kΩ or higher

G11-5 (WFR+) or J2-2 (WF+) - Body ground

Always

10 kΩ or higher

G11-20 (WFR-) or J2-1 (WF-) - Body ground

Always

10 kΩ or higher

G11-4 (WFL+) or J19-2 (WF+) - Body ground

Always

10 kΩ or higher

G11-19 (WFL-) or J19-1 (WF-) - Body ground

Always

10 kΩ or higher

G11-7 (CTR+) or H6-2 (+) - Body ground

Always

10 kΩ or higher

G11-22 (CTR-) or H6-1 (-) - Body ground

Always

10 kΩ or higher

G11-9 (RR+) or M1-2 (+) - Body ground

Always

10 kΩ or higher

G11-24 (RR-) or M1-1 (-) - Body ground

Always

10 kΩ or higher

G11-8 (RL+) or M4-2 (+) - Body ground

Always

10 kΩ or higher

G11-23 (RL-) or M4-1 (-) - Body ground

Always

10 kΩ or higher

G11-6 (WF1+) or N75-2 (WF1+) - Body ground

Always

10 kΩ or higher

G11-21 (WF1-) or N75-1 (WF1-) - Body ground

Always

10 kΩ or higher

NG

REPAIR OR REPLACE HARNESS OR CONNECTOR

OK

6.

INSPECT FRONT NO. 1 SPEAKER ASSEMBLY

(a) Remove the front No. 1 speaker assembly.

Click here

(b) Inspect the front No. 1 speaker assembly.

Click here

NG

REPLACE FRONT NO. 1 SPEAKER ASSEMBLY

OK

7.

INSPECT REAR SPEAKER ASSEMBLY

(a) Remove the rear speaker assembly.

Click here

(b) Inspect the rear speaker assembly.

Click here

NG

REPLACE REAR SPEAKER ASSEMBLY

OK

8.

INSPECT SPEAKER ASSEMBLY WITH BRACKET

(a) Remove the speaker assembly with bracket.

Click here

(b) Inspect the speaker assembly with bracket.

Click here

NG

REPLACE SPEAKER ASSEMBLY WITH BRACKET

OK

9.

INSPECT FRONT NO. 3 SPEAKER ASSEMBLY

(a) Remove the front No. 3 speaker assembly.

Click here

(b) Inspect the front No. 3 speaker assembly.

Click here

NG

REPLACE FRONT NO. 3 SPEAKER ASSEMBLY

OK

10.

REPLACE FRONT NO. 2 SPEAKER ASSEMBLY

(a) Remove the front No. 2 speaker assembly.

Click here

(b) Inspect the front No. 2 speaker assembly.

Click here

(c) Clear the DTCs.

Body Electrical > Navigation System > Clear DTCs

(d) Recheck for DTCs and check that no DTCs are output.

Body Electrical > Navigation System > Trouble Codes

OK:

No DTCs are output.

OK

END

NG

REPLACE STEREO COMPONENT AMPLIFIER ASSEMBLY

11.

CHECK HARNESS AND CONNECTOR (STEREO COMPONENT AMPLIFIER ASSEMBLY - BODY GROUND)

(a) Disconnect the G11 stereo component amplifier assembly connector.

(b) Disconnect the G129 DCM (telematics transceiver) connector.

(c) Disconnect the G79 front No. 2 speaker assembly LH connector.

(d) Disconnect the J2 and J19 front No. 1 speaker assembly connectors.

(e) Disconnect the H6 front No. 3 speaker assembly connector.

(f) Disconnect the J1 and J18 front No. 4 speaker assembly connectors.

(g) Disconnect the M1 and M4 rear speaker assembly connectors.

(h) Disconnect the N75 speaker assembly with bracket connector.

(i) Measure the resistance according to the value(s) in the table below.

Standard Resistance:

Tester Connection

Condition

Specified Condition

G11-13 (FR+) or G129-1 (SPI+) - Body ground

Always

10 kΩ or higher

G11-28 (FR-) or G129-2 (SPI-) - Body ground

Always

10 kΩ or higher

G11-12 (FL+) or G79-2 (+) - Body ground

Always

10 kΩ or higher

G11-27 (FL-) or G79-1 (-) - Body ground

Always

10 kΩ or higher

G11-5 (WFR+) or J2-2 (WF+) - Body ground

Always

10 kΩ or higher

G11-20 (WFR-) or J2-1 (WF-) - Body ground

Always

10 kΩ or higher

G11-4 (WFL+) or J19-2 (WF+) - Body ground

Always

10 kΩ or higher

G11-19 (WFL-) or J19-1 (WF-) - Body ground

Always

10 kΩ or higher

G11-7 (CTR+) or H6-2 (+) - Body ground

Always

10 kΩ or higher

G11-22 (CTR-) or H6-1 (-) - Body ground

Always

10 kΩ or higher

G11-9 (RR+) or M1-2 (+) - Body ground

Always

10 kΩ or higher

G11-24 (RR-) or M1-1 (-) - Body ground

Always

10 kΩ or higher

G11-8 (RL+) or M4-2 (+) - Body ground

Always

10 kΩ or higher

G11-23 (RL-) or M4-1 (-) - Body ground

Always

10 kΩ or higher

G11-11 (TWR+) or J1-2 (+) - Body ground

Always

10 kΩ or higher

G11-26 (TWR-) or J1-1 (-) - Body ground

Always

10 kΩ or higher

G11-10 (TWL+) or J18-2 (+) - Body ground

Always

10 kΩ or higher

G11-25 (TWL-) or J18-1 (-) - Body ground

Always

10 kΩ or higher

G11-6 (WF1+) or N75-2 (WF1+) - Body ground

Always

10 kΩ or higher

G11-21 (WF1-) or N75-1 (WF1-) - Body ground

Always

10 kΩ or higher

NG

REPAIR OR REPLACE HARNESS OR CONNECTOR

OK

12.

CHECK HARNESS AND CONNECTOR (DCM (TELEMATICS TRANSCEIVER) - BODY GROUND)

(a) Disconnect the G129 DCM (telematics transceiver) connector.

(b) Disconnect the G78 front No. 2 speaker assembly RH connector.

(c) Measure the resistance according to the value(s) in the table below.

Standard Resistance:

Tester Connection

Condition

Specified Condition

G129-3 (SPO+) or G78-2 (+) - Body ground

Always

10 kΩ or higher

G129-4 (SPO-) or G78-1 (-) - Body ground

Always

10 kΩ or higher

NG

REPAIR OR REPLACE HARNESS OR CONNECTOR

OK

13.

INSPECT DCM (TELEMATICS TRANSCEIVER)

(a) Remove the DCM (telematics transceiver).

Click here

(b) Measure the resistance according to the value(s) in the table below.

Standard Resistance:

Tester Connection

Condition

Specified Condition

1 (SPI+) - 3 (SPO+)

Always

Below 1 Ω

2 (SPI-) - 4 (SPO-)

Always

Below 1 Ω

1 (SPI+) - 2 (SPI-)

Always

10 kΩ or higher

3 (SPO+) - 4 (SPO-)

Always

10 kΩ or higher

1 (SPI+) or 3 (SPO+) - Body ground

Always

10 kΩ or higher

2 (SPI-) or 4 (SPO-) - Body ground

Always

10 kΩ or higher

*a

Component without harness connected

(DCM (Telematics Transceiver))

OK

GO TO STEP 15

NG

REPLACE DCM (TELEMATICS TRANSCEIVER)

14.

CHECK HARNESS AND CONNECTOR (STEREO COMPONENT AMPLIFIER ASSEMBLY - BODY GROUND)

(a) Disconnect the G11 stereo component amplifier assembly connector.

(b) Disconnect the G78 and G79 front No. 2 speaker assembly connectors.

(c) Disconnect the J2 and J19 front No. 1 speaker assembly connectors.

(d) Disconnect the H6 front No. 3 speaker assembly connector.

(e) Disconnect the J1 and J18 front No. 4 speaker assembly connectors.

(f) Disconnect the M1 and M4 rear speaker assembly connectors.

(g) Disconnect the N75 speaker assembly with bracket connector.

(h) Measure the resistance according to the value(s) in the table below.

Standard Resistance:

Tester Connection

Condition

Specified Condition

G11-13 (FR+) or G78-2 (+) - Body ground

Always

10 kΩ or higher

G11-28 (FR-) or G78-1 (-) - Body ground

Always

10 kΩ or higher

G11-12 (FL+) or G79-2 (+) - Body ground

Always

10 kΩ or higher

G11-27 (FL-) or G79-1 (-) - Body ground

Always

10 kΩ or higher

G11-5 (WFR+) or J2-2 (WF+) - Body ground

Always

10 kΩ or higher

G11-20 (WFR-) or J2-1 (WF-) - Body ground

Always

10 kΩ or higher

G11-4 (WFL+) or J19-2 (WF+) - Body ground

Always

10 kΩ or higher

G11-19 (WFL-) or J19-1 (WF-) - Body ground

Always

10 kΩ or higher

G11-7 (CTR+) or H6-2 (+) - Body ground

Always

10 kΩ or higher

G11-22 (CTR-) or H6-1 (-) - Body ground

Always

10 kΩ or higher

G11-9 (RR+) or M1-2 (+) - Body ground

Always

10 kΩ or higher

G11-24 (RR-) or M1-1 (-) - Body ground

Always

10 kΩ or higher

G11-8 (RL+) or M4-2 (+) - Body ground

Always

10 kΩ or higher

G11-23 (RL-) or M4-1 (-) - Body ground

Always

10 kΩ or higher

G11-11 (TWR+) or J1-2 (+) - Body ground

Always

10 kΩ or higher

G11-26 (TWR-) or J1-1 (-) - Body ground

Always

10 kΩ or higher

G11-10 (TWL+) or J18-2 (+) - Body ground

Always

10 kΩ or higher

G11-25 (TWL-) or J18-1 (-) - Body ground

Always

10 kΩ or higher

G11-6 (WF1+) or N75-2 (WF1+) - Body ground

Always

10 kΩ or higher

G11-21 (WF1-) or N75-1 - (WF1-) Body ground

Always

10 kΩ or higher

NG

REPAIR OR REPLACE HARNESS OR CONNECTOR

OK

15.

INSPECT FRONT NO. 1 SPEAKER ASSEMBLY

(a) Remove the front No. 1 speaker assembly.

Click here

(b) Inspect the front No. 1 speaker assembly.

Click here

NG

REPLACE FRONT NO. 1 SPEAKER ASSEMBLY

OK

16.

INSPECT SPEAKER ASSEMBLY WITH BRACKET

(a) Remove the speaker assembly with bracket.

Click here

(b) Inspect the speaker assembly with bracket.

Click here

NG

REPLACE SPEAKER ASSEMBLY WITH BRACKET

OK

17.

REPLACE FRONT NO. 2 SPEAKER ASSEMBLY

(a) Remove the front No. 2 speaker assembly.

Click here

(b) Inspect the front No. 2 speaker assembly.

Click here

(c) Clear the DTCs.

Body Electrical > Navigation System > Clear DTCs

(d) Recheck for DTCs and check that no DTCs are output.

Body Electrical > Navigation System > Trouble Codes

OK:

No DTCs are output.

OK

END

NG

18.

REPLACE FRONT NO. 3 SPEAKER ASSEMBLY

(a) Remove the front No. 3 speaker assembly.

Click here

(b) Inspect the front No. 3 speaker assembly.

Click here

(c) Clear the DTCs.

Body Electrical > Navigation System > Clear DTCs

(d) Recheck for DTCs and check that no DTCs are output.

Body Electrical > Navigation System > Trouble Codes

OK:

No DTCs are output.

OK

END

NG

19.

REPLACE FRONT NO. 4 SPEAKER ASSEMBLY

(a) Remove the front No. 4 speaker assembly.

Click here

(b) Inspect the front No. 4 speaker assembly.

Click here

(c) Clear the DTCs.

Body Electrical > Navigation System > Clear DTCs

(d) Recheck for DTCs and check that no DTCs are output.

Body Electrical > Navigation System > Trouble Codes

OK:

No DTCs are output.

OK

END

NG

20.

REPLACE REAR SPEAKER ASSEMBLY

(a) Remove the rear speaker assembly.

Click here

(b) Inspect the rear speaker assembly.

Click here

(c) Clear the DTCs.

Body Electrical > Navigation System > Clear DTCs

(d) Recheck for DTCs and check that no DTCs are output.

Body Electrical > Navigation System > Trouble Codes

OK:

No DTCs are output.

OK

END

NG

REPLACE STEREO COMPONENT AMPLIFIER ASSEMBLY

READ NEXT:

 MOST Communication Malfunction (B15D0)

DESCRIPTION Navigation system components communicate with each other via MOST communication. If a line short or short to ground occurs in a MOST communication line, communication will not be possible

 Stereo Component Amplifier Disconnected (B15D3)

DESCRIPTION The radio receiver assembly and stereo component amplifier assembly are connected via MOST communication lines. When a MOST communication error occurs between the radio receiver assembly a

 Display Disconnected (B15D6)

DESCRIPTION The multi-display assembly and radio receiver assembly are connected by AVC-LAN communication lines. This DTC is stored when an AVC-LAN communication error occurs between the multi-display

SEE MORE:

 Power Mirror cannot be Adjusted with Power Mirror Switch

DESCRIPTION The outer mirror switch assembly sends the mirror adjust switch signals to the main body ECU (multiplex network body ECU). The main body ECU (multiplex network body ECU) then sends the received mirror adjust switch signals to each outer mirror control ECU assembly via CAN communication.

 O2 Sensor Slow Response - Rich to Lean Bank 1 Sensor 1 (P014C00,P014D00,P015A00,P015B00)

DESCRIPTION Refer to DTC P003012. Click here HINT: Although the DTC titles say O2 sensor, these DTCs relate to the air fuel ratio sensor (sensor 1). DTC No. Detection Item DTC Detection Condition Trouble Area MIL Memory Note P014C00 O2 Sensor Slow Response - Rich to Lean Bank

© 2016-2025 Copyright www.lexguide.net