Lexus ES manuals

Lexus ES: Lost Communication with Image Processing Sensor B (U0266-U0268)

DESCRIPTION

These DTCs are stored when communication between the parking assist ECU and front television camera assembly, side television camera assembly LH, side television camera RH is not possible.

DTC No.

Detection Item

DTC Detection Condition

Trouble Area

U0266

Lost Communication with Image Processing Sensor B

Lost Communication with side television camera assembly LH

CAN communication system

U0267

Lost Communication with Image Processing Sensor C

Lost Communication with front television camera assembly

CAN communication system

U0268

Lost Communication with Image Processing Sensor D

Lost Communication with side television camera assembly RH

CAN communication system

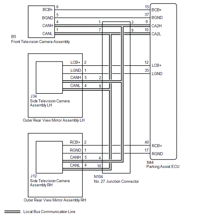
WIRING DIAGRAM

CAUTION / NOTICE / HINT

NOTICE:

  • After turning the engine switch off, waiting time may be required before disconnecting the cable from the negative (-) auxiliary battery terminal. Therefore, make sure to read the disconnecting the cable from the negative (-) auxiliary battery terminal notices before proceeding with work.

    Click here

  • Inspect the fuses for circuits related to this system before performing the following procedure.

PROCEDURE

1.

CHECK DTC

(a) Clear the DTCs.

Chassis > Circumference Monitoring Camera Control Module > Clear DTCs

(b) Recheck for DTCs and check that no DTCs are output.

Chassis > Circumference Monitoring Camera Control Module > Trouble Codes

Result

Proceed to

All DTCs are not output

A

All DTCs are output

B

DTC U0266 is output

C

DTC U0267 is output

D

DTCs U0268 is output

E

A

USE SIMULATION METHOD TO CHECK

C

GO TO STEP 9

D

GO TO STEP 10

E

GO TO STEP 11

B

2.

CHECK LOCAL BUS

(a) Disconnect the cable from the negative (-) auxiliary battery terminal.

(b) Measure the resistance according to the value(s) in the table below.

Standard Resistance:

Tester Connection

Condition

Specified Condition

N104-3 - N104-9

Cable disconnected from negative (-) auxiliary battery terminal

54 to 69 Ω

Result

Proceed to

OK

A

NG (Below 54 Ω)

B

NG (70 Ω or higher)

C

A

USE SIMULATION METHOD TO CHECK

C

GO TO STEP 7

B

3.

CHECK HARNESS AND CONNECTOR (PARKING ASSIST ECU - NO. 27 JUNCTION CONNECTOR)

(a) Disconnect the cable from the negative (-) auxiliary battery terminal.

(b) Disconnect the N104 No. 27 junction connector.

(c) Connect the N44 parking assist ECU connector.

(d) Measure the resistance according to the value(s) in the table below.

Standard Resistance:

Tester Connection

Condition

Specified Condition

N104-3 - N104-9

Cable disconnected from negative (-) auxiliary battery terminal

108 to 132 Ω

NG

REPLACE PARKING ASSIST ECU

OK

4.

CHECK HARNESS AND CONNECTOR (SIDE TELEVISION CAMERA ASSEMBLY LH - NO. 27 JUNCTION CONNECTOR)

(a) Disconnect the cable from the negative (-) auxiliary battery terminal.

(b) Disconnect the N104 No. 27 junction connector.

(c) Connect the J34 side television camera assembly LH connector.

(d) Measure the resistance according to the value(s) in the table below.

Standard Resistance:

Tester Connection

Condition

Specified Condition

N104-2 - N104-8

Cable disconnected from negative (-) auxiliary battery terminal

108 to 132 Ω

NG

REPLACE SIDE TELEVISION CAMERA ASSEMBLY LH

OK

5.

CHECK HARNESS AND CONNECTOR (FRONT TELEVISION CAMERA ASSEMBLY - NO. 27 JUNCTION CONNECTOR)

(a) Disconnect the cable from the negative (-) auxiliary battery terminal.

(b) Disconnect the N104 No. 27 junction connector.

(c) Connect the B5 front television camera assembly connector.

(d) Measure the resistance according to the value(s) in the table below.

Standard Resistance:

Tester Connection

Condition

Specified Condition

N104-1 - N104-7

Cable disconnected from negative (-) auxiliary battery terminal

200 Ω or higher

NG

REPLACE FRONT TELEVISION CAMERA ASSEMBLY

OK

6.

CHECK HARNESS AND CONNECTOR (SIDE TELEVISION CAMERA ASSEMBLY RH - NO. 27 JUNCTION CONNECTOR)

(a) Disconnect the cable from the negative (-) auxiliary battery terminal.

(b) Disconnect the N104 No. 27 junction connector.

(c) Connect the J12 side television camera assembly RH connector.

(d) Measure the resistance according to the value(s) in the table below.

Standard Resistance:

Tester Connection

Condition

Specified Condition

N104-4 - N104-10

Cable disconnected from negative (-) auxiliary battery terminal

200 Ω or higher

OK

REPLACE NO. 27 JUNCTION CONNECTOR

NG

REPLACE SIDE TELEVISION CAMERA ASSEMBLY RH

7.

CHECK HARNESS AND CONNECTOR (PARKING ASSIST ECU - NO. 27 JUNCTION CONNECTOR)

(a) Disconnect the cable from the negative (-) auxiliary battery terminal.

(b) Disconnect the N104 No. 27 junction connector.

(c) Connect the N44 parking assist ECU connector.

(d) Measure the resistance according to the value(s) in the table below.

Standard Resistance:

Tester Connection

Condition

Specified Condition

N44-9 (CA2H) - N44-10 (CA2L)

Cable disconnected from negative (-) auxiliary battery terminal

108 to 132 Ω

OK

REPLACE PARKING ASSIST ECU

NG

8.

CHECK HARNESS AND CONNECTOR (PARKING ASSIST ECU - NO. 27 JUNCTION CONNECTOR)

(a) Disconnect the cable from the negative (-) auxiliary battery terminal.

(b) Disconnect the N104 No. 27 junction connector.

(c) Connect the N44 parking assist ECU connector.

(d) Measure the resistance according to the value(s) in the table below.

Standard Resistance:

Tester Connection

Condition

Specified Condition

N104-3 - N104-9

Cable disconnected from negative (-) auxiliary battery terminal

108 to 132 Ω

OK

REPLACE NO. 27 JUNCTION CONNECTOR

NG

REPAIR OR REPLACE HARNESS OR CONNECTOR

9.

CHECK HARNESS AND CONNECTOR (SIDE TELEVISION CAMERA ASSEMBLY LH - NO. 27 JUNCTION CONNECTOR)

(a) Disconnect the cable from the negative (-) auxiliary battery terminal.

(b) Disconnect the J34 side television camera assembly LH connector.

(c) Measure the resistance according to the value(s) in the table below.

Standard Resistance:

Tester Connection

Condition

Specified Condition

J34-5 (CANH) - J34-4 (CANL)

Cable disconnected from negative (-) auxiliary battery terminal

108 to 132 Ω

OK

REPLACE SIDE TELEVISION CAMERA ASSEMBLY LH

NG

REPAIR OR REPLACE HARNESS OR CONNECTOR

10.

CHECK HARNESS AND CONNECTOR (FRONT TELEVISION CAMERA ASSEMBLY - NO. 27 JUNCTION CONNECTOR)

(a) Disconnect the cable from the negative (-) auxiliary battery terminal.

(b) Disconnect the B5 front television camera assembly connector.

(c) Measure the resistance according to the value(s) in the table below.

Standard Resistance:

Tester Connection

Condition

Specified Condition

B5-4 (CANH) - B5-1 (CANL)

Cable disconnected from negative (-) auxiliary battery terminal

108 to 132 Ω

OK

REPLACE FRONT TELEVISION CAMERA ASSEMBLY

NG

REPAIR OR REPLACE HARNESS OR CONNECTOR

11.

CHECK HARNESS AND CONNECTOR (SIDE TELEVISION CAMERA ASSEMBLY RH - NO. 27 JUNCTION CONNECTOR)

(a) Disconnect the cable from the negative (-) auxiliary battery terminal.

(b) Disconnect the J12 side television camera assembly RH connector.

(c) Measure the resistance according to the value(s) in the table below.

Standard Resistance:

Tester Connection

Condition

Specified Condition

J12-5 (CANH) - J12-4 (CANL)

Cable disconnected from negative (-) auxiliary battery terminal

108 to 132 Ω

OK

REPLACE SIDE TELEVISION CAMERA ASSEMBLY RH

NG

REPAIR OR REPLACE HARNESS OR CONNECTOR

READ NEXT:

 CAN Communication Failure (Message Registry) (U1000)

DESCRIPTION If DTC U1000 is stored frequently, duplicate the problem symptoms and perform troubleshooting again even if the DTC is not output when rechecking for DTCs. DTC No. Detection Item DT

 Parking Assist Ecu

 Components

COMPONENTS ILLUSTRATION *1 PARKING ASSIST ECU *2 PARKING ASSIST ECU COVER

SEE MORE:

 Manifold Absolute Pressure - Barometric Pressure Correlation (P006900)

DESCRIPTION The manifold absolute pressure sensor installed to the intake manifold detects the intake manifold pressure using a built-in sensor. An atmospheric pressure sensor is built in the ECM. When the engine is stopped, the value of the manifold absolute pressure sensor and atmospheric pressure

 Drive Motor "A" Position Sensor Circuit Voltage Below Threshold (P0A3F16,P0A3F1F)

DTC SUMMARY MALFUNCTION DESCRIPTION These DTCs indicate that the resolver output signal is abnormal. The cause of this malfunction may be one of the following: Area Main Malfunction Description Inverter low-voltage circuit The connectors are not connected properly Hybrid Vehicle Trans

© 2016-2026 Copyright www.lexguide.net