Lexus ES manuals

Lexus ES: Lost Communication with Blind Spot Monitor Slave Module (U0232)

DESCRIPTION

This DTC is stored when the blind spot monitor sensor RH judges that there is a communication problem with the blind spot monitor sensor LH.

DTC No.

Detection Item

DTC Detection Condition

Trouble Area

U0232

Lost Communication with Blind Spot Monitor Slave Module

The blind spot monitor sensor (master) cannot receive signals from the blind spot monitor sensor (slave)

  • Open or short in CAN bus main wire or connector
  • Open or short in No. 24 CAN junction connector
  • Blind spot monitor sensor LH
  • Power source circuit of blind spot monitor sensor LH
  • Blind spot monitor sensor LH ground circuit
  • Blind spot monitor sensor RH
  • Harness and connector

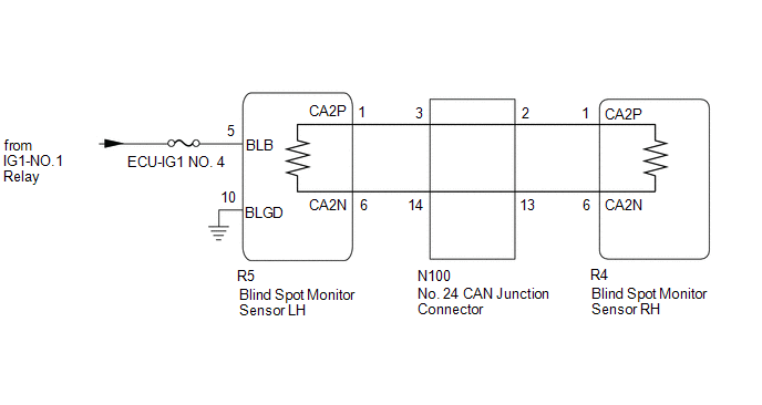
WIRING DIAGRAM

CAUTION / NOTICE / HINT

NOTICE:

  • When checking for DTCs, make sure that the blind spot monitor system is turned on.
  • Inspect the fuses for circuits related to this system before performing the following procedure.
  • Before measuring the resistance of the CAN bus, turn the power switch off and leave the vehicle for 1 minute or more without operating the key or any switches, or opening or closing the doors. After that, disconnect the cable from the negative (-) auxiliary battery terminal and leave the vehicle for 1 minute or more before measuring the resistance.
  • After turning the power switch off, waiting time may be required before disconnecting the cable from the negative (-) auxiliary battery terminal. Therefore, make sure to read the disconnecting the cable from the negative (-) auxiliary battery terminal notices before proceeding with work.

    Click here

HINT:

  • Operating the power switch, any other switches or a door triggers related ECU and sensor communication on the CAN. This communication will cause the resistance value to change.
  • Even after DTCs are cleared, if a DTC is stored again after driving the vehicle for a while, the malfunction may be occurring due to vibration of the vehicle. In such a case, wiggling the ECUs or wire harness while performing the inspection below may help determine the cause of the malfunction.

PROCEDURE

1.

CONFIRM MODEL

(a) Choose the model to be inspected.

Result

Proceed to

w/ Parking Support Brake System

A

w/o Parking Support Brake System

B

B

GO TO STEP 3

A

2.

CHECK DTC OUTPUT (PARKING SUPPORT BRAKE SYSTEM)

(a) Using the Techstream, check for DTCs according to the prompts on the screen.

Click here

Body Electrical > Advanced Parking Guidance/ICS/Intuitive P/A > Trouble Codes

Standard:

The clearance warning ECU assembly does not output DTCs U0232 and U0233 simultaneously.

NG

GO TO PARKING SUPPORT BRAKE SYSTEM (DTC U0232)

OK

3.

CHECK CAN BUS MAIN WIRE

(a) Turn the power switch off.

(b) Disconnect the cable from the negative (-) auxiliary battery terminal.

(c) Measure the resistance according to the value(s) in the table below.

Standard Resistance:

Tester Connection

Condition

Specified Condition

Result

N100-3 (CANH) -N100-14 (CANL)

Cable disconnected from negative (-) auxiliary battery terminal

54 to 69 Ω

Below 54 Ω: Short circuit between bus lines

70 Ω or more: Open circuit in main bus lines

N100-3 (CANH) - G57-4 (CG)

Cable disconnected from negative (-) auxiliary battery terminal

200 Ω or higher

Below 200 Ω: CANH short to ground

N100-14 (CANL) - G57-4 (CG)

Cable disconnected from negative (-) auxiliary battery terminal

200 Ω or higher

Below 200 Ω: CANL short to ground

N100-3 (CANH) - G57-16 (BAT)

Cable disconnected from negative (-) auxiliary battery terminal

6 kΩ or higher

Below 6 kΩ: CANH +B short

N100-14 (CANL) - G57-16 (BAT)

Cable disconnected from negative (-) auxiliary battery terminal

6 kΩ or higher

Below 6 kΩ: CANL +B short

*1

DLC3

*a

Component with harness connected

(No. 24 CAN Junction Connector)

Result

Proceed to

OK

A

Open circuit in CAN main bus lines

B

Short circuit between bus lines

C

  • Short to ground
  • +B short

D

B

GO TO STEP 9

C

GO TO STEP 12

D

GO TO STEP 15

A

4.

CHECK HARNESS AND CONNECTOR (BLIND SPOT MONITOR SENSOR LH - BODY GROUND)

(a) Disconnect the R5 blind spot monitor sensor LH connector.

(b) Measure the resistance according to the value(s) in the table below.

Standard Resistance:

Tester Connection

Condition

Specified Condition

R5-10 (BLGD) - Body ground

Always

Below 1 Ω

NG

REPAIR OR REPLACE HARNESS OR CONNECTOR

OK

5.

CHECK HARNESS AND CONNECTOR (BLIND SPOT MONITOR SENSOR LH POWER SOURCE)

(a) Disconnect the R5 blind spot monitor sensor LH connector.

(b) Measure the voltage according to the value(s) in the table below.

Standard Voltage:

Tester Connection

Condition

Specified Condition

R5-5 (BLB) - Body ground

Power switch on (IG)

11 to 14 V

R5-5 (BLB) - Body ground

Power switch off

Below 1 V

NG

REPAIR OR REPLACE HARNESS OR CONNECTOR

OK

6.

CHECK DTC

(a) Reconnect the cable to the negative (-) auxiliary battery terminal.

(b) Turn the power switch off.

(c) Turn the power switch on (IG).

(d) Check for DTCs.

Click here

Body Electrical > Blind Spot Monitor Master > Trouble Codes

OK:

No DTCs are output.

OK

USE SIMULATION METHOD TO CHECK

NG

7.

REPLACE BLIND SPOT MONITOR SENSOR LH

(a) Replace the blind spot monitor sensor LH.

Click here

NEXT

8.

RECHECK DTC

(a) Clear the DTCs.

Click here

Body Electrical > Blind Spot Monitor Master > Clear DTCs

(b) Recheck for DTCs and check if the same DTC is output again.

Body Electrical > Blind Spot Monitor Master > Trouble Codes

OK:

No DTCs are output.

OK

END

NG

REPLACE BLIND SPOT MONITOR SENSOR RH

9.

CHECK FOR OPEN IN CAN BUS MAIN WIRE (NO. 24 CAN JUNCTION CONNECTOR)

(a) Disconnect the N100 No. 24 CAN junction connector.

*a

Front view of wire harness connector

(to No. 24 CAN Junction Connector)

*b

to Blind Spot Monitor Sensor LH CAN main wire

*c

to Blind Spot Monitor Sensor RH CAN main wire

(b) Measure the resistance according to the value(s) in the table below.

Standard Resistance:

Tester Connection

Condition

Specified Condition

N100-3 (CANH) - N100-14 (CANL)

Cable disconnected from negative (-) auxiliary battery terminal

108 to 132 Ω

N100-2 (CANH) - N100-13 (CANL)

Cable disconnected from negative (-) auxiliary battery terminal

108 to 132 Ω

Result

Proceed to

OK

A

NG (to blind spot monitor sensor LH CAN main wire)

B

NG (to blind spot monitor sensor RH CAN main wire)

C

A

REPLACE NO. 24 CAN JUNCTION CONNECTOR

C

GO TO STEP 11

B

10.

CHECK FOR OPEN IN CAN BUS MAIN WIRE (BLIND SPOT MONITOR SENSOR LH)

(a) Reconnect the N100 No. 24 CAN junction connector.

(b) Disconnect the R5 blind spot monitor sensor LH connector.

*a

Front view of wire harness connector

(to Blind Spot Monitor Sensor LH)

(c) Measure the resistance according to the value(s) in the table below.

Standard Resistance:

Tester Connection

Condition

Specified Condition

R5-1 (CA2P) - R5-6 (CA2N)

Cable disconnected from negative (-) auxiliary battery terminal

108 to 132 Ω

OK

REPLACE BLIND SPOT MONITOR SENSOR LH

NG

REPAIR OR REPLACE CAN MAIN WIRE OR CONNECTOR (BLIND SPOT MONITOR SENSOR LH - NO. 24 CAN JUNCTION CONNECTOR)

11.

CHECK FOR OPEN IN CAN BUS MAIN WIRE (BLIND SPOT MONITOR SENSOR RH)

(a) Reconnect the N100 No. 24 CAN junction connector.

(b) Disconnect the R4 blind spot monitor sensor RH connector.

*a

Front view of wire harness connector

(to Blind Spot Monitor Sensor RH)

(c) Measure the resistance according to the value(s) in the table below.

Standard Resistance:

Tester Connection

Condition

Specified Condition

R4-1 (CA2P) -R4-6 (CA2N)

Cable disconnected from negative (-) auxiliary battery terminal

108 to 132 Ω

OK

REPLACE BLIND SPOT MONITOR SENSOR RH

NG

REPAIR OR REPLACE CAN MAIN WIRE OR CONNECTOR (BLIND SPOT MONITOR SENSOR RH - NO. 24 CAN JUNCTION CONNECTOR)

12.

CHECK FOR SHORT IN CAN BUS WIRES (NO. 24 CAN JUNCTION CONNECTOR)

(a) Disconnect the N100 No. 24 CAN junction connector.

*a

Front view of wire harness connector

(to No. 24 CAN Junction Connector)

*b

to Blind Spot Monitor Sensor LH CAN main wire

*c

to Blind Spot Monitor Sensor RH CAN main wire

(b) Measure the resistance according to the value(s) in the table below.

Standard Resistance:

Tester Connection

Condition

Specified Condition

N100-3 (CANH) - N100-14 (CANL)

Cable disconnected from negative (-) auxiliary battery terminal

108 to 132 Ω

N100-2 (CANH) - N100-13 (CANL)

Cable disconnected from negative (-) auxiliary battery terminal

108 to 132 Ω

Result

Proceed to

OK

A

NG (to blind spot monitor sensor LH CAN main wire)

B

NG (to blind spot monitor sensor RH CAN main wire)

C

A

REPLACE NO. 24 CAN JUNCTION CONNECTOR

C

GO TO STEP 14

B

13.

CHECK FOR SHORT IN CAN BUS WIRES (BLIND SPOT MONITOR SENSOR LH)

(a) Reconnect the N100 No. 24 CAN junction connector.

(b) Disconnect the R5 blind spot monitor sensor LH connector.

*a

Front view of wire harness connector

(to Blind Spot Monitor Sensor LH)

(c) Measure the resistance according to the value(s) in the table below.

Standard Resistance:

Tester Connection

Condition

Specified Condition

R5-1 (CA2P) - R5-6 (CA2N)

Cable disconnected from negative (-) auxiliary battery terminal

108 to 132 Ω

OK

REPLACE BLIND SPOT MONITOR SENSOR LH

NG

REPAIR OR REPLACE CAN MAIN WIRE OR CONNECTOR (BLIND SPOT MONITOR SENSOR LH - NO. 24 CAN JUNCTION CONNECTOR)

14.

CHECK FOR SHORT IN CAN BUS WIRES (BLIND SPOT MONITOR SENSOR RH)

(a) Reconnect the N100 No. 24 CAN junction connector.

(b) Disconnect the R4 blind spot monitor sensor RH connector.

*a

Front view of wire harness connector

(to Blind Spot Monitor Sensor RH)

(c) Measure the resistance according to the value(s) in the table below.

Standard Resistance:

Tester Connection

Condition

Specified Condition

R4-1 (CA2P) -R4-6 (CA2N)

Cable disconnected from negative (-) auxiliary battery terminal

108 to 132 Ω

OK

REPLACE BLIND SPOT MONITOR SENSOR RH

NG

REPAIR OR REPLACE CAN MAIN WIRE OR CONNECTOR (BLIND SPOT MONITOR SENSOR RH - NO. 24 CAN JUNCTION CONNECTOR)

15.

CHECK FOR SHORT IN CAN BUS WIRES (NO. 24 CAN JUNCTION CONNECTOR)

(a) Disconnect the N100 No. 24 CAN junction connector.

(b) Measure the resistance according to the value(s) in the table below.

*1

DLC3

-

-

*a

Front view of wire harness connector

(to No. 24 CAN Junction Connector)

*b

to Blind Spot Monitor Sensor LH CAN main wire

*c

to Blind Spot Monitor Sensor RH CAN main wire

-

-

Standard Resistance:

Tester Connection

Condition

Specified Condition

N100-3 (CANH) - G57-4 (CG)

Cable disconnected from negative (-) auxiliary battery terminal

200 Ω or higher

N100-14 (CANL) - G57-4 (CG)

Cable disconnected from negative (-) auxiliary battery terminal

200 Ω or higher

N100-3 (CANH) - G57-16 (BAT)

Cable disconnected from negative (-) auxiliary battery terminal

6 kΩ or higher

N100-14 (CANL) - G57-16 (BAT)

Cable disconnected from negative (-) auxiliary battery terminal

6 kΩ or higher

N100-2 (CANH) - G57-4 (CG)

Cable disconnected from negative (-) auxiliary battery terminal

200 Ω or higher

N100-13 (CANL) - G57-4 (CG)

Cable disconnected from negative (-) auxiliary battery terminal

200 Ω or higher

N100-2 (CANH) - G57-16 (BAT)

Cable disconnected from negative (-) auxiliary battery terminal

6 kΩ or higher

N100-13 (CANL) - G57-16 (BAT)

Cable disconnected from negative (-) auxiliary battery terminal

6 kΩ or higher

Result

Proceed to

OK

A

NG (to blind spot monitor sensor LH CAN main wire)

B

NG (to blind spot monitor sensor RH CAN main wire)

C

A

REPLACE NO. 24 CAN JUNCTION CONNECTOR

C

GO TO STEP 17

B

16.

CHECK FOR SHORT IN CAN BUS WIRES (BLIND SPOT MONITOR SENSOR LH)

(a) Reconnect the N100 No. 24 CAN junction connector.

(b) Disconnect the R5 blind spot monitor sensor LH connector.

(c) Measure the resistance according to the value(s) in the table below.

Standard Resistance:

Tester Connection

Condition

Specified Condition

R5-1 (CA2P) - G57-4 (CG)

Cable disconnected from negative (-) auxiliary battery terminal

200 Ω or higher

R5-6 (CA2N) - G57-4 (CG)

Cable disconnected from negative (-) auxiliary battery terminal

200 Ω or higher

R5-1 (CA2P) - G57-16 (BAT)

Cable disconnected from negative (-) auxiliary battery terminal

6 kΩ or higher

R5-6 (CA2N) - G57-16 (BAT)

Cable disconnected from negative (-) auxiliary battery terminal

6 kΩ or higher

*1

DLC3

*a

Front view of wire harness connector

(to Blind Spot Monitor Sensor LH)

OK

REPLACE BLIND SPOT MONITOR SENSOR LH

NG

REPAIR OR REPLACE CAN MAIN WIRE OR CONNECTOR (BLIND SPOT MONITOR SENSOR LH - NO. 24 CAN JUNCTION CONNECTOR)

17.

CHECK FOR SHORT IN CAN BUS WIRES (BLIND SPOT MONITOR SENSOR RH)

(a) Reconnect the N100 No. 24 CAN junction connector.

(b) Disconnect the R4 blind spot monitor sensor RH connector.

(c) Measure the resistance according to the value(s) in the table below.

Standard Resistance:

Tester Connection

Condition

Specified Condition

R4-1 (CA2P) - G57-4 (CG)

Cable disconnected from negative (-) auxiliary battery terminal

200 Ω or higher

R4-6 (CA2N) - G57-4 (CG)

Cable disconnected from negative (-) auxiliary battery terminal

200 Ω or higher

R4-1 (CA2P) - G57-16 (BAT)

Cable disconnected from negative (-) auxiliary battery terminal

6 kΩ or higher

R4-6 (CA2N) - G57-16 (BAT)

Cable disconnected from negative (-) auxiliary battery terminal

6 kΩ or higher

*1

DLC3

*a

Front view of wire harness connector

(to Blind Spot Monitor Sensor RH)

OK

REPLACE BLIND SPOT MONITOR SENSOR RH

NG

REPAIR OR REPLACE CAN MAIN WIRE OR CONNECTOR (BLIND SPOT MONITOR SENSOR RH - NO. 24 CAN JUNCTION CONNECTOR)

READ NEXT:

 Lost Communication with Blind Spot Monitor Master Module (U0233)

DESCRIPTION This DTC is stored when the blind spot monitor sensor LH judges that there is a communication problem with the blind spot monitor sensor RH. DTC No. Detection Item DTC Detection Con

 Software Incompatibility with Body Control Module "B" (U1331)

DESCRIPTION This DTC is stored when the destination information of the main body ECU (multiplex network body ECU) does not match that of the blind spot monitor sensors. Blind Spot Monitor Master DT

 Clearance Warning Buzzer (for Front)

SEE MORE:

 Motor/Generator Shutdown Signal Stuck Off (P321E9F)

DTC SUMMARY MALFUNCTION DESCRIPTION The hybrid vehicle control ECU detects malfunctions which prevent the inverter with converter assembly emergency shutdown circuit (HSDN) from shutting down the hybrid control system. Detection is performed when the power switch is turned on (IG) and during the shu

 Front Side Marker Light Circuit

DESCRIPTION When the light control switch is in the tail or head position, the main body ECU (multiplex network body ECU) sends an illumination request signal to the headlight ECU sub-assembly to illuminate the front side marker lights. WIRING DIAGRAM for LED Type Turn Signal Light for Bulb Type Tu

© 2016-2026 Copyright www.lexguide.net