Lexus ES manuals

Lexus ES: Headlight Dimmer Switch Circuit

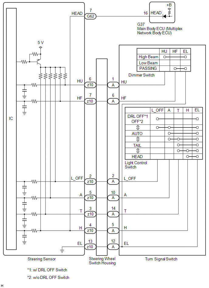
DESCRIPTION

The steering sensor receives the following switch information:

  • Light control switch in DRL OFF*1, off*2, tail, head or AUTO position
  • Dimmer switch in high, low or high flash (pass) position
    • *1: w/ DRL OFF Switch
    • *2: w/o DRL OFF Switch

WIRING DIAGRAM

CAUTION / NOTICE / HINT

NOTICE:

Before replacing the main body ECU (multiplex network body ECU), refer to Registration.

Click here

PROCEDURE

1.

READ VALUE USING TECHSTREAM

(a) Connect the Techstream to the DLC3.

(b) Turn the power switch on (IG).

(c) Turn the Techstream on.

(d) Enter the following menus: Chassis / Steering Angle Sensor / Data List.

(e) Read the Data List according to the display on the Techstream.

Chassis > Steering Angle Sensor > Data List

Tester Display

Measurement Item

Range

Normal Condition

Diagnostic Note

Light OFF Switch

Light control switch DRL OFF*1 or off*2 position signal

OFF or ON

OFF: Light control switch not in DRL OFF*1 or off*2 position

ON: Light control switch in DRL OFF*1 or off*2 position

-

Auto Light Switch

Light control switch AUTO position signal

OFF or ON

OFF: Light control switch not in AUTO position

ON: Light control switch in AUTO position

-

Head Light Switch (Tail)

Light control switch tail position signal

OFF or ON

OFF: Light control switch in neither tail nor head position

ON: Light control switch in tail or head position

-

Head Light Switch (Head)

Light control switch head position signal

OFF or ON

OFF: Light control switch not in head position

ON: Light control switch in head position

-

High Beam Main Switch

Dimmer switch high position signal

OFF or ON

OFF: Dimmer switch not in high position

ON: Dimmer switch in high position

-

Passing Light Switch

Dimmer switch high flash position (pass) signal

OFF or ON

OFF: Dimmer switch not in high flash position

ON: Dimmer switch in high flash position

-

  • *1: w/ DRL OFF Switch
  • *2: w/o DRL OFF Switch
Chassis > Steering Angle Sensor > Data List

Tester Display

Light OFF Switch

Auto Light Switch

Head Light Switch (Tail)

Head Light Switch (Head)

High Beam Main Switch

Passing Light Switch

OK:

Normal conditions listed above are displayed.

NG

GO TO STEP 5

OK

2.

READ VALUE USING TECHSTREAM

(a) Connect the Techstream to the DLC3.

(b) Turn the power switch on (IG).

(c) Turn the Techstream on.

(d) Enter the following menus: Body Electrical / Main Body / Data List.

(e) Read the Data List according to the display on the Techstream.

Body Electrical > Main Body > Data List

Tester Display

Measurement Item

Range

Normal Condition

Diagnostic Note

Head Light SW (Head)

Light control switch head position signal

OFF or ON

OFF: Light control switch not in head position

ON: Light control switch in head position

-

Body Electrical > Main Body > Data List

Tester Display

Head Light SW (Head)

OK:

Normal conditions listed above are displayed.

OK

PROCEED TO NEXT SUSPECTED AREA SHOWN IN PROBLEM SYMPTOMS TABLE

NG

3.

INSPECT STEERING SENSOR

*a

Component without harness connected

(Steering Sensor)

-

-

(a) Remove the steering sensor.

Click here

(b) Measure the resistance according to the value(s) in the table below.

Standard Resistance:

Tester Connection

Condition

Specified Condition

G62-7 (HEAD) - z10-4 (H)

Always

Below 1 Ω

NG

REPLACE STEERING SENSOR

OK

4.

CHECK HARNESS AND CONNECTOR (STEERING SENSOR - MAIN BODY ECU (MULTIPLEX NETWORK BODY ECU))

(a) Disconnect the G37 main body ECU (multiplex network body ECU) connector.

(b) Measure the resistance according to the value(s) in the table below.

Standard Resistance:

Tester Connection

Condition

Specified Condition

G62-7 (HEAD) - G37-16 (HEAD)

Always

Below 1 Ω

G62-7 (HEAD) or G37-16 (HEAD) - Body ground

Always

10 kΩ or higher

OK

REPLACE MAIN BODY ECU (MULTIPLEX NETWORK BODY ECU)

NG

REPAIR OR REPLACE HARNESS OR CONNECTOR

5.

INSPECT TURN SIGNAL SWITCH

(a) Remove the turn signal switch.

Click here

(b) Inspect the turn signal switch.

Click here

NG

REPLACE TURN SIGNAL SWITCH

OK

6.

INSPECT STEERING WHEEL SWITCH HOUSING

(a) Remove the steering wheel switch housing.

Click here

(b) Inspect the steering wheel switch housing.

Click here

OK

REPLACE STEERING SENSOR

NG

REPLACE STEERING WHEEL SWITCH HOUSING

READ NEXT:

 Headlight Dimmer Switch Circuit

DESCRIPTION The steering sensor receives the following switch information: Light control switch in DRL OFF*, tail, head or AUTO position Dimmer switch in high, low or high flash (pass) position

 Parking Light/Daytime Running Light Circuit

DESCRIPTION Parking light function: When the main body ECU (multiplex network body ECU) receives the light control switch position signal, it sends an illumination request signal to the headlight E

 Hazard Warning Switch Circuit

DESCRIPTION The combination meter assembly receives the hazard warning signal switch assembly on signal and controls the operation of the hazard warning lights. WIRING DIAGRAM CAUTION / NOTICE / HINT

SEE MORE:

 Control Module Communication Bus Off (U0073,U0100,U0110,U0120,U0124,U0126,U0128,U0151,U0293)

DESCRIPTION The airbag ECU assembly has a built-in yaw rate and acceleration sensor and detects the vehicle condition using 2 circuits (GL1, GL2). The skid control ECU (brake booster with master cylinder assembly) receives signals from the hybrid vehicle control ECU, steering angle sensor, certifica

 Dtc Check / Clear

DTC CHECK / CLEAR CHECK FOR DTC (MAIN BODY) (a) Connect the Techstream to the DLC3. (b) Turn the engine switch on (IG). (c) Turn the Techstream on. (d) Enter the following menus: Body Electrical / Main Body / Trouble Codes. Body Electrical > Main Body > Trouble Codes (e) Check for DTCs. CHECK

© 2016-2025 Copyright www.lexguide.net