Lexus ES manuals

Lexus ES: Driver Side Power Window does not Operate with Power Window Master Switch

Lexus ES (XZ10) Service Manual / Vehicle Interior / Window / Glass / Power Window Control System (for Gasoline Model) / Driver Side Power Window does not Operate with Power Window Master Switch

DESCRIPTION

When the engine switch is on (IG), the power window regulator motor assembly (for driver door) is operated by the multiplex network master switch assembly. The power window regulator motor assembly (for driver door) has motor, regulator and ECU functions.

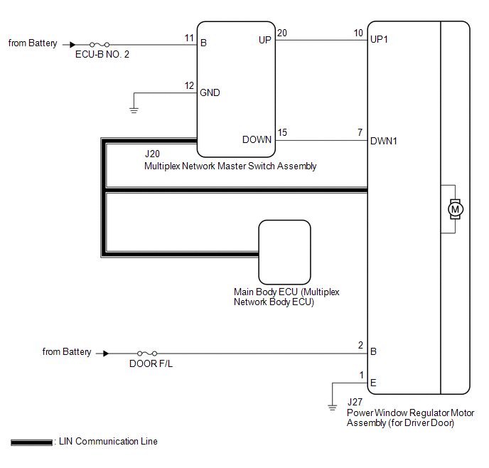
WIRING DIAGRAM

CAUTION / NOTICE / HINT

NOTICE:

  • The power window control system uses the LIN communication system. Inspect the communication function by following How to Proceed with Troubleshooting. Troubleshoot the power window control system after confirming that the communication system is functioning properly.

    Click here

  • If the power window regulator motor assembly (for driver door) has been replaced with a new one, initialize the power window control system.

    Click here

  • Inspect the fuses for circuits related to this system before performing the following procedure.
  • Before replacing the main body ECU (multiplex network body ECU), refer to Registration.

    Click here

PROCEDURE

1.

READ VALUE USING TECHSTREAM (MAIN BODY)

(a) Connect the Techstream to the DLC3.

(b) Turn the engine switch on (IG).

(c) Turn the Techstream on.

(d) Enter the following menus: Body Electrical / Main Body / Data List.

(e) Read the Data List according to the display on the Techstream.

Body Electrical > Main Body > Data List

Tester Display

Measurement Item

Range

Normal Condition

Diagnostic Note

Communication D-Door Motor

Connection status between power window regulator motor assembly (for driver door) and main body ECU (multiplex network body ECU)

STOP or OK

STOP: Communication stopped

OK: Normal communication

-

Communication Master SW

Connection status between multiplex network master switch assembly and main body ECU (multiplex network body ECU)

STOP or OK

STOP: Communication stopped

OK: Normal communication

-

Body Electrical > Main Body > Data List

Tester Display

Communication D-Door Motor

Communication Master SW

OK:

OK is displayed for each Data List item above.

NG

GO TO LIN COMMUNICATION SYSTEM (Proceed to How to Proceed with Troubleshooting)

OK

2.

READ VALUE USING TECHSTREAM (D-DOOR MOTOR)

(a) Enter the following menus: Body Electrical / D-Door Motor / Data List.

(b) Read the Data List according to the display on the Techstream.

Body Electrical > D-Door Motor > Data List

Tester Display

Measurement Item

Range

Normal Condition

Diagnostic Note

D Door P/W Up SW

Driver door power window manual up switch signal

OFF or ON

OFF: Driver door power window manual up switch not being operated

ON: Driver door power window manual up switch being operated

-

D Door P/W Down SW

Driver door power window manual down switch signal

OFF or ON

OFF: Driver door power window manual down switch not being operated

ON: Driver door power window manual down switch being operated

-

Body Electrical > D-Door Motor > Data List

Tester Display

D Door P/W Up SW

D Door P/W Down SW

OK:

On the Techstream screen, ON or OFF is displayed accordingly.

NG

GO TO STEP 4

OK

3.

PERFORM ACTIVE TEST USING TECHSTREAM (D-DOOR MOTOR)

(a) Enter the following menus: Body Electrical / D-Door Motor / Active Test.

(b) Perform the Active Test according to the display on the Techstream.

CAUTION:

Be careful to avoid injuries as this test causes vehicle parts to move. During the Active Test, the jam protection function will not operate.

Body Electrical > D-Door Motor > Active Test

Tester Display

Measurement Item

Control Range

Diagnostic Note

Power Window

Power window

OFF / DOWN / UP

-

Body Electrical > D-Door Motor > Active Test

Tester Display

Power Window

OK:

Driver door power window operates normally.

OK

REPLACE MAIN BODY ECU (MULTIPLEX NETWORK BODY ECU)

NG

REPLACE POWER WINDOW REGULATOR MOTOR ASSEMBLY (for Driver Door)

4.

CHECK HARNESS AND CONNECTOR (MULTIPLEX NETWORK MASTER SWITCH ASSEMBLY - POWER WINDOW REGULATOR MOTOR ASSEMBLY (for Driver Door))

(a) Disconnect the J20 multiplex network master switch assembly connector.

(b) Disconnect the J27 power window regulator motor assembly (for driver door) connector.

(c) Measure the resistance according to the value(s) in the table below.

Standard Resistance:

Tester Connection

Condition

Specified Condition

J20-20 (UP) - J27-10 (UP1)

Always

Below 1 Ω

J20-20 (UP) or J27-10 (UP1) - Body ground

Always

10 kΩ or higher

J20-15 (DOWN) - J27-7 (DWN1)

Always

Below 1 Ω

J20-15 (DOWN) or J27-7 (DWN1) - Body ground

Always

10 kΩ or higher

NG

REPAIR OR REPLACE HARNESS OR CONNECTOR

OK

5.

INSPECT POWER WINDOW REGULATOR MOTOR ASSEMBLY (for Driver Door)

(a) Remove the power window regulator motor assembly (for driver door).

Click here

(b) Inspect the power window regulator motor assembly (for driver door).

Click here

OK

REPLACE MULTIPLEX NETWORK MASTER SWITCH ASSEMBLY

NG

REPLACE POWER WINDOW REGULATOR MOTOR ASSEMBLY (for Driver Door)

READ NEXT:

 Front Passenger Side Power Window does not Operate with Front Passenger Side Power Window Switch

DESCRIPTION When the engine switch is on (IG), the power window regulator motor assembly (for front passenger door) is operated by the power window regulator switch assembly. The power window regulato

 Rear Power Window LH does not Operate with Rear Power Window Switch LH

DESCRIPTION When the engine switch is on (IG), the power window regulator motor assembly (for rear LH door) is operated by the rear power window regulator switch assembly (for LH door). The power wind

 Rear Power Window RH does not Operate with Rear Power Window Switch RH

DESCRIPTION When the engine switch is on (IG), the power window regulator motor assembly (for rear RH door) is operated by the rear power window regulator switch assembly (for RH door). The power wind

SEE MORE:

 Headlight Swivel ECU LH Communication (B2410,B2411)

DESCRIPTION Each headlight ECU sub-assembly and headlight swivel motor communicate via LIN communication. The headlight swivel motor operates according to power supplied and automatic headlight beam level control signals from its respective headlight ECU sub-assembly and sends its operating state to

 Cannot Switch to Automatic ID Registration Mode

DESCRIPTION When "Change Wheel Set" is selected on the multi-information display and the "OK" switch (steering pad switch assembly) is pushed and held, the system enters ID registration mode and the tire pressure warning light blinks 3 times. The main body ECU (multiplex network body ECU) receives s

© 2016-2025 Copyright www.lexguide.net