Lexus ES manuals

Lexus ES: Check Bus 3 Lines for Short Circuit

DESCRIPTION

There may be a short circuit between the CAN main bus lines and/or CAN branch lines when the resistance between terminals 6 (CA3H) and 21 (CA3L) of the central gateway ECU (network gateway ECU) is below 54 Ω.

Symptom

Trouble Area

Resistance between terminals 6 (CA3H) and 21 (CA3L) of the central gateway ECU (network gateway ECU) is below 54 Ω.

  • Short in CAN main bus lines
  • Short in CAN branch lines
  • Central gateway ECU (network gateway ECU)
  • DCM (telematics transceiver)

    (w/ Telematics Transceiver)

  • Radio receiver assembly
  • Option connector (bus buffer ECU)

    (w/ CAN Compatible Optional Devices)

  • Stereo component equalizer assembly
  • No. 4 CAN junction connector

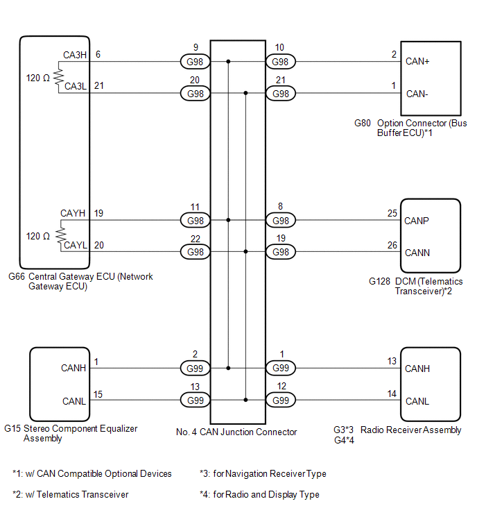
WIRING DIAGRAM

CAUTION / NOTICE / HINT

CAUTION:

When performing the confirmation driving pattern, obey all speed limits and traffic laws.

NOTICE:

  • Because the order of diagnosis is important to allow correct diagnosis, make sure to begin troubleshooting using How to Proceed with Troubleshooting when CAN communication system related DTCs are output.

    Click here

  • Before measuring the resistance of the CAN bus, turn the power switch off and leave the vehicle for 1 minute or more without operating the key or any switches, or opening or closing the doors. After that, disconnect the cable from the negative (-) auxiliary battery terminal and leave the vehicle for 1 minute or more before measuring the resistance.
  • After turning the power switch off, waiting time may be required before disconnecting the cable from the negative (-) auxiliary battery terminal. Therefore, make sure to read the disconnecting the cable from the negative (-) auxiliary battery terminal notices before proceeding with work.

    Click here

  • After performing repairs, perform the DTC check procedure and confirm that the DTCs are not output again.

    DTC check procedure: Turn the power switch on (IG) and wait for 1 minute or more. Then operate the suspected malfunctioning system and drive the vehicle at 60 km/h (37 mph) or more for 5 minutes or more.

  • After the repair, perform the CAN bus check and check that all the ECUs and sensors connected to the CAN communication system are displayed as normal.

    Click here

  • Before replacing the DCM (telematics transceiver), refer to Registration.

    Click here

HINT:

  • Before disconnecting related connectors for inspection, push in on each connector body to check that the connector is not loose or disconnected.
  • When a connector is disconnected, check that the terminals and connector body are not cracked, deformed or corroded.

PROCEDURE

1.

CHECK FOR SHORT IN CAN BUS LINES (NO. 4 CAN JUNCTION CONNECTOR)

(a) Disconnect the cable from the negative (-) auxiliary battery terminal.

(b) Disconnect the G98 No. 4 CAN junction connector.

(c) Measure the resistance according to the value(s) in the table below.

*a

Front view of wire harness connector

(to No. 4 CAN Junction Connector)

*b

to DCM (Telematics Transceiver)

(w/ Telematics Transceiver)

*c

to Central Gateway ECU (Network Gateway ECU)

*d

to Option Connector (Bus Buffer ECU)

(w/ CAN Compatible Optional Devices)

Standard Resistance:

Tester Connection

Condition

Specified Condition

Connected to

G98-8 (CANH) - G98-19 (CANL)

Cable disconnected from negative (-) auxiliary battery terminal

200 Ω or higher

DCM (telematics transceiver)*1

G98-9 (CANH) - G98-20 (CANL)

Cable disconnected from negative (-) auxiliary battery terminal

108 to 132 Ω

Central gateway ECU (network gateway ECU)

G98-10 (CANH) - G98-21 (CANL)

Cable disconnected from negative (-) auxiliary battery terminal

200 Ω or higher*2

1 MΩ or higher*3

Option connector (bus buffer ECU)*2

G98-11 (CANH) - G98-22 (CANL)

Cable disconnected from negative (-) auxiliary battery terminal

108 to 132 Ω

Central gateway ECU (network gateway ECU)

  • *1: w/ Telematics Transceiver
  • *2: w/ CAN Compatible Optional Devices
  • *3: w/o CAN Compatible Optional Devices

HINT:

If there is a short in a CAN bus line without any CAN compatible optional devices connected to the option connector, repair or replace the CAN bus branch line or the option connector.

Result

Proceed to

OK

A

NG (Line to central gateway ECU (network gateway ECU))

B

NG (Line to ECU or sensor)

C

B

GO TO STEP 3

C

GO TO STEP 4

A

2.

CHECK FOR SHORT IN CAN BUS LINES (NO. 4 CAN JUNCTION CONNECTOR)

(a) Disconnect the G99 No. 4 CAN junction connector.

(b) Measure the resistance according to the value(s) in the table below.

*a

Front view of wire harness connector

(to No. 4 CAN Junction Connector)

*b

to Radio Receiver Assembly

*c

to Stereo Component Equalizer Assembly

-

-

Standard Resistance:

Tester Connection

Condition

Specified Condition

Connected to

G99-1 (CANH) - G99-12 (CANL)

Cable disconnected from negative (-) auxiliary battery terminal

200 Ω or higher

Radio receiver assembly

G99-2 (CANH) - G99-13 (CANL)

Cable disconnected from negative (-) auxiliary battery terminal

200 Ω or higher

Stereo component equalizer assembly

OK

REPLACE NO. 4 CAN JUNCTION CONNECTOR

NG

GO TO STEP 4

3.

CHECK FOR SHORT IN CAN BUS LINES (NO. 4 CAN JUNCTION CONNECTOR - CENTRAL GATEWAY ECU (NETWORK GATEWAY ECU))

(a) Disconnect the G66 central gateway ECU (network gateway ECU) connector.

(b) Measure the resistance according to the value(s) in the table below.

*a

Front view of wire harness connector

(to No. 4 CAN Junction Connector)

*b

to Central Gateway ECU (Network Gateway ECU)

Standard Resistance:

Tester Connection

Condition

Specified Condition

G98-9 (CANH) - G98-20 (CANL)

Cable disconnected from negative (-) auxiliary battery terminal

1 MΩ or higher

G98-11 (CANH) - G98-22 (CANL)

Cable disconnected from negative (-) auxiliary battery terminal

1 MΩ or higher

OK

REPLACE CENTRAL GATEWAY ECU (NETWORK GATEWAY ECU)

NG

REPAIR OR REPLACE CAN MAIN BUS LINES OR CONNECTOR (NO. 4 CAN JUNCTION CONNECTOR - CENTRAL GATEWAY ECU (NETWORK GATEWAY ECU))

4.

CHECK FOR SHORT IN CAN BUS LINES (ECU OR SENSOR)

(a) Reconnect all wire harness connectors.

(b) Disconnect the connector that includes terminals CANH and CANL from the ECU or sensor to which the short circuited branch line is connected.

Click here

(c) Measure the resistance according to the value(s) in the table below.

Standard Resistance:

Tester Connection

Condition

Specified Condition

G66-6 (CA3H) - G66-21 (CA3L)

Cable disconnected from negative (-) auxiliary battery terminal

54 to 69 Ω

HINT:

  • If the resistance becomes normal (between 54 and 69 Ω) when the connector is disconnected from the ECU or sensor, there may be a short in the ECU or sensor.
  • If the resistance does not become normal when the connector is disconnected from the ECU or sensor, check for a short in the wire harness and repair or replace the wire harness or connector if necessary.

*a

Component with harness connected

(Central Gateway ECU (Network Gateway ECU))

OK

REPLACE ECU OR SENSOR

NG

REPAIR OR REPLACE HARNESS OR CONNECTOR

READ NEXT:

 Open in Bus 3 Main Bus Line

DESCRIPTION There may be an open circuit in one of the CAN main bus lines when the resistance between terminals 6 (CA3H) and 21 (CA3L) of the central gateway ECU (network gateway ECU) is 70 Ω or high

 Open in One Side of Bus 2 Branch Line

DESCRIPTION When the CAN bus main lines are normal (no open, short to ground, short to +B or short between lines) and there is an ECU or sensor on the "Communication Bus Check" screen that is indicate

 Open in One Side of Bus 2 Branch Line

DESCRIPTION When the CAN bus main lines are normal (no open, short to ground, short to +B or short between lines) and there is an ECU or sensor on the "Communication Bus Check" screen that is indicate

SEE MORE:

 Driver Seat Control ECU Communication Stop Mode

DESCRIPTION Detection Item Symptom Trouble Area Driver Seat Control ECU Communication Stop Mode Any of the following conditions are met: Communication stop for "D-Seat" is indicated on the "Communication Bus Check" screen of the Techstream. Click here Communication stop history

 Transmission Fluid Temperature Sensor "A" Circuit Range/Performance (P071000)

DESCRIPTION The ATF temperature sensor converts the automatic transaxle fluid (ATF) temperature into a resistance value for use by the ECM. The ECM applies a voltage to the temperature sensor through terminal THO1 of the ECM. The sensor resistance changes with the ATF temperature. As the temperature

© 2016-2025 Copyright www.lexguide.net