Lexus ES manuals

Lexus ES: Back Camera Disconnected (C1622)

DESCRIPTION

This DTC is stored if the radio receiver assembly judges that the signals or signal lines between the rear television camera assembly and the multi-display assembly are not normal as a result of its self check.

DTC No.

Detection Item

DTC Detection Condition

Trouble Area

C1622

Back Camera Disconnected

Open or short in the rear television camera assembly signal circuit

  • Harness or connector
  • Rear television camera assembly
  • Multi-display assembly
  • Radio receiver assembly

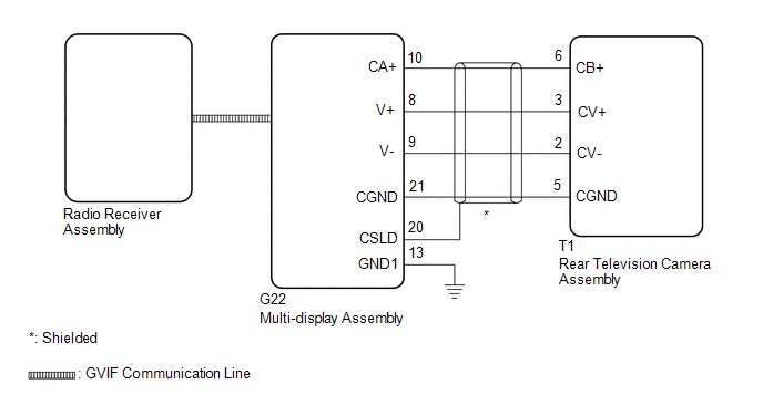
WIRING DIAGRAM

CAUTION / NOTICE / HINT

NOTICE:

  • If the cable was disconnected from and reconnected to the negative (-) auxiliary battery terminal, the estimated course lines may not be displayed on the image of the area behind the vehicle. In this case, perform "Correct the Steering Angle Neutral Point".

    Click here

  • Depending on the parts that are replaced or operations that are performed during vehicle inspection or maintenance, calibration of other systems as well as the parking assist monitor system may be needed.

    Click here

  • When replacing the radio receiver assembly, always replace it with a new one. If a radio receiver assembly which was installed to another vehicle is used, the following may occur:
    • A communication malfunction DTC may be stored.
    • The radio receiver assembly may not operate normally.

PROCEDURE

1.

CHECK HARNESS AND CONNECTOR (REAR TELEVISION CAMERA ASSEMBLY - MULTI-DISPLAY ASSEMBLY)

(a) Disconnect the G22 multi-display assembly connector.

(b) Disconnect the T1 rear television camera assembly connector.

(c) Measure the resistance according to the value(s) in the table below.

Standard Resistance:

Tester Connection

Condition

Specified Condition

G22-10 (CA+) - T1-6 (CB+)

Always

Below 1 Ω

G22-8 (V+) - T1-3 (CV+)

Always

Below 1 Ω

G22-9 (V-) - T1-2 (CV-)

Always

Below 1 Ω

G22-21 (CGND) - T1-5 (CGND)

Always

Below 1 Ω

G22-10 (CA+) or T1-6 (CB+) - Body ground

Always

10 kΩ or higher

G22-8 (V+) or T1-3 (CV+) - Body ground

Always

10 kΩ or higher

G22-9 (V-) or T1-2 (CV-) - Body ground

Always

10 kΩ or higher

G22-21 (CGND) or T1-5 (CGND) - Body ground

Always

10 kΩ or higher

G22-20 (CSLD) - Body ground

Always

10 kΩ or higher

NG

REPAIR OR REPLACE HARNESS OR CONNECTOR

OK

2.

INSPECT MULTI-DISPLAY ASSEMBLY (CA+, CGND)

(a) Reconnect the G22 multi-display assembly connector.

(b) Measure the resistance according to the value(s) in the table below.

Standard Resistance:

Tester Connection

Condition

Specified Condition

G22-21 (CGND) - Body ground

Always

Below 1 Ω

*a

Component with harness connected

(Multi-display Assembly)

(c) Measure the voltage according to the value(s) in the table below.

Standard Voltage:

Tester Connection

Condition

Specified Condition

G22-10 (CA+) - G22-21 (CGND)

Power switch on (ACC)

5.5 to 7.05 V

NG

REPLACE MULTI-DISPLAY ASSEMBLY

OK

3.

INSPECT MULTI-DISPLAY ASSEMBLY (V+, GND1)

(a) Reconnect the T1 rear television camera assembly connector.

(b) Using an oscilloscope, check the waveform of the rear television camera assembly.

*a

Component with harness connected

(Multi-display Assembly)

HINT:

A waterproof connector is used for the rear television camera assembly. Therefore, inspect the waveform at the multi-display assembly with the connector connected.

OK:

Waveform is similar to that shown in the illustration.

Item

Content

Measurement terminal

G22-8 (V+) - G22-13 (GND1)

Measurement setting

200 mV/DIV., 50 μs./DIV.

Condition

Power switch on (IG), shift lever in R

HINT:

  • The video waveform changes according to the image sent by the rear television camera assembly.
  • The video waveform is constantly output when the power switch is on (ACC).

*a

Waveform 1 (camera lens is not covered, displaying an image)

*b

Waveform 2 (camera lens is covered, blacking out the screen)

*c

Synchronization Signal

*d

Video Waveform

NG

REPLACE REAR TELEVISION CAMERA ASSEMBLY

OK

4.

REPLACE MULTI-DISPLAY ASSEMBLY

(a) Replace the multi-display assembly with a new or known good one.

Click here

NEXT

5.

CHECK DTC OUTPUT

(a) Clear the DTCs.

Body Electrical > Navigation System > Clear DTCs

(b) Recheck for DTCs and check that no DTCs are output.

Body Electrical > Navigation System > Trouble Codes
OK

END

NG

REPLACE RADIO RECEIVER ASSEMBLY

READ NEXT:

 Open or Short in Steering Angle Sensor +B (C1625)

DESCRIPTION This DTC is stored if the rear television camera assembly receives a signal via CAN communication from the steering sensor that indicates a power supply problem. DTC No. Detection Ite

 Steering Angle Sensor Failure (C1626)

DESCRIPTION This DTC is stored if the rear television camera assembly receives a signal via CAN communication from the steering sensor that indicates an internal malfunction. DTC No. Detection It

 Back Camera Initialization Incomplete (C1691)

DESCRIPTION This DTC is stored when the rear television camera assembly judges that the back camera initial setting has not been memorized (rear television camera assembly optical axis adjustment (bac

SEE MORE:

 Pressure Control Solenoid "C" Circuit Short to Battery (P079512)

DESCRIPTION Changing gears is performed by the ECM turning the solenoid (SL1, SL2, SL3, SL4, SL5 and SL6) valves on and off. If an open or short occurs in any of the solenoid valve circuits, the ECM controls the remaining normal solenoid valves to allow the vehicle to be driven. If all of the soleno

 There is No Sound Made

DESCRIPTION Based on signals received from each ECU, the vehicle approaching speaker controller outputs warning sounds through the vehicle approaching speaker assembly. WIRING DIAGRAM CAUTION / NOTICE / HINT NOTICE: Inspect the fuses for circuits related to this system before performing the foll

© 2016-2026 Copyright www.lexguide.net