Lexus ES manuals

Lexus ES: Active Grille Air Shutter "A" Actuator Stuck Closed (P059F73,P05A072)

Lexus ES (XZ10) Service Manual / Engine & Hybrid System / A25a-fxs (engine Control) / Sfi System / Active Grille Air Shutter "A" Actuator Stuck Closed (P059F73,P05A072)

DESCRIPTION

The grille shutter system is composed of the radiator shutter sub-assembly and grille shutter ECU (swing grille actuator assembly).

When the certain vehicle conditions are met, the grille shutter system operates the swing grille actuator assembly to open and close the radiator shutter sub-assembly and control the volume of air flowing through the radiator assembly into the engine compartment. This results in increased thermal efficiency and increased fuel economy due to reduced aerodynamic drag. This control is performed based on signals received via CAN communication: vehicle speed signal, engine coolant temperature signal, hybrid inverter coolant temperature signal, ambient temperature signal and refrigerant pressure.

If the grille shutter ECU detects a malfunction in itself or any of the mechanical components of the grille shutter system, it will output a malfunction signal to the ECM and the ECM will store a DTC.

Control List

Control

Description

Closing Operation Control

The grille shutter closes when certain conditions related to the vehicle speed, engine coolant temperature, inverter coolant temperature, ambient temperature and refrigerant pressure are met.

Opening Operation Control

The grille shutter opens when certain conditions related to the vehicle speed, engine coolant temperature, inverter coolant temperature, ambient temperature and refrigerant pressure are met.

Power Switch Off-linked Opening Operation Control

Opens the grille shutter when the power switch is turned off in order to prevent the grille shutter from becoming stuck closed while the vehicle is stopped.

Power Switch On (IG) Closing/Opening Operation

If the detection conditions of a DTC are met during a trip, the next time the power switch is turned on (IG), a grille shutter opening and closing operation will be performed in order to judge if the malfunction still exists.

Winter Control Mode

Stops the grille shutter at a position other than the fully closed position and suspends grille shutter operation in order to prevent it from becoming stuck closed when the ambient temperature is 5°C (41°F) or lower. Winter control mode is canceled when the ambient temperature becomes 10°C (50°F) or higher.

Retry Operation

If a mechanical malfunction is detected during a grille shutter operation, the operation will be attempted again.

DTC No.

Detection Item

DTC Detection Condition

Trouble Area

MIL

Memory

Note

P059F73

Active Grille Air Shutter "A" Actuator Stuck Closed

All of the following conditions are met and the ECM receives a malfunction signal 17 times* (2 trip detection logic):

  • Grille shutter locking is detected.
  • The grille shutter is not within the normal closing operation judgment area.
  • The grille shutter operation was reattempted once.
  • Grille shutter closing operation malfunction judgment has occurred once or more.
  • Radiator shutter sub-assembly
  • Swing grille actuator assembly

Comes on

DTC stored

SAE Code: P059F

P05A072

Active Grille Air Shutter "A" Actuator Stuck Open

All of the following conditions are met and the ECM receives a malfunction signal 17 times* (2 trip detection logic):

  • Grille shutter locking is detected.
  • The grille shutter is not within the normal opening operation judgment area.
  • The grille shutter operation was reattempted once.
  • Grille shutter opening operation malfunction judgment has occurred once or more.
  • Radiator shutter sub-assembly
  • Swing grille actuator assembly

Comes on

DTC stored

SAE Code: P05A0

HINT:

*: For every 65 ms that the ECM receives a grille shutter system malfunction signal from the grille shutter ECU the ECM determines it has received the signal 1 time. If the ECM determines the malfunction signal has been received 17 consecutive times (the signal is received for approximately 1 second continuously), it will store a DTC.

MONITOR DESCRIPTION

If the grille shutter ECU detects that the grille shutter has stopped during an opening or closing operation, due to foreign matter or a malfunction, it will send a malfunction signal to the ECM and the ECM will store a DTC.

Detection Condition

DTC No.

Closing Operation

P059F73 (Active Grille Air Shutter "A" Actuator Stuck Closed)

Opening Operation

P05A072 (Active Grille Air Shutter "A" Actuator Stuck Open)

MONITOR STRATEGY

Related DTCs

P059F: Active grille air shutter stuck off

P05A0: Active grille air shutter stuck on

Required Sensors/Components (Main)

Swing grille actuator assembly

Radiator shutter sub-assembly

Required Sensors/Components (Related)

-

Frequency of Operation

Continuous

Duration

17 times

MIL Operation

2 driving cycles

Sequence of Operation

None

TYPICAL ENABLING CONDITIONS

P059F

Monitor runs whenever the following DTCs are not stored

None

Auxiliary battery voltage

10.5 to 16 V

Command to close active grille air shutter

On

Active grille air shutter motor speed sensor range check fail

Not occurred

Shutter control timeout condition (*1)

Not met

Active grille air shutter control circuit fail

Not occurred

Lost communication with hybrid control module

Not occurred

Active grille air shutter control module fail

Not occurred

Motor lock condition (*2)

Met

Active grille air shutter first operation

Close

Either of the following conditions is met

1 or 2

1. Number of active grille air shutter motor speed sensor 1 signal pulse

1 time or more

2. Time after active grille air shutter open control is operated

0.61 seconds or more

P05A0

Monitor runs whenever the following DTCs are not stored

None

Auxiliary battery Voltage

10.5 to 16 V

Command to open active grille air shutter

On

Active grille air shutter motor speed sensor range check fail

Not occurred

Shutter control timeout condition (*1)

Not met

Active grille air shutter control circuit fail

Not occurred

Lost communication with hybrid control module

Not occurred

Active grille air shutter control module fail

Not occurred

Motor lock condition (*2)

Met

Either of the following conditions is met

1 or 2

1. Number of active grille air shutter motor speed sensor 1 signal pulse

1 time or more

2. Time after active grille air shutter close control is operated

0.61 seconds or more

*1: Shutter control timeout condition judgment

-

Either of the following conditions is met

1 or 2

1. Time after active grille air shutter close control is operated

11 seconds or more

2. Time after active grille air shutter open control is operated

11 seconds or more

*2: Motor lock condition judgment

-

Either of the following conditions is met

1 or 2

1. All of the following conditions are met

-

Number of active grille air shutter motor speed sensor 1 signal pulse

Less than 24 times

Pulse period of active grille air shutter motor speed sensor 1 signal

0.61 seconds or more

Pulse period of active grille air shutter motor speed sensor 2 signal

0.61 seconds or more

2. All of the following conditions are met

-

Number of active grille air shutter motor speed sensor 1 signal pulse

24 times or more

Pulse period of active grille air shutter motor speed sensor 1 signal

0.25 seconds or more

Pulse period of active grille air shutter motor speed sensor 2 signal

0.25 seconds or more

TYPICAL MALFUNCTION THRESHOLDS

P059F

All of the following conditions are met

-

Active grille air shutter first operation

Close

Number of active grille air shutter motor speed sensor 1 signal pulse

1 time or more

P05A0

All of the following conditions are met

-

Active grille air shutter first operation

Open

Number of active grille air shutter motor speed sensor 1 signal pulse

1 time or more

CONFIRMATION DRIVING PATTERN

  1. Connect the Techstream to the DLC3.
  2. Turn the power switch on (IG).
  3. Turn the Techstream on.
  4. Clear the DTCs (even if no DTCs are stored, perform the clear DTC procedure).
  5. Turn the power switch off and wait for at least 30 seconds.
  6. Turn the power switch on (IG).
  7. Turn the Techstream on.
  8. Enter the following menus: Body Electrical / Grill Shutter / Utility / Grill Shutter Control Mode Switching.
  9. According to the display on the Techstream, change the grille shutter control mode from normal mode to maintenance mode.
  10. Enter the following menus: Body Electrical / Grill Shutter / Active Test / Shutter Closing Operation Lock Detection / Data List / Shutter Operation Lock Detection Result for Active Test.
  11. According to the display on the Techstream, perform the Active Test and read the value of Data List item Shutter Operation Lock Detection Result for Active Test.

    OK:

    "Normal" is displayed.

  12. Enter the following menus: Body Electrical / Grill Shutter / Active Test / Shutter Opening Operation Lock Detection / Data List / Shutter Operation Lock Detection Result for Active Test.
  13. According to the display on the Techstream, perform the Active Test and read the value of Data List item Shutter Operation Lock Detection Result for Active Test.

    OK:

    "Normal" is displayed.

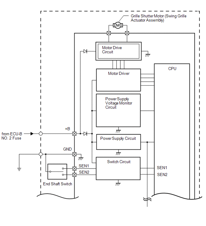
WIRING DIAGRAM

CAUTION / NOTICE / HINT

NOTICE:

  • In order to ensure safety, before performing troubleshooting or removing the swing grille actuator assembly or radiator shutter sub-assembly, change the grille shutter control mode to maintenance mode.
  • Vehicle Control History may be stored in the hybrid vehicle control ECU assembly if the engine is malfunctioning. Certain vehicle condition information is recorded when Vehicle Control History is stored. Reading the vehicle conditions recorded in both the Freeze Frame Data and Vehicle Control History can be useful for troubleshooting.

    Click here

    (Select Powertrain in Health Check and then check the time stamp data.)

    Click here

  • If any "Engine Malfunction" Vehicle Control History item has been stored in the hybrid vehicle control ECU assembly, make sure to clear it. However, as all Vehicle Control History items are cleared simultaneously, if any Vehicle Control History items other than "Engine Malfunction" are stored, make sure to perform any troubleshooting for them before clearing Vehicle Control History.

    Click here

HINT:

Read Freeze Frame Data using the Techstream. The ECM records vehicle and driving condition information as Freeze Frame Data the moment a DTC is stored. When troubleshooting, Freeze Frame Data can help determine if the vehicle was moving or stationary, if the engine was warmed up or not, if the air fuel ratio was lean or rich, and other data from the time the malfunction occurred.

PROCEDURE

1.

PERFORM UTILITY USING TECHSTREAM (GRILL SHUTTER CONTROL MODE SWITCHING)

(a) Connect the Techstream to the DLC3.

(b) Turn the power switch on (IG).

(c) Turn the Techstream on.

(d) Enter the following menus: Body Electrical / Grill Shutter / Utility / Grill Shutter Control Mode Switching.

Body Electrical > Grill Shutter > Utility

Tester Display

Grill Shutter Control Mode Switching

(e) According to the display on the Techstream, change the grille shutter control mode from normal mode to maintenance mode.

NEXT

2.

INSPECT GRILLE SHUTTER (FOREIGN MATTER AND ICE)

(a) Check the area around the shutters and the links of the grille shutter for foreign matter and ice.

OK:

No foreign matter or ice.

NG

GO TO STEP 8

OK

3.

PERFORM ACTIVE TEST USING TECHSTREAM (GRILLE SHUTTER OPERATION)

(a) Connect the Techstream to the DLC3.

(b) Turn the power switch on (IG).

(c) Turn the Techstream on.

(d) Enter the following menus: Body Electrical / Grill Shutter / Active Test / Shutter Closing Operation Lock Detection / Data List / Shutter Operation Lock Detection Result for Active Test.

Body Electrical > Grill Shutter > Active Test

Active Test Display

Shutter Closing Operation Lock Detection

Data List Display

Shutter Operation Lock Detection Result for Active Test

(e) According to the display on the Techstream, perform the Active Test and read the value of Data List item Shutter Operation Lock Detection Result for Active Test.

OK:

"Normal" is displayed.

(f) Enter the following menus: Body Electrical / Grill Shutter / Active Test / Shutter Opening Operation Lock Detection / Data List / Shutter Operation Lock Detection Result for Active Test.

Body Electrical > Grill Shutter > Active Test

Active Test Display

Shutter Opening Operation Lock Detection

Data List Display

Shutter Operation Lock Detection Result for Active Test

(g) According to the display on the Techstream, perform the Active Test and read the value of Data List item Shutter Operation Lock Detection Result for Active Test.

OK:

"Normal" is displayed.

HINT:

When the value of Data List item Shutter Operation Lock Detection Result for Active Test is "Normal", it can be determined that the grille shutter system has returned to normal.

NG

GO TO STEP 6

OK

4.

CLEAR DTC

(a) Connect the Techstream to the DLC3.

(b) Turn the power switch on (IG).

(c) Turn the Techstream on.

(d) Enter the following menus: Powertrain / Engine / Trouble Codes.

(e) Clear the DTCs.

Powertrain > Engine > Clear DTCs

(f) Turn the power switch off and wait for at least 30 seconds.

NEXT

5.

PERFORM UTILITY USING TECHSTREAM (GRILL SHUTTER CONTROL MODE SWITCHING)

(a) Turn the power switch on (IG).

(b) Turn the Techstream on.

(c) Enter the following menus: Body Electrical / Grill Shutter / Utility / Grill Shutter Control Mode Switching.

Body Electrical > Grill Shutter > Utility

Tester Display

Grill Shutter Control Mode Switching

(d) According to the display on the Techstream, change the grille shutter control mode from maintenance mode to normal mode.

(e) Check for DTCs and make sure that DTC B1333 is not output.

Body Electrical > Grill Shutter > Trouble Codes
NEXT

END

6.

PERFORM ACTIVE TEST USING TECHSTREAM (SWING GRILLE ACTUATOR ASSEMBLY OPERATION)

(a) Remove the radiator shutter sub-assembly.

Click here

(b) Remove the swing grille actuator assembly.

Click here

(c) Reconnect the swing grille actuator assembly connector.

(d) Connect the Techstream to the DLC3.

(e) Turn the power switch on (IG).

(f) Turn the Techstream on.

(g) Enter the following menus: Body Electrical / Grill Shutter / Active Test / Shutter Closing Operation Lock Detection.

Body Electrical > Grill Shutter > Active Test

Tester Display

Shutter Closing Operation Lock Detection

(h) According to the display on the Techstream, perform the Active Test and check the operation of the swing grille actuator assembly.

OK:

Operation is normal.

(i) Enter the following menus: Body Electrical / Grill Shutter / Active Test / Shutter Opening Operation Lock Detection.

Body Electrical > Grill Shutter > Active Test

Tester Display

Shutter Opening Operation Lock Detection

(j) According to the display on the Techstream, perform the Active Test and check the operation of the swing grille actuator assembly.

OK:

Operation is normal.

HINT:

Perform "Grill Shutter Control Mode Switching and Grill Shutter Initialization" after replacing the swing grille actuator assembly.

Click here

NG

REPLACE SWING GRILLE ACTUATOR ASSEMBLY

OK

7.

INSPECT RADIATOR SHUTTER SUB-ASSEMBLY (GRILLE SHUTTER OPERATION)

(a) Remove the radiator shutter sub-assembly.

Click here

(b) Remove the swing grille actuator assembly.

Click here

(c) Manually open and close the radiator shutter sub-assembly and check that it moves smoothly.

OK:

Radiator shutter sub-assembly moves smoothly.

HINT:

Perform "Grill Shutter Control Mode Switching and Grill Shutter Initialization" after replacing the swing grille actuator assembly or radiator shutter sub-assembly.

Click here

OK

REPLACE SWING GRILLE ACTUATOR ASSEMBLY

NG

REPLACE RADIATOR SHUTTER SUB-ASSEMBLY

8.

REMOVE FOREIGN MATTER OR ICE (CLEAN GRILLE SHUTTER)

(a) Remove any foreign matter and/or ice from the area around the shutters and the links of the grille shutter.

NEXT

9.

PERFORM ACTIVE TEST USING TECHSTREAM (GRILLE SHUTTER OPERATION)

(a) Connect the Techstream to the DLC3.

(b) Turn the power switch on (IG).

(c) Turn the Techstream on.

(d) Enter the following menus: Body Electrical / Grill Shutter / Active Test / Shutter Closing Operation Lock Detection / Data List / Shutter Operation Lock Detection Result for Active Test.

Body Electrical > Grill Shutter > Active Test

Active Test Display

Shutter Closing Operation Lock Detection

Data List Display

Shutter Operation Lock Detection Result for Active Test

(e) According to the display on the Techstream, perform the Active Test and read the value of Data List item Shutter Operation Lock Detection Result for Active Test.

OK:

"Normal" is displayed.

(f) Enter the following menus: Body Electrical / Grill Shutter / Active Test / Shutter Opening Operation Lock Detection / Data List / Shutter Operation Lock Detection Result for Active Test.

Body Electrical > Grill Shutter > Active Test

Active Test Display

Shutter Opening Operation Lock Detection

Data List Display

Shutter Operation Lock Detection Result for Active Test

(g) According to the display on the Techstream, perform the Active Test and read the value of Data List item Shutter Operation Lock Detection Result for Active Test.

OK:

"Normal" is displayed.

HINT:

When the value of Data List item Shutter Operation Lock Detection Result for Active Test is "Normal", it can be determined that the grille shutter system has returned to normal.

NG

GO TO STEP 6

OK

10.

CLEAR DTC

(a) Connect the Techstream to the DLC3.

(b) Turn the power switch on (IG).

(c) Turn the Techstream on.

(d) Enter the following menus: Powertrain / Engine / Trouble Codes.

(e) Clear the DTCs.

Powertrain > Engine > Clear DTCs

(f) Turn the power switch off and wait for at least 30 seconds.

NEXT

11.

PERFORM UTILITY USING TECHSTREAM (GRILL SHUTTER CONTROL MODE SWITCHING)

(a) Turn the power switch on (IG).

(b) Turn the Techstream on.

(c) Enter the following menus: Body Electrical / Grill Shutter / Utility / Grill Shutter Control Mode Switching.

Body Electrical > Grill Shutter > Utility

Tester Display

Grill Shutter Control Mode Switching

(d) According to the display on the Techstream, change the grille shutter control mode from maintenance mode to normal mode.

(e) Check for DTCs and make sure that DTC B1333 is not output.

Body Electrical > Grill Shutter > Trouble Codes
NEXT

END

READ NEXT:

 Active Grille Air Shutter "A" Actuator Slipping (P05A074)

DESCRIPTION Refer to DTC P059F73. Click here DTC No. Detection Item DTC Detection Condition Trouble Area MIL Memory Note P05A074 Active Grille Air Shutter "A" Actuator Slipping

 Active Grille Air Shutter "A" Circuit Short to Ground (P05A211,P05A212,P05A213)

DESCRIPTION Refer to DTC P059F73. Click here DTC No. Detection Item DTC Detection Condition Trouble Area MIL Memory Note P05A211 Active Grille Air Shutter "A" Circuit Short to G

 Active Grille Air Shutter "A" Actuator Stuck On (P05A27E,P05A27F)

DESCRIPTION Refer to DTC P059F73. Click here DTC No. Detection Item DTC Detection Condition Trouble Area MIL Memory Note P05A27E Active Grille Air Shutter "A" Actuator Stuck On

SEE MORE:

 Hybrid/EV Battery Current/DC/DC Converter Current Signal Compare Failure (P1CFF62)

DTC SUMMARY MALFUNCTION DESCRIPTION If there is a large difference between the reactor current sensor value and the HV battery current sensor value, a malfunction will be detected. Internal inverter malfunction Current sensor malfunction Inverter with converter assembly internal circuit malfunc

 Right Rear Wheel Speed Sensor Circuit Intermittent (C05121F)

DESCRIPTION Refer to DTC C051212 Click here DTC No. Detection Item DTC Detection Condition Trouble Area C05121F Right Rear Wheel Speed Sensor Circuit Intermittent The speed sensor signal is excessively noisy. The calculated change in wheel speed is more than 980 m/s2 for 5*1

© 2016-2025 Copyright www.lexguide.net