Lexus ES manuals

Lexus ES: Telematics Transceiver Disconnected (B15DB)

DESCRIPTION

If the radio receiver assembly cannot detect the DCM (telematics transceiver) for a certain period of time (90 seconds) after the power switch is turned on (ACC) and the radio receiver assembly confirms that the information is missing by checking past DCM (telematics transceiver) recognition information (registered information), this DTC will be stored.

The telematics system uses USB communication between devices. If an open, short, short to +B or short to ground occurs in the USB circuit, communication is interrupted and the telematics system will not operate normally.

DTC No.

Detection Item

DTC Detection Condition

Trouble Area

B15DB

Telematics Transceiver Disconnected

DCM (telematics transceiver) disconnected

  • Harness or connector
  • DCM (telematics transceiver)
  • DCM (telematics transceiver) power source circuit
  • Radio receiver assembly
  • Navigation ECU

HINT:

This DTC may be stored due to environmental reasons such as electrical noise or interference.

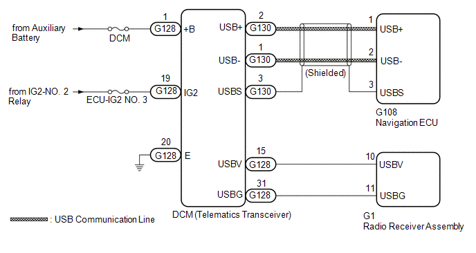
WIRING DIAGRAM

CAUTION / NOTICE / HINT

NOTICE:

  • Depending on the parts that are replaced during vehicle inspection or maintenance, performing initialization, registration or calibration may be needed. Refer to Precaution for Navigation System.

    Click here

  • When replacing the radio receiver assembly or navigation ECU, always replace it with a new one. If a radio receiver assembly or navigation ECU which was installed to another vehicle is used, the following may occur:
    • A communication malfunction DTC may be stored.
    • The radio receiver assembly or navigation ECU may not operate normally.
  • Inspect the fuses for circuits related to this system before performing the following procedure.
  • Before replacing the DCM (telematics transceiver), refer to Registration.

    Click here

PROCEDURE

1.

CHECK DTC

(a) Clear the DTCs.

Body Electrical > Navigation System > Clear DTCs

(b) Turn the power switch off.

(c) Turn the power switch on (IG) and wait for 90 seconds.

(d) Recheck for DTCs and check that no DTCs are output.

Body Electrical > Navigation System > Trouble Codes

OK:

No DTCs are output.

OK

USE SIMULATION METHOD TO CHECK

NG

2.

CHECK HARNESS AND CONNECTOR (DCM (TELEMATICS TRANSCEIVER) POWER SOURCE)

(a) Disconnect the G128 DCM (telematics transceiver) connector.

(b) Measure the resistance according to the value(s) in the table below.

Standard Resistance:

Tester Connection

Condition

Specified Condition

G128-20 (E) - Body ground

Always

Below 1 Ω

(c) Measure the voltage according to the value(s) in the table below.

Standard Voltage:

Tester Connection

Condition

Specified Condition

G128-1 (+B) - G128-20 (E)

Power switch off

11 to 14 V

G128-19 (IG2) - G128-20 (E)

Power switch on (IG)

11 to 14 V

NG

REPAIR OR REPLACE HARNESS OR CONNECTOR

OK

3.

CHECK HARNESS AND CONNECTOR (RADIO RECEIVER ASSEMBLY - DCM (TELEMATICS TRANSCEIVER))

(a) Disconnect the G1 radio receiver assembly connector.

(b) Disconnect the G128 DCM (telematics transceiver) connector.

(c) Measure the resistance according to the value(s) in the table below.

Standard Resistance:

Tester Connection

Condition

Specified Condition

G1-10 (USBV) - G128-15 (USBV)

Always

Below 1 Ω

G1-11 (USBG) - G128-31 (USBG)

Always

Below 1 Ω

G1-10 (USBV) or G128-15 (USBV) - Body ground

Always

10 kΩ or higher

G1-11 (USBG) or G128-31 (USBG) - Body ground

Always

10 kΩ or higher

NG

REPAIR OR REPLACE HARNESS OR CONNECTOR

OK

4.

INSPECT RADIO RECEIVER ASSEMBLY

(a) Disconnect the G1 radio receiver assembly connector.

(b) Measure the resistance according to the value(s) in the table below.

Standard Resistance:

Tester Connection

Condition

Specified Condition

G1-11 (USBG) - Body ground

Always

Below 1 Ω

*a

Component without harness connected

(Radio Receiver Assembly)

(c) Measure the voltage according to the value(s) in the table below.

Standard Voltage:

Tester Connection

Condition

Specified Condition

G1-10 (USBV) - G1-11 (USBG)

Power switch on (ACC)

4.75 to 5.25 V

NG

REPLACE RADIO RECEIVER ASSEMBLY

OK

5.

CHECK HARNESS AND CONNECTOR (DCM (TELEMATICS TRANSCEIVER) - NAVIGATION ECU)

(a) Disconnect the G130 DCM (telematics transceiver) connector.

(b) Disconnect the G108 navigation ECU connector.

(c) Measure the resistance according to the value(s) in the table below.

Standard Resistance:

Tester Connection

Condition

Specified Condition

G130-2 (USB+) - G108-1 (USB+)

Always

Below 1 Ω

G130-1 (USB-) - G108-2 (USB-)

Always

Below 1 Ω

G130-3 (USBS) - G108-3 (USBS)

Always

Below 1 Ω

G130-2 (USB+) or G108-1 (USB+) - Body ground

Always

10 kΩ or higher

G130-1 (USB-) or G108-2 (USB-) - Body ground

Always

10 kΩ or higher

G130-3 (USBS) or G108-3 (USBS) - Body ground

Always

10 kΩ or higher

*a

Front view of wire harness connector

(to DCM (telematics transceiver))

*b

Front view of wire harness connector

(to Navigation ECU)

NG

REPAIR OR REPLACE HARNESS OR CONNECTOR

OK

6.

CHECK DCM (TELEMATICS TRANSCEIVER)

(a) Replace the DCM (telematics transceiver) with a new one.

Click here

(b) Clear the DTCs.

Body Electrical > Navigation System > Clear DTCs

(c) Turn the power switch off.

(d) Turn the power switch on (IG) and wait for 90 seconds.

(e) Recheck for DTCs and check that no DTCs are output.

Body Electrical > Navigation System > Trouble Codes

OK:

No DTCs are output.

OK

END

NG

7.

CHECK NAVIGATION ECU

(a) Replace the navigation ECU with a new one.

Click here

(b) Clear the DTCs.

Body Electrical > Navigation System > Clear DTCs

(c) Turn the power switch off.

(d) Turn the power switch on (IG) and wait for 90 seconds.

(e) Recheck for DTCs and check that no DTCs are output.

Body Electrical > Navigation System > Trouble Codes

OK:

No DTCs are output.

OK

END (NAVIGATION ECU IS DEFECTIVE)

NG

REPLACE RADIO RECEIVER ASSEMBLY

READ NEXT:

 Air Conditioner ECU Vehicle Information Reading/Writing Processor Malfunction (B15F5)

DESCRIPTION This DTC is stored when items controlled by the air conditioning amplifier assembly cannot be customized via the navigation system vehicle customization screen. HINT: The air conditioning

 Main Body ECU Vehicle Information Reading/Writing Process Malfunction (B15F6)

DESCRIPTION This DTC is stored when items controlled by the main body ECU (multiplex network body ECU) cannot be customized via the navigation system vehicle customization screen. HINT: The main body

 Certification ECU Vehicle Information Reading/Writing Process Malfunction (B15F7)

DESCRIPTION This DTC is stored when items controlled by the certification ECU (smart key ECU assembly) cannot be customized via the navigation system vehicle customization screen. HINT: The certificat

SEE MORE:

 Switch Lights of Remote Touch Always Illuminate or cannot be Controlled Using Rheostat

DESCRIPTION Power is supplied to the remote touch (remote operation controller assembly) illumination when the light control switch is in the tail or head position. HINT: When the remote touch (remote operation controller assembly) is in self check mode, the switch illumination on the remote touc

 Data List / Active Test

DATA LIST / ACTIVE TEST DATA LIST NOTICE: In the table below, the values listed under "Normal Condition" are reference values. Do not depend solely on these reference values when deciding whether a part is faulty or not. HINT: Using the Techstream to read the Data List allows the values or states of

© 2016-2026 Copyright www.lexguide.net