Lexus ES: System Diagram
SYSTEM DIAGRAM
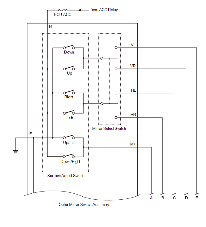
ELECTRICAL REMOTE CONTROL MIRROR FUNCTION
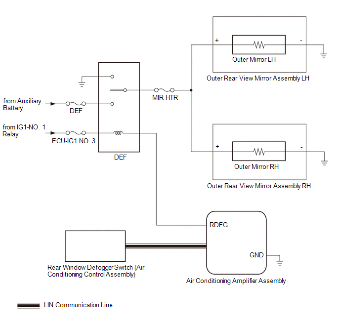
MIRROR HEATER FUNCTION
AUTOMATIC GLARE-RESISTANT EC MIRROR FUNCTION
.png)
Communication Table
| Sender | Receiver | Signal | Communication Method |
| Air Conditioning Control Assembly | Air Conditioning Amplifier Assembly | Mirror heater switch (rear window defogger switch) signal | LIN |
READ NEXT:
SYSTEM DESCRIPTION POWER MIRROR CONTROL SYSTEM (w/o Memory) DESCRIPTION (a) This system has the following functions: electrical remote control mirror function, power retract mirror function, mirror he
CAUTION / NOTICE / HINT HINT:
Use the following procedure to troubleshoot the power mirror control system (w/o Memory).
*: Use the Techstream.
PROCEDURE 1. VEHICLE BROUGHT TO WORKSHOP
OPERATION CHECK CHECK ELECTRICAL REMOTE CONTROL MIRROR FUNCTION (a) Turn the power switch on (IG). (b) With L on the mirror select switch selected, check that the outer rear view mirror assembly LH su
SEE MORE:
DTC CHECK / CLEAR CHECK DTC (a) Connect the Techstream to the DLC3. (b) Turn the engine switch on (IG). (c) Turn the parking support brake system on. (d) Turn the Techstream on. (e) Enter the following menus: Body Electrical / Advanced Parking Guidance/ICS/Intuitive P/A / Trouble Codes. (f) Check fo
ON-VEHICLE INSPECTION PROCEDURE 1. INSPECT ACCELERATOR PEDAL(W/SENSOR) ROD ASSEMBLY (a) Connect the Techstream to the DLC3. (b) Turn the engine switch on (IG). (c) Turn the Techstream on. (d) Enter the following menus: Powertrain / Engine / Data List / Accelerator Position Sensor No. 1 Voltage and A
© 2016-2026 Copyright www.lexguide.net
