Lexus ES manuals

Lexus ES: Sensor (Motor) Failure (B2341,B2344)

DESCRIPTION

When the sliding roof ECU (sliding roof drive gear sub-assembly) detects a motor malfunction and the sliding roof operation is stopped, DTC B2341 is stored.

When the sliding roof ECU (sliding roof drive gear sub-assembly) detects a gear position malfunction and the sliding roof operation is stopped, DTC B2344 is stored.

DTC No.

Detection Item

DTC Detection Condition

Trouble Area

B2341

Sensor (Motor) Failure

Sensor (motor) failure (The sliding roof ECU (sliding roof drive gear sub-assembly) enters fail-safe mode due to a problem with the motor)

  • Sliding roof ECU (Sliding roof drive gear sub-assembly)
  • Sliding roof switch (Map light sub-assembly)
  • Wire harness or connector

B2344

Position Failure

Position failure (The sliding roof ECU (sliding roof drive gear sub-assembly) enters fail-safe mode due to a problem with the gear position)

  • Sliding roof ECU (Sliding roof drive gear sub-assembly)
  • Sliding roof switch (Map light sub-assembly)
  • Wire harness or connector

WIRING DIAGRAM

CAUTION / NOTICE / HINT

NOTICE:

  • If the sliding roof ECU (sliding roof drive gear sub-assembly) is removed and reinstalled or replaced, the sliding roof ECU (sliding roof drive gear sub-assembly) must be initialized.

    Click here

PROCEDURE

1.

CHECK SLIDING ROOF OPERATION

(a) Check the sliding roof auto operation.

Click here

OK:

Auto operation operates normally.

NG

GO TO STEP 3

OK

2.

CHECK DTC OUTPUT

(a) Clear the DTCs.

Body Electrical > Sliding Roof > Clear DTCs

(b) Check for DTCs.

Body Electrical > Sliding Roof > Trouble Codes

OK:

DTCs B2341 and B2344 are not output.

OK

USE SIMULATION METHOD TO CHECK

NG

REPLACE SLIDING ROOF ECU (SLIDING ROOF DRIVE GEAR SUB-ASSEMBLY)

3.

INITIALIZE SLIDING ROOF ECU (SLIDING ROOF DRIVE GEAR SUB-ASSEMBLY)

(a) Check that the sliding roof ECU (sliding roof drive gear sub-assembly) can be initialized.

Click here

OK:

Sliding roof ECU (sliding roof drive gear sub-assembly) can be initialized.

NG

GO TO STEP 5

OK

4.

CHECK DTC OUTPUT

(a) Clear the DTCs.

Body Electrical > Sliding Roof > Clear DTCs

(b) Check for DTCs.

Body Electrical > Sliding Roof > Trouble Codes

OK:

DTCs B2341 and B2344 are not output.

OK

END (MALFUNCTION DUE TO INITIALIZATION FAILURE)

NG

REPLACE SLIDING ROOF ECU (SLIDING ROOF DRIVE GEAR SUB-ASSEMBLY)

5.

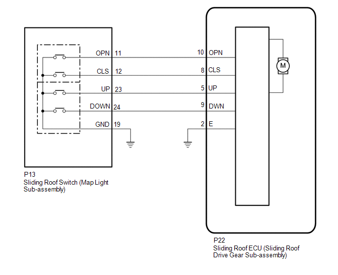
CHECK HARNESS AND CONNECTOR (SLIDING ROOF ECU (SLIDING ROOF DRIVE GEAR SUB-ASSEMBLY) - SLIDING ROOF SWITCH (MAP LIGHT SUB-ASSEMBLY) AND BODY GROUND)

(a) Disconnect the P13 sliding roof switch (map light sub-assembly) connector.

(b) Disconnect the P22 sliding roof ECU (sliding roof drive gear sub-assembly) connector.

(c) Measure the resistance according to the value(s) in the table below.

Standard Resistance:

Tester Connection

Condition

Specified Condition

P22-8 (CLS) - P13-12 (CLS)

Always

Below 1 Ω

P22-8 (CLS) or P13-12 (CLS) - Body ground

Always

10 kΩ or higher

P22-10 (OPN) - P13-11 (OPN)

Always

Below 1 Ω

P22-10 (OPN) or P13-11 (OPN) - Body ground

Always

10 kΩ or higher

P22-9 (DWN) - P13-24 (DOWN)

Always

Below 1 Ω

P22-9 (DWN) or P13-24 (DOWN) - Body ground

Always

10 kΩ or higher

P22-5 (UP) - P13-23 (UP)

Always

Below 1 Ω

P22-5 (UP) or P13-23 (UP) - Body ground

Always

10 kΩ or higher

P13-19 (GND) - Body ground

Always

Below 1 Ω

P22-2 (E) - Body ground

Always

Below 1 Ω

NG

REPAIR OR REPLACE HARNESS OR CONNECTOR

OK

6.

INSPECT SLIDING ROOF SWITCH (MAP LIGHT SUB-ASSEMBLY)

(a) Remove the sliding roof switch (map light sub-assembly).

Click here

(b) Inspect the sliding roof switch (map light sub-assembly).

Click here

OK

REPLACE SLIDING ROOF ECU (SLIDING ROOF DRIVE GEAR SUB-ASSEMBLY)

NG

REPLACE SLIDING ROOF SWITCH (MAP LIGHT SUB-ASSEMBLY)

READ NEXT:

 Switch Failure (B2342)

DESCRIPTION This DTC is stored when the sliding roof ECU (sliding roof drive gear sub-assembly) detects that the sliding roof switch (map light sub-assembly) is stuck for 30 seconds or more. DTC No

 Position Initialization Incomplete (B2343)

DESCRIPTION This DTC is stored when the sliding roof ECU (sliding roof drive gear sub-assembly) has not been initialized. DTC No. Detection Item DTC Detection Condition Trouble Area B2343

 Remote Control System does not Operate

DESCRIPTION The main body ECU (multiplex network body ECU) receives remote control signals from the driver door key cylinder or electrical key transmitter sub-assembly. Then, the main body ECU (multip

SEE MORE:

 Rear Power Window LH Auto Up / Down Function does not Operate with Rear Power Window Switch LH

DESCRIPTION If the manual up and down functions operate normally but the auto up and down functions do not, the power window control system may be in fail-safe mode. If power window initialization has not been performed, the auto up and down functions will not operate. Click here WIRING DIAGRAM C

 Transmission Fluid Temperature Sensor "C" Circuit Short to Ground (P274A11,P274A15)

DTC SUMMARY MALFUNCTION DESCRIPTION These DTCs are stored when the transmission fluid temperature sensor output is abnormal. The cause of this malfunction may be one of the following: Hybrid vehicle control ECU malfunction Hybrid vehicle control ECU internal malfunction Transmission fluid tem

© 2016-2025 Copyright www.lexguide.net