Lexus ES manuals

Lexus ES: Radio Receiver Power Source Circuit

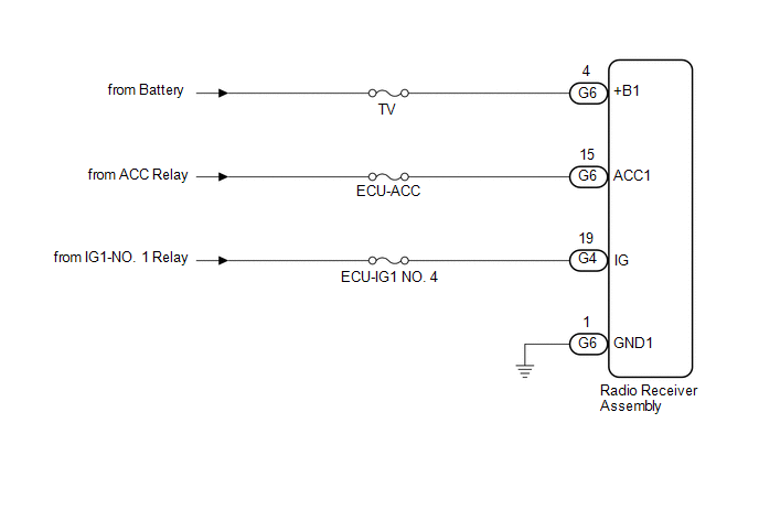
DESCRIPTION

This is the power source circuit to operate the radio receiver assembly.

WIRING DIAGRAM

CAUTION / NOTICE / HINT

NOTICE:

Inspect the fuses for circuits related to this system before performing the following procedure.

PROCEDURE

1.

CHECK HARNESS AND CONNECTOR (RADIO RECEIVER ASSEMBLY POWER SOURCE)

(a) Disconnect the G4 and G6 radio receiver assembly connectors.

(b) Measure the resistance according to the value(s) in the table below.

Standard Resistance:

Tester Connection

Condition

Specified Condition

G6-1 (GND1) - Body ground

Always

Below 1 Ω

(c) Measure the voltage according to the value(s) in the table below.

Standard Voltage:

Tester Connection

Condition

Specified Condition

G6-4 (+B1) - G6-1 (GND1)

Always

11 to 14 V

G6-15 (ACC1) - G6-1 (GND1)

Engine switch on (ACC)

11 to 14 V

G4-19 (IG) - G6-1 (GND1)

Engine switch on (IG)

11 to 14 V

OK

PROCEED TO NEXT SUSPECTED AREA SHOWN IN PROBLEM SYMPTOMS TABLE

NG

REPAIR OR REPLACE HARNESS OR CONNECTOR

READ NEXT:

 Registered Device cannot be Deleted

PROCEDURE 1. DELETE OPERATION (a) Check if a registered portable player can be deleted normally. OK: Registered portable player can be deleted normally. OK END NG PROCEED TO

 Remote Touch Screen Does not Generate Vibration Feedback

DESCRIPTION When each button displayed on the multi-display assembly is selected via remote touch screen operation, the remote touch screen generates vibration feedback according to communication betw

 Satellite Radio Broadcast cannot be Received

CAUTION / NOTICE / HINT NOTICE: Some satellite radio broadcasts require payment. A contract must be made between a satellite radio company and the user. If the contract expires, it will not be possibl

SEE MORE:

 Removal

REMOVAL CAUTION / NOTICE / HINT The necessary procedures (adjustment, calibration, initialization, or registration) that must be performed after parts are removed and installed, or replaced during motor generator control ECU kit removal/installation are shown below. Necessary Procedures After Parts

 Hybrid/EV Battery Energy Control Module Monitoring Processor Watchdog / Safety MCU Failure (P060A47)

DESCRIPTION The battery ECU assembly monitors its internal operation and will store these DTCs when it detects an internal malfunction. DTC No. Detection Item DTC Detection Condition Trouble Area MIL Warning Indicate P060A47 Hybrid/EV Battery Energy Control Module Monitoring Proce

© 2016-2025 Copyright www.lexguide.net