Lexus ES manuals

Lexus ES: Power Trunk Lid does not Operate Using Any Switches

Lexus ES (XZ10) Service Manual / Vehicle Interior / Door / Hatch / Power Trunk Lid System (for Hv Model) / Power Trunk Lid does not Operate Using Any Switches

DESCRIPTION

The power trunk lid controls the luggage closer motor assembly and operates the luggage closer motor assembly and luggage door closer assembly.

If the power trunk lid does not operate using any of the operations, a malfunction related to the power trunk lid operation conditions or luggage closer motor assembly are possible causes.

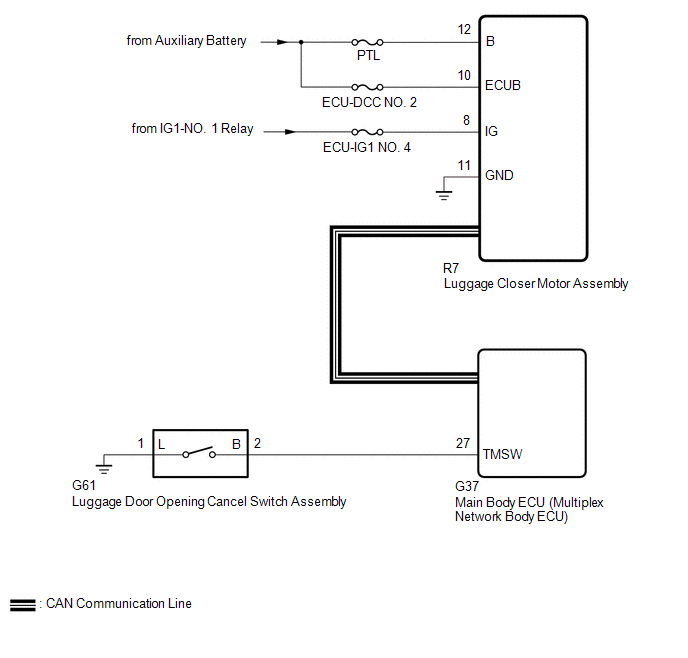
WIRING DIAGRAM

CAUTION / NOTICE / HINT

NOTICE:

  • If the main body ECU (multiplex network body ECU) is replaced, refer to the Registration.

    Click here

  • The power trunk lid system uses the CAN communication system. First, confirm that there is no malfunction in the CAN communication system. Refer to the How to Proceed with Troubleshooting procedure.

    Click here

  • This check is possible only when the "PBD Power Operation" customization setting using the Techstream is set to "ON" (initial setting is "ON").

    Click here

  • Inspect fuses for circuits related to this system before performing the following procedure.
  • If the luggage closer motor assembly has been removed and installed or replaced, or if any of the connectors has been disconnected, initialize the power trunk lid system.

    Click here

PROCEDURE

1.

CHECK FOR DTC

(a) Connect the Techstream to the DLC3.

(b) Turn the power switch on (IG).

(c) Turn the Techstream on.

(d) Enter the following menus: Body Electrical / Back Door / Trouble Codes.

(e) Clear the DTCs.

Body Electrical > Back Door > Clear DTCs

(f) Check for DTCs.

Body Electrical > Back Door > Trouble Codes

OK:

DTC is not output.

NG

GO TO DIAGNOSTIC TROUBLE CODE CHART

OK

2.

CHECK HARNESS AND CONNECTOR (LUGGAGE CLOSER MOTOR ASSEMBLY - AUXILIARY BATTERY AND BODY GROUND)

(a) Disconnect the R7 luggage closer motor assembly connector.

(b) Measure the resistance according to the value(s) in the table below.

Standard Resistance:

Tester Connection

Condition

Specified Condition

R7-11 (GND) - Body ground

Always

Below 1 Ω

(c) Measure the voltage according to the value(s) in the table below.

Standard Voltage:

Tester Connection

Condition

Specified Condition

R7-8 (IG) - Body ground

Power switch on (IG)

11 to 14 V

Power switch off

Below 1 V

R7-10 (ECUB) - Body ground

Power switch off

11 to 14 V

R7-12 (B) - Body ground

Power switch off

11 to 14 V

NG

REPAIR OR REPLACE HARNESS OR CONNECTOR

OK

3.

READ VALUE USING TECHSTREAM

(a) Enter the following menus: Body Electrical / Main Body / Data List.

(b) Read the Data List according to the display on the Techstream.

Click here

Body Electrical > Main Body > Data List

Tester Display

Measurement Item

Range

Normal Condition

Diagnostic Note

Trunk Main SW

Luggage door opening cancel switch assembly signal

OFF or ON

OFF: Luggage door opening cancel switch assembly off

ON: Luggage door opening cancel switch assembly on

-

Body Electrical > Main Body > Data List

Tester Display

Trunk Main SW

OK:

The Data List item changes according to the operation of the luggage door opening cancel switch assembly.

OK

REPLACE LUGGAGE CLOSER MOTOR ASSEMBLY

NG

4.

INSPECT LUGGAGE DOOR OPENING CANCEL SWITCH ASSEMBLY

(a) Remove the luggage door opening cancel switch assembly.

Click here

(b) Inspect the luggage door opening cancel switch assembly.

Click here

NG

REPLACE LUGGAGE DOOR OPENING CANCEL SWITCH ASSEMBLY

OK

5.

CHECK HARNESS AND CONNECTOR (LUGGAGE DOOR OPENING CANCEL SWITCH ASSEMBLY - MAIN BODY ECU (MULTIPLEX NETWORK BODY ECU) AND BODY GROUND)

(a) Disconnect the G37 main body ECU (multiplex network body ECU) connector.

(b) Measure the resistance according to the value(s) in the table below.

Standard Resistance:

Tester Connection

Condition

Specified Condition

G61-2 (B) - G37-27 (TMSW)

Always

Below 1 Ω

G61-1 (L) - Body ground

Always

Below 1 Ω

G61-2 (B) or G37-27 (TMSW) - Body ground

Always

10 kΩ or higher

OK

REPLACE MAIN BODY ECU (MULTIPLEX NETWORK BODY ECU)

NG

REPAIR OR REPLACE HARNESS OR CONNECTOR

READ NEXT:

 Power Trunk Lid does not Operate Using Cabin Switch

DESCRIPTION The trunk and fuel switch assembly (luggage compartment door opening switch) signal is sent to the luggage closer motor assembly. If the power trunk lid does not operate using the trunk an

 Power Trunk Lid does not Operate Using Outside Switch

DESCRIPTION The door control switch signal is sent to the luggage closer motor assembly. If the power trunk lid does not operate using the door control switch, a door control switch circuit malfunctio

 Power Trunk Lid does not Operate Using Kick Sensor Operation

DESCRIPTION The kick door control sensor receives vehicle speed, IG and ACC signals from the main body ECU (multiplex network body ECU) via LIN communication and uses the information to stop sensor os

SEE MORE:

 Vehicle Speed Signal Circuit between Stereo Component Amplifier and Combination Meter

DESCRIPTION The stereo component amplifier assembly receives a vehicle speed signal from the combination meter assembly to control the ASL function. HINT: A voltage of 12 V or 5 V is output from each ECU and then input to the combination meter assembly. The signal is changed to a pulse signal at

 Message Not Displayed on Multi-information Display When AUTO Function Set to ON/OFF

DESCRIPTION When the AUTO function is set to ON/OFF, a message is displayed on the multi-information display in the combination meter assembly. WIRING DIAGRAM CAUTION / NOTICE / HINT NOTICE: The electric parking brake may still operate up to 20 seconds after the engine switch is turned off. Befo

© 2016-2026 Copyright www.lexguide.net