Lexus ES manuals

Lexus ES: Front Speed Sensor RH Circuit Output (C1413,C1414)

DESCRIPTION

Each speed sensor detects the wheel speed and sends the signals to the skid control ECU (brake booster with master cylinder assembly). These signals are used for ABS control.

HINT:

The output voltage values shown below are for when the vehicle wire harnesses are connected to the skid control ECU (brake booster with master cylinder assembly) and the speed sensors.

DTC No.

Detection Item

INF Code

DTC Detection Condition

Trouble Area

MIL

Note

C1413

Front Speed Sensor RH Circuit Output

504

541

  • INF Code: 504
    • An open in the sensor signal of a malfunctioning wheel occurs 255 times or more.
  • INF Code: 541
    • Either of the following is detected:
      1. At a vehicle speed of 20 km/h (12 mph) or more, noise occurs in the sensor signals of a malfunctioning wheel 75 times or more within 5 seconds.
      2. At a vehicle speed of 10 km/h (6 mph) or more, noise occurs once per rotor rotation for 15 seconds or more.
  • Front speed sensor RH
  • Speed sensor installed improperly
  • Wire harness or connector
  • Front speed sensor rotor RH (front axle hub sub-assembly RH)
  • Skid control ECU (brake booster with master cylinder assembly)

Comes on

  • INF Code 504: SAE Code C050A (Case 2)
  • INF Code 541: SAE Code C050A (Case 1)
  • ABS DTC

C1414

Front Speed Sensor LH Circuit Output

514

542

  • INF Code: 514
    • An open in the sensor signal of a malfunctioning wheel occurs 255 times or more.
  • INF Code: 542
    • Either of the following is detected:
      1. At a vehicle speed of 20 km/h (12 mph) or more, noise occurs in the sensor signals of a malfunctioning wheel 75 times or more within 5 seconds.
      2. At a vehicle speed of 10 km/h (6 mph) or more, noise occurs once per rotor rotation for 15 seconds or more.
  • Front speed sensor LH
  • Speed sensor installed improperly
  • Wire harness or connector
  • Front speed sensor rotor LH (front axle hub sub-assembly LH)
  • Skid control ECU (brake booster with master cylinder assembly)

Comes on

  • INF Code 514: SAE Code C0504 (Case 2)
  • INF Code 542: SAE Code C0504 (Case 1)
  • ABS DTC

MONITOR DESCRIPTION

The skid control ECU (brake booster with master cylinder assembly) monitors the output value of the speed sensors. When the vehicle is being driven and a sudden irregular change in acceleration due to iron particles being attached to the speed sensor is detected repeatedly, or periodic sudden changes in acceleration due to iron particles being attached to the speed sensor rotor is detected, the skid control ECU (brake booster with master cylinder assembly) judges that speed sensor noise is occurring and illuminates the MIL and stores a DTC.

Also, when the vehicle is being driven and the output value of the speed sensor is momentarily interrupted repeatedly, the skid control ECU (brake booster with master cylinder assembly) judges that there is a momentary interruption in the speed sensor circuit and illuminates the MIL and stores a DTC.

MONITOR STRATEGY

Related DTCs

C0504 (Case 1): Speed sensor intermittent/erratic

C0504 (Case 2): Speed sensor intermittent/erratic

C050A (Case 1): Speed sensor intermittent/erratic

C050A (Case 2): Speed sensor intermittent/erratic

Required Sensors/Components(Main)

Speed sensor

Speed sensor rotor

Required Sensors/Components(Related)

Speed sensor

Frequency of Operation

Continuous

Duration

-: C0504 (Case 1) and C050A (Case 1)

255 times: C0504 (Case 2) and C050A (Case 2)

MIL Operation

Immediately

Sequence of Operation

None

TYPICAL ENABLING CONDITIONS

All

Monitor runs whenever the following DTCs are not stored

C0501, C0507, C050D, C0513 (Speed sensor range/performance)

C0502, C0508, C050E, C0514 (Speed sensor circuit low)

C0503, C0509, C050F, C0515 (Speed sensor circuit high)

C140B, C140C, C140D, C140E (2 wheel speed sensors malfunction)

C14E1, C14E4, C14E7, C14EA (Case 1) (Speed sensor voltage circuit low)

C14E1, C14E4, C14E7, C14EA (Case 2) (Speed sensor voltage circuit low)

C0504 and C050A (Case 1)

Speed sensor fail (C0501, C0502, C0503, C0507, C0508, C0509, C050D, C050E, C050F, C0513, C0514, C0515, C140B, C140C, C140D, C140E, C14E1, C14E4, C14E7, C14EA)

Not detected

C0504 and C050A (Case 2)

All of the following conditions are met

-

Brake system voltage 1 (VM1)

Less than 16.44 V

Speed sensor pulse

No signal

Wheels are not locked

Met

Vehicle speed

15 km/h (9 mph) or more

Speed sensor fail (C0501, C0502, C0503, C0507, C0508, C0509, C050D, C050E, C050F, C0513, C0514, C0515, C140B, C140C, C140D, C140E, C14E1, C14E4, C14E7, C14EA)

Not detected

TYPICAL MALFUNCTION THRESHOLDS

C0504 and C050A (Case 1)

Either of the following conditions is met

-

Speed sensor noise

Exist

Speed sensor a piece of metal rotor noise

Exist

C0504 and C050A (Case 2)

Edge of speed sensor outage

Exist

COMPONENT OPERATING RANGE

C0504 and C050A (Case 1)

Both of the following conditions are met

-

Speed sensor fail (C0501, C0502, C0503, C0507, C0508, C0509, C050D, C050E, C050F, C0513, C0514, C0515, C140B, C140C, C140D, C140E, C14E1, C14E4, C14E7, C14EA)

Not detected

Speed sensor pass flag

On

C0504 and C050A (Case 2)

All of the following conditions are met

-

Brake system voltage 1 (VM1)

Less than 16.44 V

Speed sensor pulse

No signal

Wheels are not locked

Met

Vehicle speed

15 km/h (9 mph) or more

Speed sensor fail (C0501, C0502, C0503, C0507, C0508, C0509, C050D, C050E, C050F, C0513, C0514, C0515, C140B, C140C, C140D, C140E, C14E1, C14E4, C14E7, C14EA)

Not detected

Speed sensor pass flag

On

CONFIRMATION DRIVING PATTERN

  1. Connect the Techstream to the DLC3.
  2. Turn the power switch on (IG).
  3. Turn the Techstream on.
  4. Clear the DTCs (even if no DTCs are stored, perform the clear DTC procedure).
  5. Turn the power switch off.
  6. Turn the power switch on (READY).
  7. Turn the Techstream on.
  8. Drive the vehicle at a speed of 15 km/h (9 mph) or more for 15 seconds or more.
  9. Enter the following menus: Chassis / ABS/VSC/TRAC / Trouble Codes.
  10. Read the DTCs.

    HINT:

    • If a DTC is output, the system is malfunctioning.
    • If a DTC is not output, perform the following procedure.
  11. If the DTCs are not output, perform a universal trip and check for permanent DTCs.

    Click here

    HINT:

    • If a permanent DTC is output, the system is malfunctioning.
    • If no permanent DTCs are output, the system is normal.

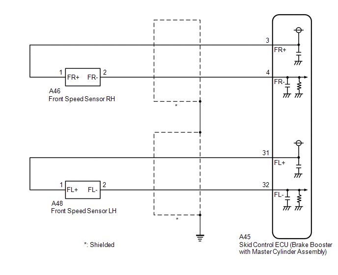
WIRING DIAGRAM

CAUTION / NOTICE / HINT

NOTICE:

After replacing the skid control ECU (brake booster with master cylinder assembly), perform linear solenoid valve offset learning, ABS holding solenoid valve learning, yaw rate and acceleration sensor zero point calibration and system information memorization after performing "Reset Memory".

Click here

PROCEDURE

1.

CHECK DTC

(a) Clear the DTCs.

Click here

Chassis > ABS/VSC/TRAC > Clear DTCs

(b) Turn the power switch off.

(c) Turn the power switch on (IG).

(d) Check if the same DTC is output.

Click here

Chassis > ABS/VSC/TRAC > Trouble Codes

Result

Proceed to

DTC C1413 is output.

A

DTC C1414 is output.

B

B

GO TO STEP 9

A

2.

READ VALUE USING TECHSTREAM (MOMENTARY INTERRUPTION)

(a) Using the Techstream, check for any momentary interruptions in the wire harness and connector corresponding to a DTC.

Click here

Chassis > ABS/VSC/TRAC > Data List

Tester Display

Measurement Item

Range

Normal Condition

Diagnostic Note

FR Speed Sensor Voltage Open

Front speed sensor RH voltage open detection

Error or Normal

Error: Momentary interruption

Normal: Normal

-

Chassis > ABS/VSC/TRAC > Data List

Tester Display

FR Speed Sensor Voltage Open

(b) Check for any momentary interruptions in the wire harness and connectors.

OK:

There are no momentary interruptions.

NOTICE:

Perform the above inspection before removing the sensor and connector.

NG

GO TO STEP 5

OK

3.

READ VALUE USING TECHSTREAM (FRONT SPEED SENSOR RH)

(a) Select the Data List on the Techstream.

Click here

Chassis > ABS/VSC/TRAC > Data List

Tester Display

Measurement Item

Range

Normal Condition

Diagnostic Note

FR Wheel Speed

Front speed sensor RH

Min.: 0 km/h (0 mph), Max.: 326.4 km/h (203 mph)

Vehicle stopped: 0 km/h (0 mph)

When driving at constant speed: No large fluctuations

Chassis > ABS/VSC/TRAC > Data List

Tester Display

FR Wheel Speed

(b) Check the front speed sensor RH output value.

OK:

The output value changes in accordance with the vehicle speed.

NG

GO TO STEP 5

OK

4.

RECONFIRM DTC

(a) Clear the DTCs.

Click here

Chassis > ABS/VSC/TRAC > Clear DTCs

(b) Turn the power switch off.

(c) Turn the power switch on (READY).

(d) Perform a road test.

(e) Check if the same DTC is output.

Click here

Chassis > ABS/VSC/TRAC > Trouble Codes

Result

Proceed to

DTC C1413 is not output.

A

DTC C1413 is output.

B

A

USE SIMULATION METHOD TO CHECK

B

REPLACE BRAKE BOOSTER WITH MASTER CYLINDER ASSEMBLY

5.

CHECK FRONT SPEED SENSOR RH INSTALLATION

(a) Turn the power switch off.

*1

Front Speed Sensor RH

*a

OK

*b

NG

*c

8.5 N*m

*d

No Clearance

(b) Check the front speed sensor RH installation.

OK:

There is no clearance between the sensor and the front steering knuckle.

The installation bolt is tightened properly.

Torque

8.5 N*m (87 kgf*cm, 75 in.*lbf)

NG

REINSTALL OR REPLACE FRONT SPEED SENSOR RH

OK

6.

CHECK FRONT SPEED SENSOR RH AND FRONT SPEED SENSOR ROTOR RH (CHECK FOR FOREIGN MATTER)

(a) Remove the front speed sensor RH and the component with the front speed sensor rotor RH.

for Front Speed Sensor RH: Click here

for Front Speed Sensor Rotor RH: Click here

(b) Check the front speed sensor tip RH and front speed sensor rotor RH.

OK:

The sensor tip and rotor are free of scratches, oil, and foreign matter.

NOTICE:

  • If there is oil or foreign matter on the front speed sensor RH, clean the front speed sensor RH and then check the front speed sensor rotor RH.
  • If the front speed sensor RH is damaged, replace the front speed sensor RH with a new one.
  • Check the front speed sensor RH signal after cleaning or replacement.

    Click here

NG

CLEAN OR REPLACE FRONT SPEED SENSOR RH AND FRONT SPEED SENSOR ROTOR RH

OK

7.

CHECK HARNESS AND CONNECTOR (BRAKE BOOSTER WITH MASTER CYLINDER ASSEMBLY - FRONT SPEED SENSOR RH)

(a) Make sure that there is no looseness at the locking part and the connecting part of the connectors.

OK:

The connector is securely connected.

(b) Disconnect the A45 skid control ECU (brake booster with master cylinder assembly) connector.

(c) Disconnect the A46 front speed sensor RH connector.

(d) Check both the connector case and the terminals for deformation and corrosion.

OK:

No deformation or corrosion.

(e) Measure the resistance according to the value(s) in the table below.

Standard Resistance:

Tester Connection

Condition

Specified Condition

A45-3 (FR+) - A46-1 (FR+)

Always

Below 1 Ω

A45-3 (FR+) or A46-1 (FR+) - Body ground

Always

10 kΩ or higher

A45-4 (FR-) - A46-2 (FR-)

Always

Below 1 Ω

A45-4 (FR-) or A46-2 (FR-) - Body ground

Always

10 kΩ or higher

NG

REPAIR OR REPLACE HARNESS OR CONNECTOR

OK

8.

INSPECT BRAKE BOOSTER WITH MASTER CYLINDER ASSEMBLY (SENSOR OUTPUT)

(a) Reconnect the A45 skid control ECU (brake booster with master cylinder assembly) connector.

*a

Front view of wire harness connector

(to Front Speed Sensor RH)

(b) Turn the power switch on (IG).

(c) Measure the voltage according to the value(s) in the table below.

Standard Voltage:

Tester Connection

Condition

Specified Condition

A46-1 (FR+) - Body ground

Power switch on (IG)

8 to 14 V

NOTICE:

Check the front speed sensor RH signal after replacement.

Click here

OK

REPLACE FRONT SPEED SENSOR RH

NG

REPLACE BRAKE BOOSTER WITH MASTER CYLINDER ASSEMBLY

9.

READ VALUE USING TECHSTREAM (MOMENTARY INTERRUPTION)

(a) Using the Techstream, check for any momentary interruptions in the wire harness and connector corresponding to a DTC.

Click here

Chassis > ABS/VSC/TRAC > Data List

Tester Display

Measurement Item

Range

Normal Condition

Diagnostic Note

FL Speed Sensor Voltage Open

Front speed sensor LH voltage open detection

Error or Normal

Error: Momentary interruption

Normal: Normal

-

Chassis > ABS/VSC/TRAC > Data List

Tester Display

FL Speed Sensor Voltage Open

(b) Check for any momentary interruptions in the wire harness and connectors.

OK:

There are no momentary interruptions.

NOTICE:

Perform the above inspection before removing the sensor and connector.

NG

GO TO STEP 12

OK

10.

READ VALUE USING TECHSTREAM (FRONT SPEED SENSOR LH)

(a) Select the Data List on the Techstream.

Click here

Chassis > ABS/VSC/TRAC > Data List

Tester Display

Measurement Item

Range

Normal Condition

Diagnostic Note

FL Wheel Speed

Front speed sensor LH

Min.: 0 km/h (0 mph), Max.: 326.4 km/h (203 mph)

Vehicle stopped: 0 km/h (0 mph)

When driving at constant speed: No large fluctuations

Chassis > ABS/VSC/TRAC > Data List

Tester Display

FL Wheel Speed

(b) Check the front speed sensor LH output value.

OK:

The output value changes in accordance with the vehicle speed.

NG

GO TO STEP 12

OK

11.

RECONFIRM DTC

(a) Clear the DTCs.

Click here

Chassis > ABS/VSC/TRAC > Clear DTCs

(b) Turn the power switch off.

(c) Turn the power switch on (READY).

(d) Perform a road test.

(e) Check if the same DTC is output.

Click here

Chassis > ABS/VSC/TRAC > Trouble Codes

Result

Proceed to

DTC C1414 is not output.

A

DTC C1414 is output.

B

A

USE SIMULATION METHOD TO CHECK

B

REPLACE BRAKE BOOSTER WITH MASTER CYLINDER ASSEMBLY

12.

CHECK FRONT SPEED SENSOR LH INSTALLATION

(a) Turn the power switch off.

*1

Front Speed Sensor LH

*a

OK

*b

NG

*c

8.5 N*m

*d

No Clearance

(b) Check the front speed sensor LH installation.

OK:

There is no clearance between the sensor and the front steering knuckle.

The installation bolt is tightened properly.

Torque

8.5 N*m (87 kgf*cm, 75 in.*lbf)

NG

REINSTALL OR REPLACE FRONT SPEED SENSOR LH

OK

13.

CHECK FRONT SPEED SENSOR LH AND FRONT SPEED SENSOR ROTOR LH (CHECK FOR FOREIGN MATTER)

(a) Remove the front speed sensor LH and the component with the front speed sensor rotor LH.

for Front Speed Sensor LH: Click here

for Front Speed Sensor Rotor LH: Click here

(b) Check the front speed sensor tip LH and front speed sensor rotor LH.

OK:

The sensor tip and rotor are free of scratches, oil, and foreign matter.

NOTICE:

  • If there is oil or foreign matter on the front speed sensor LH, clean the front speed sensor LH and then check the front speed sensor rotor LH.
  • If the front speed sensor LH is damaged, replace the front speed sensor LH with a new one.
  • Check the front speed sensor LH signal after cleaning or replacement.

    Click here

NG

CLEAN OR REPLACE FRONT SPEED SENSOR LH AND FRONT SPEED SENSOR ROTOR LH

OK

14.

CHECK HARNESS AND CONNECTOR (BRAKE BOOSTER WITH MASTER CYLINDER ASSEMBLY - FRONT SPEED SENSOR LH)

(a) Make sure that there is no looseness at the locking part and the connecting part of the connectors.

OK:

The connector is securely connected.

(b) Disconnect the A45 skid control ECU (brake booster with master cylinder assembly) connector.

(c) Disconnect the A48 front speed sensor LH connector.

(d) Check both the connector case and the terminals for deformation and corrosion.

OK:

No deformation or corrosion.

(e) Measure the resistance according to the value(s) in the table below.

Standard Resistance:

Tester Connection

Condition

Specified Condition

A45-31 (FL+) - A48-1 (FL+)

Always

Below 1 Ω

A45-31 (FL+) or A48-1 (FL+) - Body ground

Always

10 kΩ or higher

A45-32 (FL-) - A48-2 (FL-)

Always

Below 1 Ω

A45-32 (FL-) or A48-2 (FL-) - Body ground

Always

10 kΩ or higher

NG

REPAIR OR REPLACE HARNESS OR CONNECTOR

OK

15.

INSPECT BRAKE BOOSTER WITH MASTER CYLINDER ASSEMBLY (SENSOR OUTPUT)

(a) Reconnect the A45 skid control ECU (brake booster with master cylinder assembly) connector.

*a

Front view of wire harness connector

(to Front Speed Sensor LH)

(b) Turn the power switch on (IG).

(c) Measure the voltage according to the value(s) in the table below.

Standard Voltage:

Tester Connection

Condition

Specified Condition

A48-1 (FL+) - Body ground

Power switch on (IG)

8 to 14 V

NOTICE:

Check the front speed sensor LH signal after replacement.

Click here

OK

REPLACE FRONT SPEED SENSOR LH

NG

REPLACE BRAKE BOOSTER WITH MASTER CYLINDER ASSEMBLY

READ NEXT:

 Rear Speed Sensor RH Circuit Output (C1415,C1416)

DESCRIPTION Each speed sensor detects the wheel speed and sends the signals to the skid control ECU (brake booster with master cylinder assembly). These signals are used for ABS control. HINT: The out

 IG1 Voltage Supply too High (C1417,C14DF)

DESCRIPTION If a malfunction is detected in the power source circuit, the skid control ECU (brake booster with master cylinder assembly) stores DTC C1417 and prohibits operation of ABS, brake assist,

 Deceleration Sensor Internal Circuit (C1419,C1435)

DESCRIPTION The airbag ECU assembly has a built-in yaw rate and acceleration sensor and detects the vehicle condition using 2 circuits (GL1, GL2). If an internal malfunction signal from the yaw rate a

SEE MORE:

 Wiper and Washer Switch Circuit

DESCRIPTION The condition of the windshield wiper switch assembly is detected and sent to the steering sensor in this circuit. WIRING DIAGRAM PROCEDURE 1. READ VALUE USING TECHSTREAM (a) Connect the Techstream to the DLC3. (b) Turn the power switch on (IG). (c) Turn the Techstream on. (d)

 Main Body ECU Communication Stop Mode

DESCRIPTION Detection Item Symptom Trouble Area Main Body ECU Communication Stop Mode Any of the following conditions are met: Communication stop for "Main Body" is indicated on the "Communication Bus Check" screen of the Techstream. Click here Communication stop history for "Ma

© 2016-2026 Copyright www.lexguide.net