Lexus ES manuals

Lexus ES: Cylinder 1 Injector "B" Circuit Open (P21CF13,P21D013-P21D213)

Lexus ES (XZ10) Service Manual / Engine & Hybrid System / A25a-fxs (engine Control) / Sfi System / Cylinder 1 Injector "B" Circuit Open (P21CF13,P21D013-P21D213)

DESCRIPTION

The D-4S system has two injection systems. One is an in-cylinder direct injection system that directly injects pressurized fuel into the combustion chamber. The other is an intake port injection system. The ECM determines the percentage of direct injection and port injection necessary in accordance with the engine speed and load.

DTC No.

Detection Item

DTC Detection Condition

Trouble Area

MIL

Memory

Note

P21CF13

Cylinder 1 Injector "B" Circuit Open

Open or short in port fuel injector assembly (1 trip detection logic).

  • Open or short in port fuel injector assembly circuit
  • Port fuel injector assembly
  • ECM

Comes on

DTC stored

SAE Code: P21CF

P21D013

Cylinder 2 Injector "B" Circuit Open

Open or short in port fuel injector assembly (1 trip detection logic).

  • Open or short in port fuel injector assembly circuit
  • Port fuel injector assembly
  • ECM

Comes on

DTC stored

SAE Code: P21D0

P21D113

Cylinder 3 Injector "B" Circuit Open

Open or short in port fuel injector assembly (1 trip detection logic).

  • Open or short in port fuel injector assembly circuit
  • Port fuel injector assembly
  • ECM

Comes on

DTC stored

SAE Code: P21D1

P21D213

Cylinder 4 Injector "B" Circuit Open

Open or short in port fuel injector assembly (1 trip detection logic).

  • Open or short in port fuel injector assembly circuit
  • Port fuel injector assembly
  • ECM

Comes on

DTC stored

SAE Code: P21D2

MONITOR DESCRIPTION

The ECM monitors the injection control of the port fuel injector assemblies. If a malfunction is detected in a port fuel injector assembly circuit, the ECM cancels the injection control for the corresponding cylinder, illuminates the MIL and stores a DTC.

MONITOR STRATEGY

Related DTCs

P21CF: Port injector (cylinder 1) circuit/open

P21D0: Port injector (cylinder 2) circuit/open

P21D1: Port injector (cylinder 3) circuit/open

P21D2: Port injector (cylinder 4) circuit/open

Required Sensors/Components (Main)

Port fuel injector assembly (cylinder 1 to 4)

Required Sensors/Components (Related)

-

Frequency of Operation

Continuous

Duration

-

MIL Operation

Immediate

Sequence of Operation

None

TYPICAL ENABLING CONDITIONS

Monitor runs whenever the following DTCs are not stored

None

All of the following conditions are met

-

Auxiliary battery voltage

8 V or higher

Fuel cut

Off

Synchronous injection

Operating

Power switch

On (IG)

Either of the following conditions is met

Condition A or B

A. Engine

Running

B. Starter

On

Injection time

Higher than 0 seconds

TYPICAL MALFUNCTION THRESHOLDS

One of the following conditions is met

A, B or C

A. Both of the following conditions are met

10 times or more

Command to injector

Off

Injector voltage detected by injector driver IC

[Auxiliary battery voltage multiplied by 0.55] V or less

B. Both of the following conditions are met

10 times or more

Command to injector

Off

Injector voltage detected by injector driver IC

Higher than [auxiliary battery voltage multiplied by 0.55] V, and [auxiliary battery voltage multiplied by 0.7] V or less

C. One of the following conditions is met

(a), (b) or (c)

(a) Both of the following conditions are met

10 times or more

Command to injector

On

Injector voltage detected by injector driver IC

[Auxiliary battery voltage multiplied by 0.12] V or higher

(b) Both of the following conditions are met

10 times or more

Command to injector

On

Injector current detected by injector driver IC

2.6 A or higher

(c) Following condition is met

10 times or more

Injector driver IC internal temperature detected by injector driver IC

150°C (302°F) or higher

CONFIRMATION DRIVING PATTERN

HINT:

  • After repair has been completed, clear the DTC and then check that the vehicle has returned to normal by performing the following All Readiness check procedure.

    Click here

  • When clearing the permanent DTCs, refer to the "CLEAR PERMANENT DTC" procedure.

    Click here

  1. Connect the Techstream to the DLC3.
  2. Turn the power switch on (IG).
  3. Turn the Techstream on.
  4. Clear the DTCs (even if no DTCs are stored, perform the clear DTC procedure).
  5. Turn the power switch off and wait for at least 30 seconds.
  6. Turn the power switch on (IG).
  7. Turn the Techstream on.
  8. Put the engine in Inspection Mode (Maintenance Mode).

    Click here

  9. Start the engine [A].
  10. Idle the engine for 3 minutes or more [B].
  11. Enter the following menus: Powertrain / Engine / Trouble Codes [C].
  12. Read the pending DTCs.

    HINT:

    • If a pending DTC is output, the system is malfunctioning.
    • If a pending DTC is not output, perform the following procedure.
  13. Enter the following menus: Powertrain / Engine / Utility / All Readiness.
  14. Input the DTC: P21CF13, P21D013, P21D113 or P21D213.
  15. Check the DTC judgment result.

    Techstream Display

    Description

    NORMAL

    • DTC judgment completed
    • System normal

    ABNORMAL

    • DTC judgment completed
    • System abnormal

    INCOMPLETE

    • DTC judgment not completed
    • Perform driving pattern after confirming DTC enabling conditions

    HINT:

    • If the judgment result is NORMAL, the system is normal.
    • If the judgment result is ABNORMAL, the system has a malfunction.
    • If the judgment result is INCOMPLETE, perform steps [B] through [C] again.
    • [A] to [C]: Normal judgment procedure.

      The normal judgment procedure is used to complete DTC judgment and also used when clearing permanent DTCs.

    • When clearing the permanent DTCs, do not disconnect the cable from the auxiliary battery terminal or attempt to clear the DTCs during this procedure, as doing so will clear the universal trip and normal judgment histories.

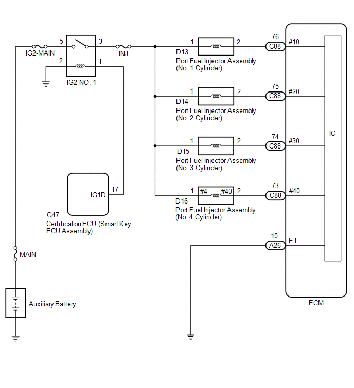
WIRING DIAGRAM

CAUTION / NOTICE / HINT

NOTICE:

  • Inspect the fuses for circuits related to this system before performing the following procedure.
  • Vehicle Control History may be stored in the hybrid vehicle control ECU assembly if the engine is malfunctioning. Certain vehicle condition information is recorded when Vehicle Control History is stored. Reading the vehicle conditions recorded in both the Freeze Frame Data and Vehicle Control History can be useful for troubleshooting.

    Click here

    (Select Powertrain in Health Check and then check the time stamp data.)

    Click here

  • If any "Engine Malfunction" Vehicle Control History item has been stored in the hybrid vehicle control ECU assembly, make sure to clear it. However, as all Vehicle Control History items are cleared simultaneously, if any Vehicle Control History items other than "Engine Malfunction" are stored, make sure to perform any troubleshooting for them before clearing Vehicle Control History.

    Click here

HINT:

Read Freeze Frame Data using the Techstream. The ECM records vehicle and driving condition information as Freeze Frame Data the moment a DTC is stored. When troubleshooting, Freeze Frame Data can help determine if the vehicle was moving or stationary, if the engine was warmed up or not, if the air fuel ratio was lean or rich, and other data from the time the malfunction occurred.

PROCEDURE

1.

CHECK DTCS OUTPUT (IN ADDITION TO DTC P21CF13, P21D013, P21D113 OR P21D213)

(a) Connect the Techstream to the DLC3.

(b) Turn the power switch on (IG).

(c) Turn the Techstream on.

(d) Enter the following menus: Powertrain / Engine / Trouble Codes.

(e) Read the DTCs.

Powertrain > Engine > Trouble Codes

Result

Proceed to

DTC P21CF13, P21D013, P21D113 or P21D213 is output

A

DTC P21CF13, P21D013, P21D113 and P21D213 are output

B

B

REPAIR OR REPLACE HARNESS OR CONNECTOR (IG2 NO. 1 RELAY - PORT FUEL INJECTOR ASSEMBLY)

A

2.

CHECK TERMINAL VOLTAGE (POWER SOURCE OF PORT FUEL INJECTOR ASSEMBLY)

*a

Front view of wire harness connector

(to Port Fuel Injector Assembly)

(a) Disconnect the port fuel injector assembly connector.

(b) Turn the power switch on (IG).

(c) Measure the voltage according to the value(s) in the table below

Standard Voltage:

Tester Connection

Condition

Specified Condition

D13-1 - Body ground

Power switch on (IG)

11 to 14 V

D14-1 - Body ground

Power switch on (IG)

11 to 14 V

D15-1 - Body ground

Power switch on (IG)

11 to 14 V

D16-1 - Body ground

Power switch on (IG)

11 to 14 V

NG

REPAIR OR REPLACE HARNESS OR CONNECTOR (IG2 NO. 1 RELAY - PORT FUEL INJECTOR ASSEMBLY)

OK

3.

CHECK HARNESS AND CONNECTOR (PORT FUEL INJECTOR ASSEMBLY - ECM)

(a) Disconnect the port fuel injector assembly connector.

(b) Disconnect the ECM connector.

(c) Measure the resistance according to the value(s) in the table below.

Standard Resistance:

Tester Connection

Condition

Specified Condition

D13-2 - C88-76 (#10)

Always

Below 1 Ω

D14-2 - C88-75 (#20)

Always

Below 1 Ω

D15-2 - C88-74 (#30)

Always

Below 1 Ω

D16-2 - C88-73 (#40)

Always

Below 1 Ω

D13-2 or C88-76 (#10) - Body ground and other terminals

Always

10 kΩ or higher

D14-2 or C88-75 (#20) - Body ground and other terminals

Always

10 kΩ or higher

D15-2 or C88-74 (#30) - Body ground and other terminals

Always

10 kΩ or higher

D16-2 or C88-73 (#40) - Body ground and other terminals

Always

10 kΩ or higher

NG

REPAIR OR REPLACE HARNESS OR CONNECTOR

OK

4.

INSPECT PORT FUEL INJECTOR ASSEMBLY (RESISTANCE)

(a) Inspect the port fuel injector assembly.

Click here

HINT:

Perform "Inspection After Repair" after replacing the port fuel injector assembly.

Click here

OK

REPLACE ECM

NG

REPLACE PORT FUEL INJECTOR ASSEMBLY

READ NEXT:

 Barometric Pressure Sensor "A" Circuit Short to Ground (P222611,P222615)

DESCRIPTION The atmospheric pressure sensor is built into the ECM. The ECM provides optimal control in response to atmospheric pressure fluctuations. DTC No. Detection Item DTC Detection Condit

 O2 Sensor Positive Current Control Bank 1 Sensor 1 Circuit Short to Ground (P223711,P223712,P223713,P223716,P223717,P22371B,P225111,P225112)

DESCRIPTION Refer to DTC P003012. Click here HINT: Although the DTC titles say O2 sensor, these DTCs relate to the air fuel ratio sensor (sensor 1). DTC No. Detection Item DTC Detection Condi

 A/F (O2) Sensor Positive Current Control Bank 1 Sensor 2 Circuit Short to Ground (P22AB11,P22AB12,P22AB13,P22AB16,P22AB17,P22B211,P22B212)

DESCRIPTION Refer to DTC P003612. Click here HINT: Although the DTC title say O2 sensor, these DTCs relate to the air fuel ratio sensor (sensor 2). DTC No. Detection Item DTC Detection Condit

SEE MORE:

 Inspection

INSPECTION PROCEDURE 1. INSPECT DIFFERENTIAL CASE ASSEMBLY (a) Using SST, rotate the front differential side gear as shown in the illustration. SST: 09528-52010 09528-05030 Standard: The front differential side gear does not lock when rotated in either direction. If the result is not as specifie

 Hybrid Battery Stack 2 Cell Voltage Detection Voltage Out of Range (P1A001C,P301A1C)

DESCRIPTION The HV battery is composed of 70 cells (3.7 V each) in series. The battery ECU assembly monitors the voltage of each HV battery cell to detect malfunctions of the HV battery. DTC No. Detection Item DTC Detection Condition Trouble Area MIL Warning Indicate P1A001C Hybri

© 2016-2026 Copyright www.lexguide.net