Lexus ES manuals

Lexus ES: Brake Switch "A" Circuit Short to Ground (P057111)

DESCRIPTION

The skid control ECU (brake actuator assembly) receives stop light switch assembly signals and uses them to determine whether or not the brakes are applied.

When the brake pedal is depressed and no signal is received from the stop light switch assembly, this DTC is output.

DTC No.

Detection Item

DTC Detection Condition

Trouble Area

P057111

Brake Switch "A" Circuit Short to Ground

Either of the following is detected when the vehicle speed of 3 km/h (2 mph) or more:

  • With the stop light switch assembly off, the stop light switch assembly is judged to be on based on the master cylinder pressure value for 3 seconds or more.
  • With the stop light switch assembly off, the master cylinder pressure is more than 8 MPa (81.6 kgf/cm2, 1160 psi) for 3 seconds or more.
  • Stop light switch assembly
  • Wire harness or connector
  • Skid control ECU (brake actuator assembly)
DTC Detection Conditions: C057111
 

Vehicle Condition

Pattern 1

Pattern 2

Diagnosis Condition

The stop light switch assembly off and vehicle speed of 3 km/h (2 mph) or more.

Malfunction Status

The stop light switch assembly is judged to be on based on the master cylinder pressure value.

-

The master cylinder pressure is more than 8 MPa (81.6 kgf/cm2, 1160 psi).

-

Detection Time

3 seconds or more.

3 seconds or more.

Number of Trips

1 trip

1 trip

HINT:

DTC will be output when conditions for either of the patterns in the table above are met.

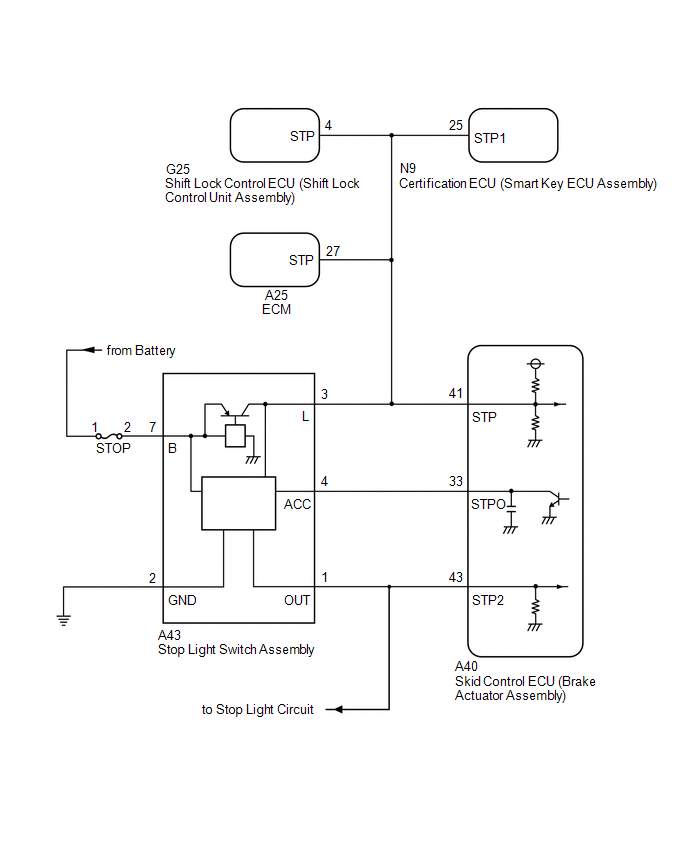
WIRING DIAGRAM

CAUTION / NOTICE / HINT

NOTICE:

  • Inspect the fuses for circuits related to this system before performing the following procedure.
  • After replacing the skid control ECU (brake actuator assembly), perform acceleration sensor zero point calibration and store system information memorization.

    Click here

PROCEDURE

1.

READ VALUE USING TECHSTREAM (MASTER CYLINDER SENSOR)

(a) Connect the Techstream to the DLC3.

(b) Turn the engine switch on (IG).

(c) Enter the following menus: Chassis / Brake/EPB / Data List.

Chassis > Brake/EPB > Data List

Tester Display

Measurement Item

Range

Normal Condition

Diagnostic Note

Master Cylinder Sensor 1

Master cylinder pressure sensor pressure (value detected by ECU)

Min.: -1.00 MPa, Max.: 23.99 MPa

Brake pedal released: -1.00 to 0.00 MPa

Reading increases when brake pedal is depressed

Chassis > Brake/EPB > Data List

Tester Display

Master Cylinder Sensor 1

(d) Check the value of Data List item Master Cylinder Sensor 1 when the brake pedal is released.

OK:

The value of Data List item Master Cylinder Sensor 1 when the brake pedal is released is less than 0.15 MPa.

NG

GO TO STEP 4

OK

2.

CHECK HARNESS AND CONNECTOR (STOP LIGHT SWITCH ASSEMBLY SIGNAL INPUT CIRCUIT)

(a) Make sure that there is no looseness at the locking part and the connecting part of the connector.

OK:

The connector is securely connected.

*a

Front view of wire harness connector

(to Skid Control ECU (Brake Actuator Assembly))

(b) Disconnect the A40 skid control ECU (brake actuator assembly) connector.

(c) Check both the connector case and the terminals for deformation and corrosion.

OK:

No deformation or corrosion.

(d) Measure the voltage according to the value(s) in the table below.

Standard Voltage:

Tester Connection

Condition

Specified Condition

A40-41 (STP) - Body ground

Brake pedal depressed

11 to 14 V

OK

REPLACE BRAKE ACTUATOR ASSEMBLY

NG

3.

CHECK HARNESS AND CONNECTOR (STOP LIGHT SWITCH ASSEMBLY - BRAKE ACTUATOR ASSEMBLY)

(a) Make sure that there is no looseness at the locking part and the connecting part of the connector.

OK:

The connector is securely connected.

(b) Disconnect the A40 skid control ECU (brake actuator assembly) connector.

(c) Disconnect the A43 stop light switch assembly connector.

(d) Check both the connector case and the terminals for deformation and corrosion.

OK:

No deformation or corrosion.

(e) Measure the resistance according to the value(s) in the table below.

Standard Resistance:

Tester Connection

Condition

Specified Condition

A43-3 (L) - A40-41 (STP)

Always

Below 1 Ω

A43-3 (L) or A40-41 (STP) - Body ground and other terminals

Always

10 kΩ or higher

OK

REPLACE STOP LIGHT SWITCH ASSEMBLY

NG

REPAIR OR REPLACE HARNESS OR CONNECTOR

4.

CHECK DTC

(a) Connect the Techstream to the DLC3.

(b) Turn the engine switch on (IG).

(c) Read the DTCs following the prompts on the Techstream. Enter the following menus: Chassis / Brake/EPB / Trouble Codes.

Chassis > Brake/EPB > Trouble Codes

(d) Check the details of the DTCs.

Result

Proceed to

P057111 and C05401C, C054028 and/or C054049 are output simultaneously

A

P057111 is output

B

A

REPAIR CIRCUITS INDICATED BY OUTPUT DTCS

B

GO TO BRAKE SYSTEM

READ NEXT:

 Brake Switch "A" Circuit Short to Ground (P057111)

DESCRIPTION The skid control ECU (brake actuator assembly) receives stop light switch assembly signals and uses them to determine whether or not the brakes are applied. When the brake pedal is depress

 Brake Switch "A" Circuit Short to Battery (P057112)

DESCRIPTION The skid control ECU (brake actuator assembly) receives stop light switch assembly signals and uses them to determine whether or not the brakes are applied. DTCs may be stored if either of

 Brake Switch "A" Circuit Short to Battery (P057112)

DESCRIPTION The skid control ECU (brake actuator assembly) receives stop light switch assembly signals and uses them to determine whether or not the brakes are applied. DTCs may be stored if either of

SEE MORE:

 Communication Error from VSC to ECM Invalid Serial Data Received (P163081)

DESCRIPTION The skid control ECU (brake actuator assembly) sends signals such as brake request signals to the ECM. If an abnormal signal is detected, the ECM stores DTC P163081. DTC No. Detection Item DTC Detection Condition Trouble Area MIL DTC Output from P163081 Communication E

 Touch Pad Sensor Malfunction (B1559)

DESCRIPTION This DTC is stored if the remote touch (remote operation controller assembly) detects a malfunction in itself, such as internal hardware failure or remote touch screen sensor malfunction. DTC No. Detection Item DTC Detection Condition Trouble Area B1559 Touch Pad Sensor Ma

© 2016-2025 Copyright www.lexguide.net